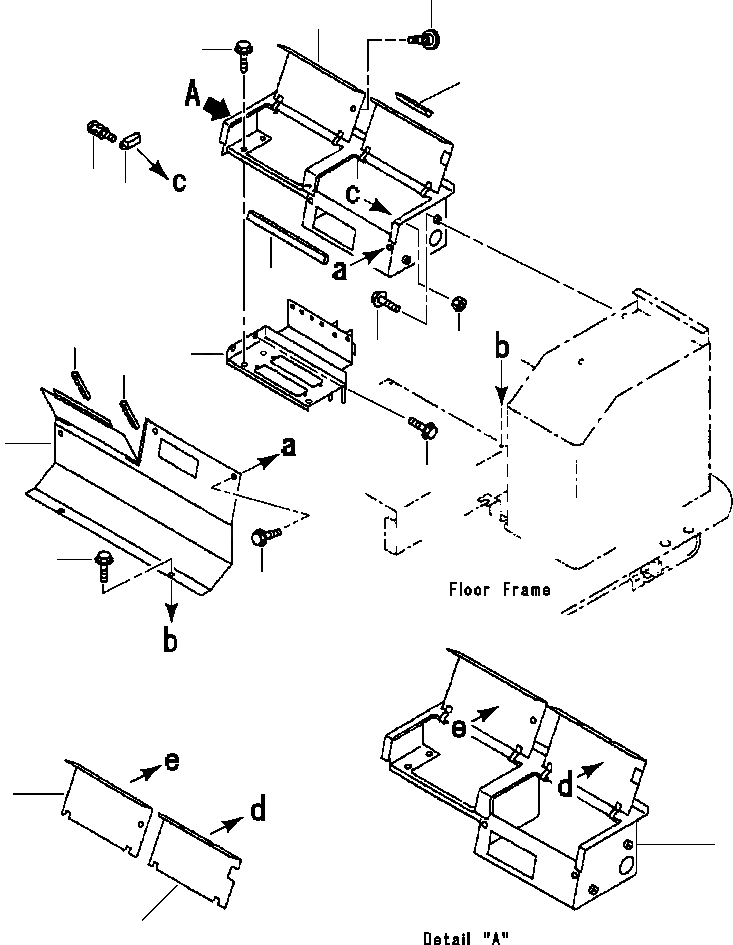
Запчасти Komatsu WA450-3L FIG. K7-A КОНСОЛЬН. БЛОК - ЗАДН. КАБИНА ОПЕРАТОРА И СИСТЕМА УПРАВЛЕНИЯ

Схема запчастей Komatsu WA450-3L - FIG. K7-A КОНСОЛЬН. БЛОК - ЗАДН. КАБИНА ОПЕРАТОРА И СИСТЕМА УПРАВЛЕНИЯ
12
1
10
5
7
6
4
14
8
16
9
14
13
11
15
15
3
1
2
FIT
1:1
100%

Артикул

Название

Примечание

Количество

1

421-54-22730

BOX, CONSOLE - REAR

SN: A30001-UP-UP

1шт.

2

421-07-28261

INSULATOR

SN: A30001-UP-UP

1шт.

3

418-54-22180

INSULATOR

SN: A30001-UP-UP

1шт.

4

421-54-22480

SEAL

SN: A30001-UP-UP

1шт.

5

421-54-22750

HANDLE

SN: A30001-UP-UP

1шт.

6

421-09-21370

CATCH

SN: A30001-UP-UP

1шт.

7

01023-70310

SCREW

SN: A30001-UP-UP

2шт.

8

01580-10302

NUT

SN: A30001-UP-UP

2шт.

9

421-54-22650

BRACKET

SN: A30001-UP-UP

1шт.

10

01435-00814

BOLT

SN: A30001-UP-UP

3шт.

11

01435-00814

BOLT

SN: A30001-UP-UP

2шт.

12

421-09-21260

SCREW

SN: A30001-UP-UP

1шт.

13

421-54-22740

COVER

SN: A30001-UP-UP

1шт.

|$13

421-09-21360

HINGE, WELDED

SN: A30001-UP-UP

2шт.

13

419-963-A880

COVER

SN: A30001-UP-UP

1шт.

|$15

419-963-A160

COVER, FLOOR

SN: A30001-UP-UP

1шт.

|$16

1434 536 H1

LOUVER ASSEMBLY

SN: A30001-UP-UP

1шт.

14

418-54-22190

CUSHION

SN: A30001-UP-UP

2шт.

14

421-54-22460

CUSHION

SN: A30001-UP-UP

1шт.

|$19

421-54-22520

CUSHION

SN: A30001-UP-UP

1шт.

15

01435-00616

BOLT

SN: A30001-UP-UP

5шт.

16

01435-00825

BOLT

SN: A30001-UP-UP

2шт.

|$22

-1шт.

|$23

F1 - FOR MACHINES NOT EQUIPPED WITH EAGLE HEATING OR EAGLE AIR CONDITIONING.

-1шт.

|$25

-1шт.

|$26

F2 - FOR MACHINES EQUIPPED WITH EAGLE HEATING OR EAGLE AIR CONDITIONING.

-1шт.

|$27

-1шт.

Выбрано товаров: 27