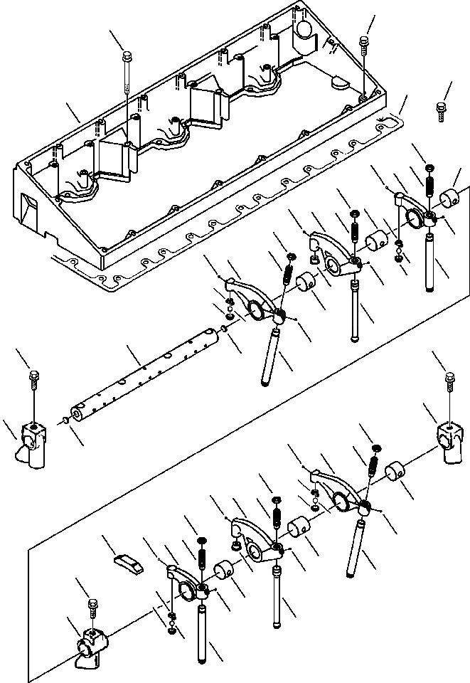
Запчасти Komatsu WA450-3L FIG. A-A РЫЧАГ КОРОМЫСЛАS И КОЖУХ ДВИГАТЕЛЬ

Схема запчастей Komatsu WA450-3L - FIG. A-A РЫЧАГ КОРОМЫСЛАS И КОЖУХ ДВИГАТЕЛЬ
42
41
51
48
47
18
20
19
21
17
34
37
36
33
35
22
2
20
3
4
1
23
24
6
44
36
38
8
5
7
45
39
51
51
4
40
44
49
50
10
12
11
9
40
34
14
36
16
33
35
26
13
15
43
28
27
25
12
37
51
44
36
38
30
32
29
46
28
45
31
44
FIT
1:1
100%

Артикул

Название

Примечание

Количество

|$0

1296 257 H93

ASSEMBLY, ROCKER LEVER

3шт.

1

NSS

LEVER, ROCKER, EXHAUST - CYLINDER 2, 4, AND 6

1шт.

2

1296 255 H1

NUT, REGULAR HEXAGON

1шт.

3

1296 256 H1

SCREW, SLOTTED SET - 1/2-20 X 2 3/64 IN.

1шт.

4

1295 572 H1

PLUG, BALL

2шт.

5

1246 182 H1

BUSHING

1шт.

6

NSS

RETAINER, SOCKET

1шт.

7

NSS

PLUG, BALL

1шт.

8

NSS

SOCKET, ROCKER LEVER

1шт.

|$9

1296 252 H93

ASSEMBLY, ROCKER LEVER

3шт.

9

NSS

LEVER, ROCKER, EXHAUST - CYLINDER 1, 3, AND 5

1шт.

10

1296 255 H1

NUT, REGULAR HEXAGON

1шт.

11

1296 256 H1

SCREW, SLOTTED SET - 1/2-20 x 2 3/64 IN.

1шт.

12

1295 572 H1

PLUG, BALL

2шт.

13

1246 182 H1

BUSHING

1шт.

14

NSS

RETAINER, SOCKET

1шт.

15

NSS

PLUG, BALL

1шт.

16

NSS

SOCKET, ROCKER LEVER

1шт.

|$18

1296 262 H93

ASSEMBLY, ROCKER LEVER

3шт.

17

NSS

LEVER, ROCKER, INTAKE - CYLINDER 1, 3, AND 5

1шт.

18

1296 255 H1

NUT, REGULAR HEXAGON

1шт.

19

1296 256 H1

SCREW, SLOTTED SET - 1/2-20 X 2 3/64 IN.

1шт.

20

1295 572 H1

PLUG, BALL

2шт.

21

1246 182 H1

BUSHING

1шт.

22

NSS

RETAINER, SOCKET

1шт.

23

NSS

PLUG, BALL

1шт.

24

NSS

SOCKET, ROCKER LEVER

1шт.

|$27

1296 265 H93

ASSEMBLY, ROCKER LEVER

3шт.

25

NSS

LEVER, ROCKER, INTAKE - CYLINDER 2, 4, AND 6

1шт.

26

1296 255 H1

NUT, REGULAR HEXAGON

1шт.

27

1296 256 H1

SCREW, SLOTTED SET - 1/2-20 X 2 3/64 IN.

1шт.

28

1295 572 H1

PLUG, BALL

2шт.

29

1246 182 H1

BUSHING

1шт.

30

NSS

RETAINER, SOCKET

1шт.

31

NSS

PLUG, BALL

1шт.

32

NSS

SOCKET, ROCKER LEVER

1шт.

|$36

1296 272 H91

ASSEMBLY, ROCKER LEVER - INJECTOR

6шт.

33

NSS

LEVER, ROCKER - INJECTOR

1шт.

34

1296 255 H1

NUT, REGULAR HEXAGON

1шт.

35

1296 256 H1

SCREW, SLOTTED SET - 1/2-20 X 2 3/64 IN.

1шт.

36

1295 572 H1

PLUG, BALL

2шт.

37

1246 187 H2

BUSHING

1шт.

38

1296 274 H1

SOCKET, TAPPET

1шт.

|$43

1294 246 H92

SHAFT, ROCKER LEVER

2шт.

39

NSS

SHAFT, ROCKER LEVER

1шт.

40

1246 175 H1

PLUG, DRIVE

1шт.

41

1296 151 H1

BOLT - M10-1.50 X 100

4шт.

42

1246 199 H2

BOLT - M10-1.50 X 35

20шт.

43

1295 190 H2

CROSSHEAD, VALVE

12шт.

44

1296 268 H91

ROD, PUSH

12шт.

45

1296 261 H1

ROD, PUSH - INJECTOR

6шт.

46

1296 278 H1

SUPPORT, ROCKER LEVER

4шт.

47

1307 086 H2

HOUSING, ROCKER LEVER

1шт.

48

1296 122 H3

GASKET, ROCKER LEVER HOUSING

1шт.

49

1296 276 H1

SUPPORT, ROCKER LEVER

2шт.

50

1296 277 H1

SUPPORT, ROCKER LEVER

2шт.

51

1307 085 H1

BOLT

8шт.

Выбрано товаров: 0