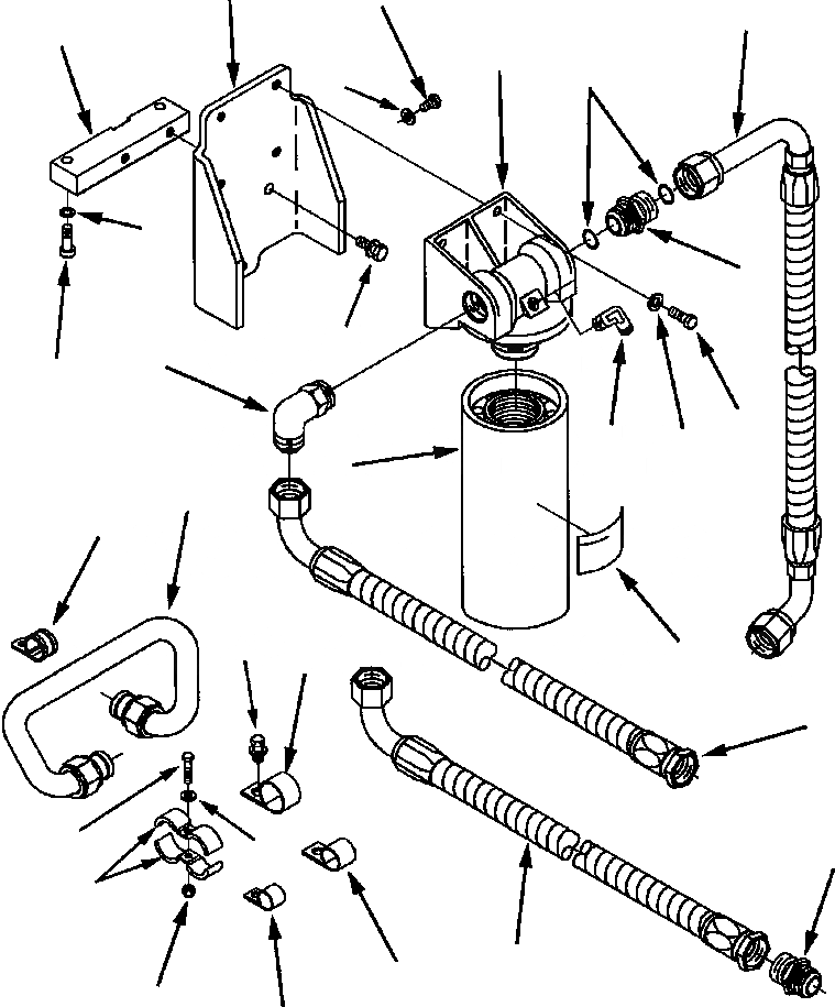
Запчасти Komatsu WA450-3L FIG. A9-AA МАСЛ. ФИЛЬТР И КРЕПЛЕНИЕ ДВИГАТЕЛЬ

Схема запчастей Komatsu WA450-3L - FIG. A9-AA МАСЛ. ФИЛЬТР И КРЕПЛЕНИЕ ДВИГАТЕЛЬ
17
10
30
27
22
11
8
23
12
20
13
28
2
24
9
14
15
16
19
21
25
18
1
3
26
4
29
7
6
5
FIT
1:1
100%

Артикул

Название

Примечание

Количество

1

1237 994 H1

BOLT - 3/8-16 X 3 1/2 IN.

2шт.

2

1238 008 H1

BOLT - 3/8-16 X 1 IN.

4шт.

3

6216-84-6520

WASHER, PLAIN - 1/4 IN.

2шт.

4

1246 356 H1

CLIP - 1 1/8 IN.

4шт.

5

6216-24-5730

CLIP

2шт.

6

1246 357 H1

NUT, LOCK

2шт.

7

6742-01-5495

CLIP

1шт.

8

1246 536 H1

WASHER, PLAIN - M8

1шт.

9

6735-71-5670

WASHER, PLAIN - M10

5шт.

10

1246 493 H1

BOLT - M8-1.25 X 16

1шт.

11

1304 985 H1

SEAL, O-RING

2шт.

N/I

1241 538 H1

SEAL, O-RING

1шт.

12

1246 346 H1

UNION, MALE

1шт.

N/I

NSS

UNION, MALE

1шт.

13

6741-51-5230

ELBOW, MALE UNION

1шт.

14

6742-01-5524

ELEMENT, LUBRICATING OIL FILTER

1шт.

15

1307 634 H1

TUBE, LUBRICATING OIL TRANSFER

1шт.

16

1307 635 H1

CLIP

1шт.

17

1307 636 H1

BRACKET, FILTER

1шт.

18

1313 043 H1

HOSE, FLEXIBLE

1шт.

19

1246 161 H1

BOLT - M10-1.50 X 25

3шт.

20

1240 554 H1

BOLT - M10-1.50 X 30

3шт.

21

1304 986 H1

DECAL

1шт.

22

6741-61-5110

HEAD, LUBRICATING OIL FILTER

1шт.

23

1310 683 H1

WASHER, SEALING - M10

2шт.

24

1295 229 H1

ELBOW, MALE ADAPTER

1шт.

25

1296 666 H1

CLIP

3шт.

26

1296 627 H1

CONNECTOR, MALE

1шт.

27

1304 988 H1

SPACER, MOUNTING

1шт.

28

1304 989 H1

BOLT - M10-1.50 X 100

2шт.

29

1313 042 H1

HOSE, FLEXIBLE

1шт.

30

1310 890 H1

HOSE, FLEXIBLE

1шт.

Выбрано товаров: 32