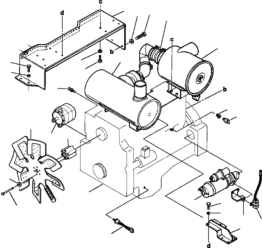
Запчасти Komatsu WA450-3L FIG. B-A ДВИГАТЕЛЬ И АКСЕССУАРЫ КОМПОНЕНТЫ ДВИГАТЕЛЯ

Схема запчастей Komatsu WA450-3L - FIG. B-A ДВИГАТЕЛЬ И АКСЕССУАРЫ КОМПОНЕНТЫ ДВИГАТЕЛЯ
17
19
18
3
2
9
20
19
21
18
16
15
14
4
5
8
20
1
7
21
6
20
12
11
10
13
FIT
1:1
100%

Артикул

Название

Примечание

Количество

1

421-01-A2030

ENGINE

SN: A30001-UP-UP

1шт.

|$2

OR

-1шт.

1

421-01-A2000

ENGINE ASSEMBLY

SN: A30001-UP-UP

1шт.

2

CLEANER, AIR (SEE FIG. B0000-04A0)

SN: A30001-UP-UP

-1шт.

3

CONNECTIONS, AIR CLEANER (SEE FIG. B0000-03A0)

SN: A30001-UP-UP

-1шт.

4

421-03-A1260

FAN, ENGINE BLOWER

SN: A30001-UP-UP

1шт.

5

421-03-A1270

SPACER, FAN PILOT

SN: A30001-UP-UP

1шт.

6

02011-70640

BOLT

SN: A30001-UP-UP

6шт.

|$10

01643-31032

WASHER

SN: A30001-UP-UP

6шт.

7

MOTOR, STARTING (SEE FIG. B0010-01A0)

SN: A30001-UP-UP

-1шт.

|$12

01010-81650

BOLT

SN: A30001-UP-UP

3шт.

|$13

01643-31645

WASHER

SN: A30001-UP-UP

3шт.

8

ALTERNATOR, 50 A (SEE FIG. B0020-01A1)

SN: A30001-UP-UP

-1шт.

|$15

01643-31032

WASHER

SN: A30001-UP-UP

2шт.

9

MUFFLER, EXHAUST (SEE FIG. B0000-05A0)

SN: A30001-UP-UP

-1шт.

10

421-02-A1170

BRACKET, FILTER MOUNTING

SN: A30001-UP-UP

1шт.

11

419-06-21310

RELAY, STARTER DISABLE

SN: A30001-UP-UP

1шт.

12

419-06-21320

BRACKET, RELAY MOUNTING

SN: A30001-UP-UP

1шт.

|$20

01435-00616

BOLT, RELAY TO BRACKET

SN: A30001-UP-UP

2шт.

|$21

01435-01016

BOLT, RELAY TO ENGINE SUPPORT

SN: A30001-UP-UP

2шт.

13

206-01-A1140

SENSOR, ENGINE OIL LEVEL

SN: A30001-UP-UP

1шт.

|$23

206-01-A1160

SENSOR, ENGINE OIL LEVEL

SN: A30001-UP-UP

1шт.

|$24

1209 470 H1

CONNECTOR, MALE

SN: A30001-UP-UP

1шт.

|$25

1209 477 H1

SEAL, TERMINAL

SN: A30001-UP-UP

4шт.

|$26

1209 466 H1

TERMINAL

SN: A30001-UP-UP

4шт.

14

206-01-A1150

SWITCH, ENGINE OIL PRESSURE

SN: A30001-UP-UP

1шт.

15

444 024

BUSHING, REDUCER

SN: A30001-UP-UP

1шт.

16

206-01-A1130

SENSOR, ENGINE COOLANT TEMPERATURE

SN: A30001-UP-UP

1шт.

17

421-02-A1111

BRACKET

SN: A30001-UP-UP

1шт.

18

01643-31232

WASHER

SN: A30001-UP-UP

4шт.

19

01010-81232

BOLT

SN: A30001-UP-UP

4шт.

20

01643-31032

WASHER

SN: A30001-UP-UP

12шт.

21

01010-81025

BOLT

SN: A30001-UP-UP

6шт.

|$35

-1шт.

|$36

F1 - PART IS NOT SERVICED AND IS LISTED FOR REFERENCE ONLY.

-1шт.

|$37

-1шт.

|$38

-1шт.

|$39

F2 - SEE SECTION A FOR SERVICE PARTS

-1шт.

|$40

-1шт.

Выбрано товаров: 39