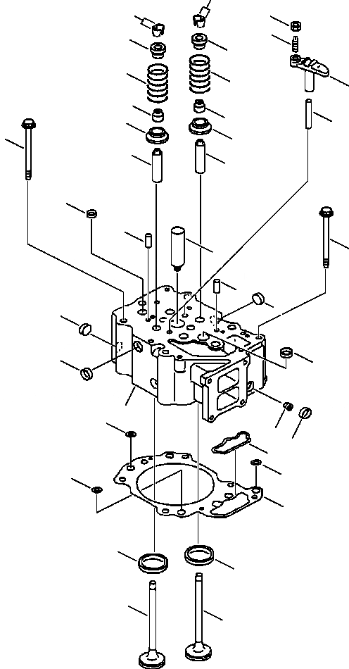
Запчасти Komatsu WA450-3MC FIG. A-A7A ГОЛОВКА ЦИЛИНДРОВ ДВИГАТЕЛЬ

Схема запчастей Komatsu WA450-3MC - FIG. A-A7A ГОЛОВКА ЦИЛИНДРОВ ДВИГАТЕЛЬ
15
15
20
19
13
13
16
16
18
17
14
17
8
26
14
5
5
10
9
27
2
9
7
7
7
7
1
25
6
7
22
24
23
21
4
3
11
12
FIT
1:1
100%

Артикул

Название

Примечание

Количество

|$0

6151-12-1101

CYLINDER HEAD ASSEMBLY

6шт.

1

NSS

HEAD, CYLINDER

1шт.

2

6136-11-1130

SLEEVE

1шт.

3

6150-11-1320

INSERT, EXHAUST VALVE

2шт.

|$4

6150-19-1320

INSERT, EXHAUST VALVE - (0.25 MM) O/S

2шт.

|$5

6150-18-1320

INSERT, EXHAUST VALVE - (0.50 MM) O/S

2шт.

|$6

6150-17-1320

INSERT, EXHAUST VALVE - (0.75 MM) O/S

2шт.

|$7

6150-16-1320

INSERT, EXHAUST VALVE - (1.00 MM) O/S

2шт.

4

6151-11-1330

INSERT, INTAKE VALVE

2шт.

|$9

6151-19-1330

INSERT, INTAKE VALVE - (0.25 MM) O/S

2шт.

|$10

6151-18-1330

INSERT, INTAKE VALVE - (0.50 MM) O/S

2шт.

|$11

6151-17-1330

INSERT, INTAKE VALVE - (0.75 MM) O/S

2шт.

|$12

6151-16-1330

INSERT, INTAKE VALVE - (1.00 MM) O/S

2шт.

5

6150-12-1370

GUIDE, VALVE

4шт.

6

07043-70108

PLUG

1шт.

7

6162-13-1150

PLUG

10шт.

8

6150-11-1140

GUIDE

2шт.

9

04020-00820

PIN, DOWEL

2шт.

10

07046-41810

PLUG

1шт.

11

6150-42-4110

VALVE, INTAKE

12шт.

12

6150-42-4210

VALVE, EXHAUST

12шт.

13

6150-41-4510

SEAT, UPPER

24шт.

14

6150-41-4430

SEAT, LOWER

24шт.

15

6136-42-4520

COTTER, VALVE

48шт.

16

6150-41-4450

SPRING

24шт.

17

6150-41-4570

SEAL, VALVE STEM

24шт.

|$26

6150-42-5600

CROSSHEAD ASSEMBLY

12шт.

18

6150-42-5610

CROSSHEAD

1шт.

19

6150-41-5621

SCREW

1шт.

20

6150-41-5630

NUT

1шт.

21

6151-12-1810

GASKET, CYLINDER HEAD

6шт.

22

NSS

GROMMET, OIL

1шт.

23

NSS

GROMMET, OIL

1шт.

24

NSS

GROMMET, WATER

4шт.

25

NSS

GROMMET, WATER

1шт.

26

6150-11-1610

BOLT

36шт.

27

01438-01020

BOLT

6шт.

|$37

-1шт.

|$38

F1 - THESE ITEMS ARE ALSO INCLUDED IN CYLINDER HEAD GASKET KIT. (SEE FIG. A8116-B3A7)

-1шт.

|$39

-1шт.

Выбрано товаров: 40