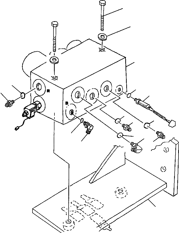
Запчасти Komatsu WA450-3MC FIG. H-A ГИДРОЛИНИЯ - E.C.S.S. - СОЛЕНОИДНЫЙ КЛАПАН - - УПРАВЛЯЮЩ. КЛАПАН И ЛИНИЯ ПОДАЧИ ГИДРАВЛИКА

Схема запчастей Komatsu WA450-3MC - FIG. H-A ГИДРОЛИНИЯ - E.C.S.S. - СОЛЕНОИДНЫЙ КЛАПАН - - УПРАВЛЯЮЩ. КЛАПАН И ЛИНИЯ ПОДАЧИ ГИДРАВЛИКА
14
15
1
11
3
12
2
5
7
4
10
8
9
9
6
13
FIT
1:1
100%

Артикул

Название

Примечание

Количество

1

421-S99-2480

VALVE ASSEMBLY, SOLENOID

SN: A31001-UP-UP

1шт.

2

425-S99-2281

SWITCH, PRESSURE

SN: A31001-UP-UP

1шт.

3

07002-11423

O-RING

SN: A31001-UP-UP

1шт.

4

07230-20522

UNION

SN: A31001-UP-UP

1шт.

5

07002-12434

O-RING

SN: A31001-UP-UP

1шт.

6

07230-20522

UNION

SN: A31001-UP-UP

1шт.

7

07002-12434

O-RING

SN: A31001-UP-UP

1шт.

8

07002-12434

O-RING

SN: A31001-UP-UP

1шт.

9

07235-10522

ELBOW

SN: A31001-UP-UP

2шт.

10

07002-12434

O-RING

SN: A31001-UP-UP

1шт.

11

07002-12434

O-RING

SN: A31001-UP-UP

1шт.

12

07230-20522

UNION

SN: A31001-UP-UP

1шт.

13

421-S99-2141

BRACKET

SN: A31001-UP-UP

1шт.

14

01011-81230

BOLT

SN: A31001-UP-UP

2шт.

15

01643-31232

WASHER

SN: A31001-UP-UP

2шт.

N/I

01435-01225

BOLT

SN: A31001-UP-UP

4шт.

Выбрано товаров: 16