Запчасти Komatsu WA450-3MC FIG. J-A ЗАДН. МОСТ СУППОРТ ОСНОВНАЯ РАМА И ЕЕ ЧАСТИ

Схема запчастей Komatsu WA450-3MC - FIG. J-A ЗАДН. МОСТ СУППОРТ ОСНОВНАЯ РАМА И ЕЕ ЧАСТИ
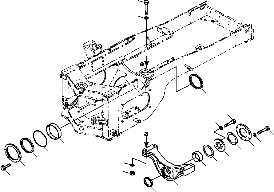
17
18
16
6
7
9
10
11
8
4
14
5
15
18
4
12
2
19
13
1
3
FIT
1:1
100%

Артикул

Название

Примечание

Количество

1

424-46-12156

SUPPORT

SN: A31001-UP-UP

1шт.

2

424-46-12172

BUSHING, REAR

SN: A31001-UP-UP

1шт.

3

421-46-15132

PACKING

SN: A31001-UP-UP

1шт.

4

424-46-12182

WASHER

SN: A31001-UP-UP

2шт.

5

424-46-12221

PLATE

SN: A31001-UP-UP

1шт.

6

01010-61665

BOLT

SN: A31001-UP-UP

8шт.

7

01643-31645

WASHER

SN: A31001-UP-UP

8шт.

8

424-46-12191

COVER

SN: A31001-UP-UP

1шт.

9

01010-61665

BOLT

SN: A31001-UP-UP

8шт.

10

01643-31645

WASHER

SN: A31001-UP-UP

8шт.

11

424-46-12162

BUSHING, FRONT

SN: A31001-UP-UP

1шт.

12

424-46-12310

RETAINER

SN: A31001-UP-UP

1шт.

13

01435-01235

BOLT

SN: A31001-UP-UP

6шт.

14

07000-05305

O-RING

SN: A31001-UP-UP

1шт.

15

421-46-15112

PACKING

SN: A31001-UP-UP

1шт.

16

421-46-15121

PACKING

SN: A31001-UP-UP

1шт.

17

01011-62790

BOLT

SN: A31001-UP-UP

4шт.

18

01643-32780

WASHER

SN: A31001-UP-UP

8шт.

19

01580-02722

NUT

SN: A31001-UP-UP

4шт.

Выбрано товаров: 19