Запчасти Komatsu WA450-3MC FIG. A-AA РЫЧАГ КОРОМЫСЛА ДВИГАТЕЛЬ

Схема запчастей Komatsu WA450-3MC - FIG. A-AA РЫЧАГ КОРОМЫСЛА ДВИГАТЕЛЬ
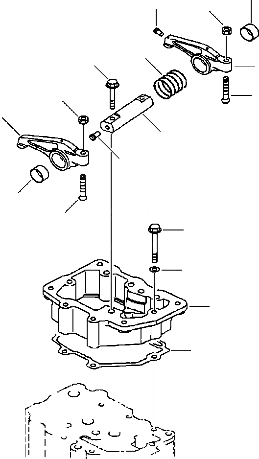
11
10
13
16
17
9
12
8
5
14
15
6
7
3
4
1
2
FIT
1:1
100%

Артикул

Название

Примечание

Количество

1

6150-11-7110

HOUSING, ROCKER LEVER

6шт.

2

6150-11-7812

GASKET

6шт.

3

01437-01075

BOLT

42шт.

4

01643-31032

WASHER

42шт.

|$4

6150-41-5400

ARM ASSEMBLY

6шт.

5

NSS

ARM, ROCKER

1шт.

6

6150-41-5420

BUSHING

1шт.

7

6150-41-5540

SCREW

6шт.

8

01582-01008

NUT

6шт.

|$9

6150-41-5500

ARM ASSEMBLY

6шт.

9

NSS

ARM, ROCKER

1шт.

10

6162-43-5340

RIVET

1шт.

11

6150-41-5420

BUSHING

1шт.

12

6150-41-5540

SCREW

6шт.

13

01582-01008

NUT

6шт.

|$15

6150-42-5300

ROCKER ARM SHAFT ASSEMBLY

6шт.

14

NSS

SHAFT, ROCKER ARM

1шт.

15

6710-41-5340

RIVET

1шт.

16

6150-41-5320

SPRING

6шт.

17

6150-81-9370

BOLT

12шт.

|$20

-1шт.

|$21

F1 - THESE ITEMS ARE ALSO INCLUDED IN CYLINDER HEAD GASKET KIT. (SEE FIG. A8116-B3A7)

-1шт.

|$22

-1шт.

Выбрано товаров: 23