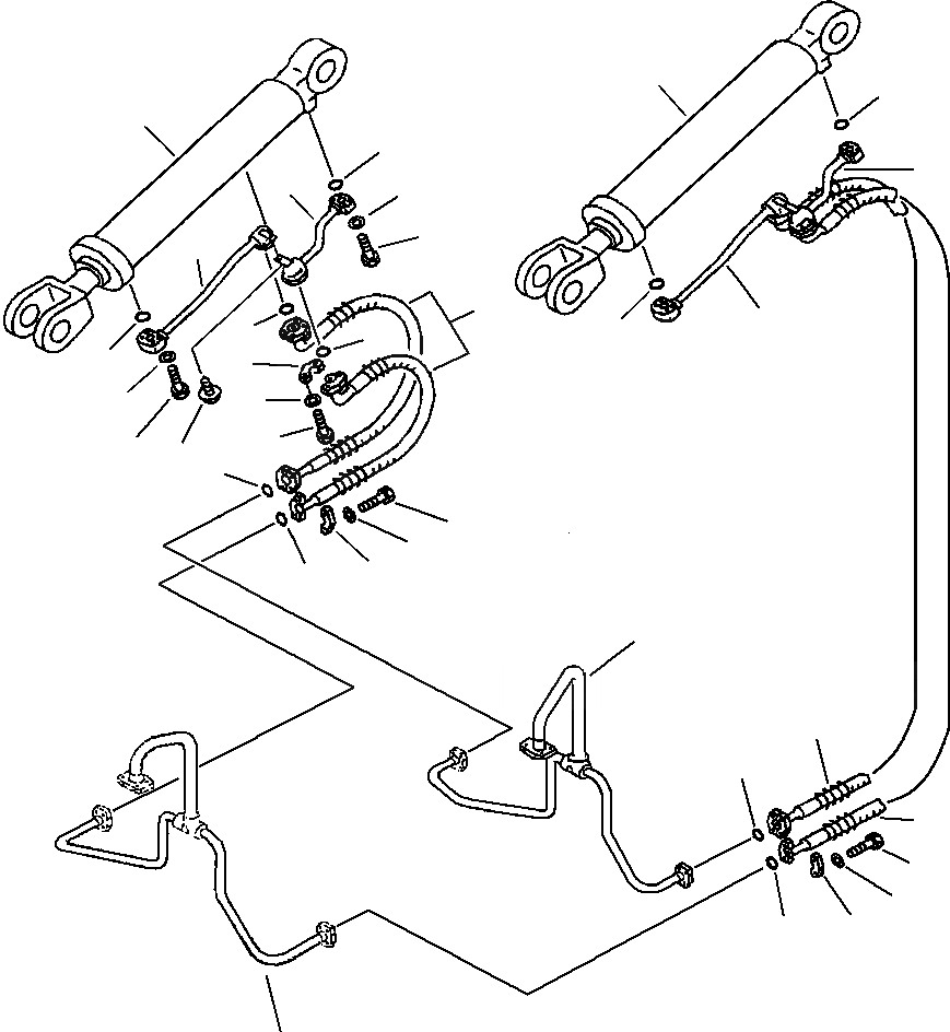
Запчасти Komatsu WA450-3MC FIG. T-A ГИДРОЦИЛИНДР ПОДЪЕМА - ГИДРОЛИНИЯ РАБОЧЕЕ ОБОРУДОВАНИЕ

Схема запчастей Komatsu WA450-3MC - FIG. T-A ГИДРОЦИЛИНДР ПОДЪЕМА - ГИДРОЛИНИЯ РАБОЧЕЕ ОБОРУДОВАНИЕ
1
11
1
11
3
3
10
9
4
2
4
5
11
5
11
6
8
10
7
9
12
5
7
8
6
5
13
2
5
2
7
8
6
5
14
FIT
1:1
100%

Артикул

Название

Примечание

Количество

1

CYLINDER ASSEMBLY, LIFT(SEE FIG. Y1620-01A0)

SN: A31001-UP-UP

-1шт.

2

07124-01215

HOSE

SN: A31001-UP-UP

4шт.

3

421-62-23970

TUBE

SN: A31001-UP-UP

2шт.

4

421-62-23961

TUBE

SN: A31001-UP-UP

2шт.

5

07000-13038

O-RING

SN: A31001-UP-UP

8шт.

6

07371-31255

FLANGE, SPLIT

SN: A31001-UP-UP

16шт.

7

07372-21035

BOLT

SN: A31001-UP-UP

32шт.

8

01643-51032

WASHER

SN: A31001-UP-UP

32шт.

9

01010-81060

BOLT

SN: A31001-UP-UP

16шт.

10

01643-31032

WASHER

SN: A31001-UP-UP

16шт.

11

07000-13035

O-RING

SN: A31001-UP-UP

4шт.

12

01435-01230

BOLT

SN: A31001-UP-UP

2шт.

13

TUBE, L.H. (SEE FIG. H4200-11A0)

SN: A31001-UP-UP

-1шт.

14

TUBE, R.H. (SEE FIG. H4200-11A0)

SN: A31001-UP-UP

-1шт.

Выбрано товаров: 14