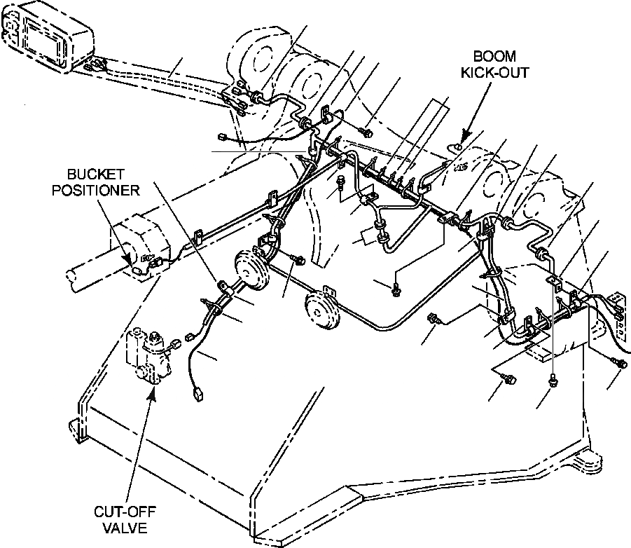
Запчасти Komatsu WA450-3MC FIG. E-A ПРОВОДКА - ПЕРЕДН. РАМА С ПОГРУЗ. METER ЭЛЕКТРИКА

Схема запчастей Komatsu WA450-3MC - FIG. E-A ПРОВОДКА - ПЕРЕДН. РАМА С ПОГРУЗ. METER ЭЛЕКТРИКА
4
3
14
8
12
7
11
8
8
9
3
8
8
4
8
7
10
8
2
5
6
7
1
7
8
13
6
7
5
12
7
7
7
FIT
1:1
100%

Артикул

Название

Примечание

Количество

1

421-06-22322

WIRING HARNESS, FRONT FRAME

SN: A31001-UP-UP

1шт.

|$1

08020-10000

DIODE

SN: A31001-UP-UP

1шт.

2

426-09-11210

GROMMET

SN: A31001-UP-UP

1шт.

3

424-06-12910

GROMMET

SN: A31001-UP-UP

2шт.

4

08037-03614

GROMMET

SN: A31001-UP-UP

2шт.

5

04434-52210

CLIP

SN: A31001-UP-UP

2шт.

6

04434-51710

CLIP

SN: A31001-UP-UP

2шт.

7

01435-01016

BOLT

SN: A31001-UP-UP

14шт.

8

04434-51010

CLIP

SN: A31001-UP-UP

8шт.

9

04434-51410

CLIP

SN: A31001-UP-UP

1шт.

10

42A-16-11210

PLATE

SN: A31001-UP-UP

1шт.

11

306 132 C1

BAND

SN: A31001-UP-UP

3шт.

12

421-U94-2561

WIRING HARNESS

SN: A31001-UP-UP

1шт.

13

935 522 C1

BAND

SN: A31001-UP-UP

14шт.

14

WIRING HARNESS (SEE FIG. E0300-01A0)

SN: A31001-UP-UP

-1шт.

Выбрано товаров: 15