Качественные детали и логистика
Оригинальные и аналоговые запчасти с доставкой по России, Казахстану и Беларуси
©2022 PartSell ООО "Система" ИНН 2463123282 ОГРН 1212400004838
Центральный офис: г. Красноярск, Академика Киренского, д.87, пом.4
Телефон: 8 (800) 777-65-74 Email: zakaz@partsell.ru
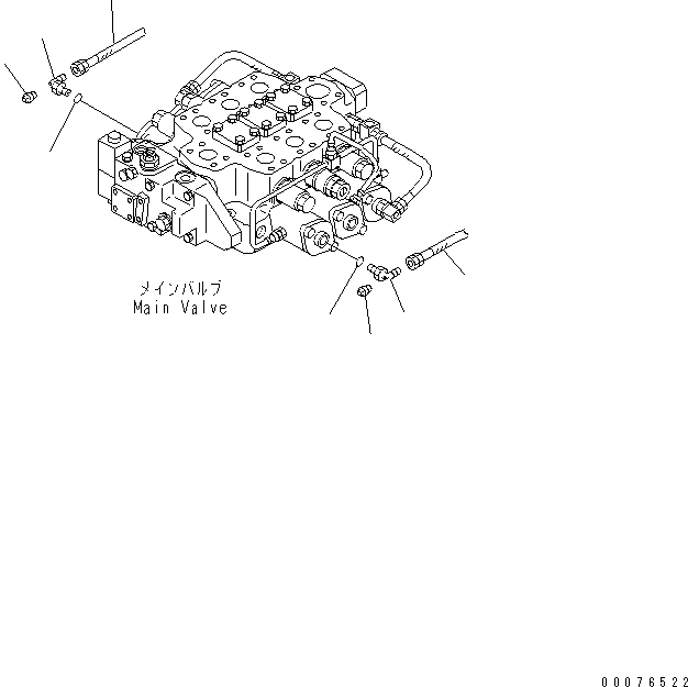
ОСНОВН. КЛАПАН (ПАТРУБОК) (ДЛЯ 3-Х СЕКЦИОНН. КЛАПАН)
№
Артикул
Название
Примечание
Количество
1
421-62-33560
ELBOW
SN: A36001-UP
2шт.
2
07042-30108
PLUG
3
07002-12034
O-RING
4
HOSE,(SEE FIG. H4200-09A1)
-1шт.
5
Выбрано товаров: 0