Запчасти Komatsu WA450-6 ГИДРОЛИНИЯ (ВОЗВРАТН. ЛИНИЯ И ПЕРЕКЛЮЧАТЕЛЬ НАСОС - ОТСЕКАЮЩ. КЛАПАН) ГИДРАВЛИКА

Схема запчастей Komatsu WA450-6 - ГИДРОЛИНИЯ (ВОЗВРАТН. ЛИНИЯ И ПЕРЕКЛЮЧАТЕЛЬ НАСОС - ОТСЕКАЮЩ. КЛАПАН) ГИДРАВЛИКА
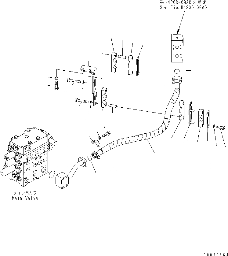
1
2
2
3
4
5
6
7
8
9
9
10
11
12
13
14
14
15
16
17
18
19
20
21
22
FIT
1:1
100%

Артикул

Название

Примечание

Количество

1

421-62-43320

HOSE

SN: 66001-UP

1шт.

2

07000-13038

O-RING

SN: 66001-UP

2шт.

3

07371-31255

FLANGE

SN: 66001-UP

4шт.

4

07372-21035

BOLT

SN: 66001-UP

8шт.

5

01643-51032

WASHER

SN: 66001-UP

8шт.

6

421-62-46371

BRACKET

SN: 66001-UP

1шт.

7

01010-81230

BOLT

SN: 66001-UP

2шт.

8

01643-31232

WASHER

SN: 66001-UP

2шт.

9

421-62-44250

CLAMP

SN: 66001-UP

2шт.

10

421-62-46320

PLATE

SN: 66001-UP

1шт.

11

417-62-23690

SPACER

SN: 66001-UP

2шт.

12

01010-81090

BOLT

SN: 66001-UP

2шт.

13

01643-31032

WASHER

SN: 66001-UP

2шт.

14

421-62-44240

CLAMP

SN: 66001-UP

2шт.

15

421-62-46310

BRACKET

SN: 66001-UP

1шт.

16

417-62-23690

SPACER

SN: 66001-UP

2шт.

17

01010-81090

BOLT

SN: 66001-UP

2шт.

18

01643-31032

WASHER

SN: 66001-UP

2шт.

19

423-62-34981

RUBBER

SN: 66001-UP

1шт.

20

421-62-46380

PLATE

SN: 66001-UP

1шт.

21

01010-81025

BOLT

SN: 66001-UP

2шт.

22

01643-31032

WASHER

SN: 66001-UP

2шт.

Выбрано товаров: 22