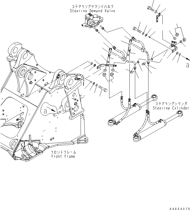
Запчасти Komatsu WA450-6 РУЛЕВ. УПРАВЛЕНИЕ ЛИНИЯ (ЛИНИЯ ЦИЛИНДРА РУЛЕВ. УПР-Я) ГИДРАВЛИКА

Схема запчастей Komatsu WA450-6 - РУЛЕВ. УПРАВЛЕНИЕ ЛИНИЯ (ЛИНИЯ ЦИЛИНДРА РУЛЕВ. УПР-Я) ГИДРАВЛИКА
1
2
3
3
3
3
4
5
6
6
6
6
7
7
8
8
9
9
10
10
11
11
11
11
12
12
12
12
13
13
14
14
14
14
15
16
17
FIT
1:1
100%

Артикул

Название

Примечание

Количество

1

421-62-42370

TUBE

SN: 66001-UP

1шт.

2

421-62-42380

TUBE

SN: 66001-UP

1шт.

3

02896-11015

O-RING

SN: 66001-UP

4шт.

4

421-62-42290

PLATE,L.H.

SN: 66001-UP

1шт.

5

421-62-21130

PLATE,R.H.

SN: 66001-UP

1шт.

6

415-64-13120

WASHER

SN: 66001-UP

8шт.

7

415-64-13130

CUSHION

SN: 66001-UP

4шт.

8

421-62-18560

SPACER

SN: 66001-UP

4шт.

9

419-43-17930

CUSHION

SN: 66001-UP

4шт.

10

01010-81050

BOLT

SN: 66001-UP

4шт.

11

07283-32244

CLIP

SN: 66001-UP

4шт.

12

07283-52232

SEAT

SN: 66001-UP

4шт.

13

01597-01009

NUT

SN: 66001-UP

8шт.

14

01643-31032

WASHER

SN: 66001-UP

8шт.

15

421-62-41431

BRACKET

SN: 66001-UP

1шт.

16

01010-81020

BOLT

SN: 66001-UP

2шт.

17

01643-31032

WASHER

SN: 66001-UP

2шт.

Выбрано товаров: 17