Качественные детали и логистика
Оригинальные и аналоговые запчасти с доставкой по России, Казахстану и Беларуси
©2022 PartSell ООО "Система" ИНН 2463123282 ОГРН 1212400004838
Центральный офис: г. Красноярск, Академика Киренского, д.87, пом.4
Телефон: 8 (800) 777-65-74 Email: zakaz@partsell.ru
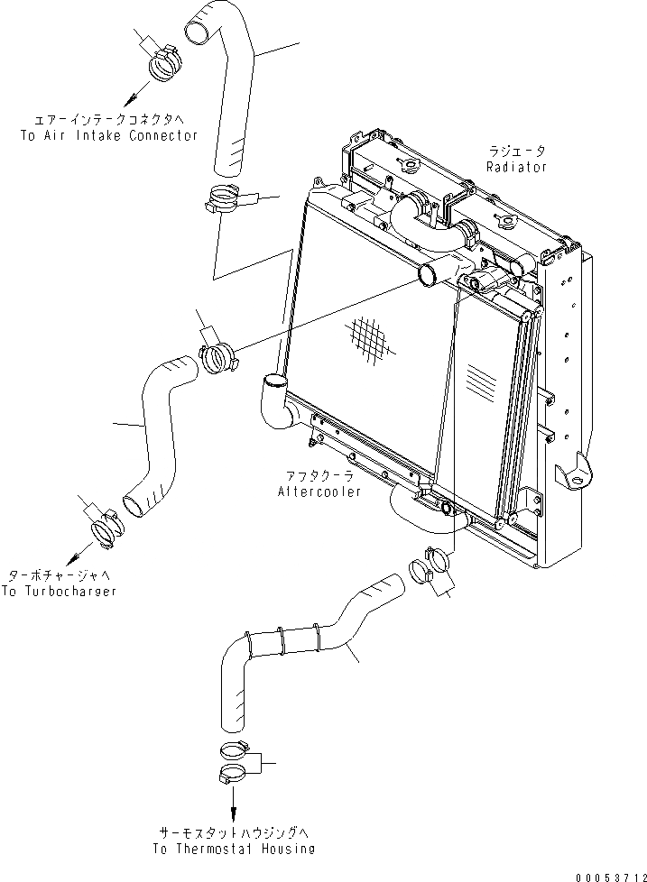
РАДИАТОР (ТРУБЫ)
№
Артикул
Название
Примечание
Количество
1
421-03-41171
HOSE
SN: 66019-UP
1шт.
0
SN: 66001-66018
2
421-03-41180
SN: 66001-UP
3
07299-00080
CLAMP
8шт.
4
421-03-41191
5
07289-00070
4шт.
Выбрано товаров: 0