Запчасти Komatsu WA450-6 РАДИАТОР (ГИДРОТРАНСФОРМАТОР ОХЛАДИТЕЛЬ И ТРУБЫ) СИСТЕМА ОХЛАЖДЕНИЯ

Схема запчастей Komatsu WA450-6 - РАДИАТОР (ГИДРОТРАНСФОРМАТОР ОХЛАДИТЕЛЬ И ТРУБЫ) СИСТЕМА ОХЛАЖДЕНИЯ
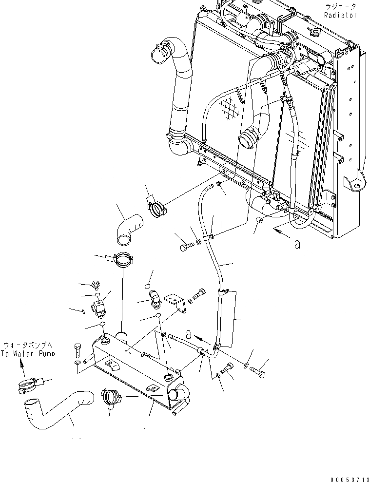
1
2
3
4
5
6
6
7
7
8
9
9
10
11
12
13
14
14
15
15
15
16
17
18
19
20
21
22
FIT
1:1
100%

Артикул

Название

Примечание

Количество

1

421-16-41160

COOLER

SN: 66001-UP

1шт.

2

21W-62-42640

ELBOW

SN: 66001-UP

1шт.

3

423-03-31231

ELBOW

SN: 66001-UP

1шт.

4

708-8E-16150

PLUG

SN: 66001-UP

1шт.

5

07002-11023

O-RING

SN: 66001-UP

1шт.

6

07002-23334

O-RING

SN: 66001-UP

2шт.

7

421-09-31140

O-RING

SN: 66001-UP

2шт.

8

421-03-41250

HOSE

SN: 66001-UP

1шт.

9

07289-00070

CLAMP

SN: 66001-UP

4шт.

10

421-03-32132

HOSE

SN: 66001-UP

1шт.

11

07289-00070

CLAMP

SN: 66001-UP

2шт.

12

07289-00080

CLAMP

SN: 66001-UP

2шт.

13

421-16-41180

HOSE, 1560MM

SN: 66001-UP

1шт.

14

11Y-09-11140

CLIP

SN: 66001-UP

2шт.

15

04434-52312

CLIP

SN: 66001-UP

4шт.

16

01010-81020

BOLT

SN: 66001-UP

1шт.

17

01643-31032

WASHER

SN: 66001-UP

1шт.

18

195-33-11220

SPACER

SN: 66001-UP

1шт.

19

01010-81045

BOLT

SN: 66001-UP

1шт.

20

01643-31032

WASHER

SN: 66001-UP

1шт.

21

01010-81016

BOLT

SN: 66001-UP

1шт.

22

01643-31032

WASHER

SN: 66001-UP

1шт.

Выбрано товаров: 22