Запчасти Komatsu WA450-6 ПЕРЕДН. КРЫЛО ЧАСТИ КОРПУСА

Схема запчастей Komatsu WA450-6 - ПЕРЕДН. КРЫЛО ЧАСТИ КОРПУСА
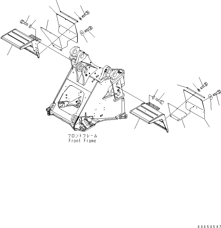
1
2
3
4
5
6
7
7
8
9
10
10
11
11
12
12
13
13
14
14
FIT
1:1
100%

Артикул

Название

Примечание

Количество

1

424-54-44411

FENDER,L.H.

SN: 85027-UP

1шт.

1

0

FENDER,L.H.

SN: 66001-85026

1шт.

2

01010-81230

BOLT

SN: 85027-UP

5шт.

2

01010-81230

BOLT

SN: 66001-85026

4шт.

3

01643-31232

WASHER

SN: 85027-UP

5шт.

3

01643-31232

WASHER

SN: 66001-85026

4шт.

4

424-54-44421

FENDER,R.H.

SN: 85027-UP

1шт.

4

0

FENDER,R.H.

SN: 66001-85026

1шт.

5

01010-81230

BOLT

SN: 85027-UP

5шт.

5

01010-81230

BOLT

SN: 66001-85026

4шт.

6

01643-31232

WASHER

SN: 85027-UP

5шт.

6

01643-31232

WASHER

SN: 66001-85026

4шт.

7

421-54-45230

SHEET

SN: 66001-UP

2шт.

8

421-54-45240

SHEET

SN: 66001-UP

1шт.

9

421-54-45250

SHEET

SN: 66001-UP

1шт.

10

01010-D1035

BOLT

SN: 66001-UP

6шт.

11

01643-71032

WASHER

SN: 66001-UP

6шт.

12

01010-D1020

BOLT

SN: 66001-UP

4шт.

13

421-54-34550

WASHER

SN: 66001-UP

4шт.

14

421-54-35180

PLATE

SN: 66001-UP

2шт.

Выбрано товаров: 20