Запчасти Komatsu WA450-6 ПРОТИВОВЕС (С ДОПОЛН. ВЕС) ЧАСТИ КОРПУСА

Схема запчастей Komatsu WA450-6 - ПРОТИВОВЕС (С ДОПОЛН. ВЕС) ЧАСТИ КОРПУСА
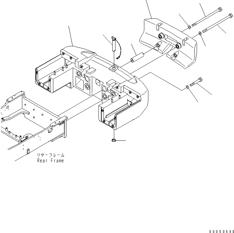
1
2
3
4
5
5
6
7
8
9
10
FIT
1:1
100%

Артикул

Название

Примечание

Количество

1

421-46-45180

COUNTERWEIGHT

SN: 66001-UP

1шт.

2

01643-33080

WASHER

SN: 66001-UP

2шт.

3

195-09-18112

BOLT

SN: 66001-UP

2шт.

4

421-975-4210

BOLT

SN: 66001-UP

2шт.

5

01643-33080

WASHER

SN: 66001-UP

4шт.

6

421-975-4160

SPACER

SN: 66001-UP

4шт.

7

421-975-4220

BOLT

SN: 66001-UP

2шт.

8

421-46-45290

PIN

SN: 66001-UP

1шт.

8

09245-04875

CHAIN

SN: 66001-UP

1шт.

8

09245-50060

HOOK

SN: 66001-UP

3шт.

9

426-46-12280

PIN

SN: 66001-UP

1шт.

10

421-975-4150

COUNTERWEIGHT

SN: 66001-UP

1шт.

Выбрано товаров: 12