Запчасти Komatsu WA450-6-W1 КАБИНА ROPS (КОНДИЦ. ВОЗДУХА ВНУТР. ЧАСТИ) КАБИНА ОПЕРАТОРА И СИСТЕМА УПРАВЛЕНИЯ

Схема запчастей Komatsu WA450-6-W1 - КАБИНА ROPS (КОНДИЦ. ВОЗДУХА ВНУТР. ЧАСТИ) КАБИНА ОПЕРАТОРА И СИСТЕМА УПРАВЛЕНИЯ
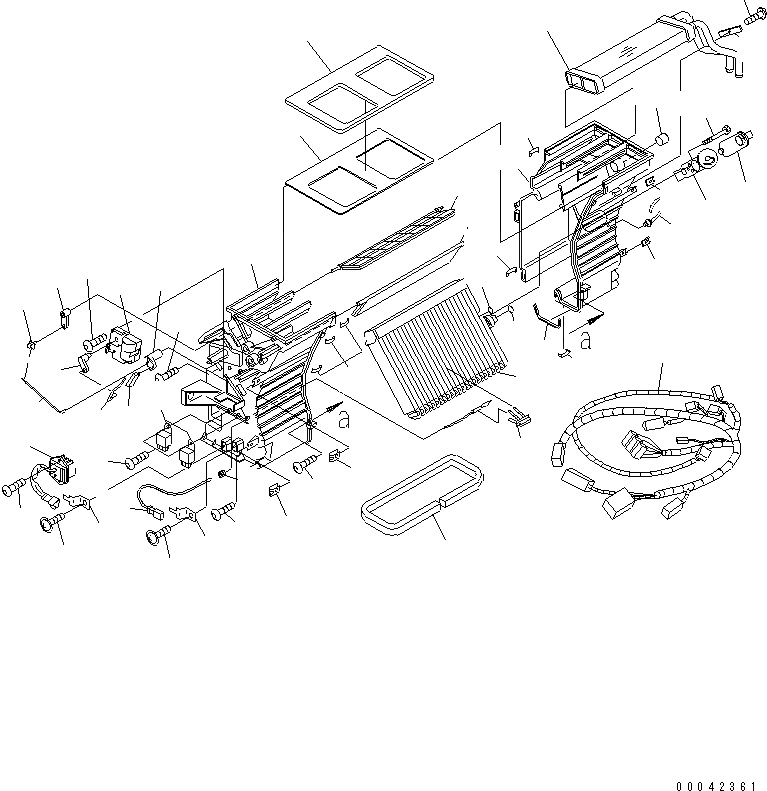
1
2
3
4
5
6
7
8
9
10
11
11
12
13
14
15
16
17
18
19
20
21
22
23
24
25
26
27
28
29
29
29
29
29
29
30
31
32
32
33
33
33
33
34
34
34
34
35
35
36
37
FIT
1:1
100%

Артикул

Название

Примечание

Количество

|1

423-07-31532

UNIT ASSY

SN: A44001-UP

1шт.

1

ANTKS-B210A0

CONTROLLER

SN: A44001-UP

1шт.

2

AN51141-10430

HEATER CORE ASS'Y

SN: A44001-UP

1шт.

3

AN51150-12590

CASE ASS'Y

SN: A44001-UP

1шт.

4

AN51150-12600

CASE ASS'Y

SN: A44001-UP

1шт.

5

AN51159-41840

OUTLET

SN: A44001-UP

1шт.

6

AN51184-40820

GROMMET

SN: A44001-UP

1шт.

7

AN51191-58720

PACKING

SN: A44001-UP

1шт.

8

AN51191-58830

PACKING

SN: A44001-UP

1шт.

9

AN51191-59410

PACKING

SN: A44001-UP

1шт.

10

AN51243-41500

PIPE

SN: A44001-UP

1шт.

11

AN51259-41750

CONNECTOR

SN: A44001-UP

2шт.

12

AN51502-15130

MOTOR ACTUATOR

SN: A44001-UP

1шт.

13

AN51436-D0580

EXPANSION VALVE

SN: A44001-UP

1шт.

14

AN51436-10320

CAP

SN: A44001-UP

1шт.

15

AN51515-A0490

EXPANSION VALVE

SN: A44001-UP

1шт.

16

AN51532-41240

THERMISTOR

SN: A44001-UP

1шт.

17

AN51550-18780

HARNESS

SN: A44001-UP

1шт.

18

AN51571-43580

LEVER

SN: A44001-UP

1шт.

19

AN51571-43590

LEVER

SN: A44001-UP

1шт.

20

AN51571-44120

LEVER

SN: A44001-UP

1шт.

21

AN51571-44320

ROD

SN: A44001-UP

1шт.

22

AN51571-44330

ROD

SN: A44001-UP

1шт.

23

AN51573-11550

DAMPER

SN: A44001-UP

1шт.

24

AN51573-11560

DAMPER

SN: A44001-UP

1шт.

25

AN51580-41010

RELAY

SN: A44001-UP

1шт.

26

AN51700-A0380

EVAPORATOR ASS'Y

SN: A44001-UP

2шт.

27

AN51439-D0041

O-RING

SN: A44001-UP

1шт.

28

AN51439-D0051

O-RING

SN: A44001-UP

1шт.

29

ANTB105160T1

SCREW

SN: A44001-UP

1шт.

30

ANTN104300T1

SCREW

SN: A44001-UP

3шт.

31

AN51581-42250

BOLT

SN: A44001-UP

2шт.

32

AN51852-40770

SCREW

SN: A44001-UP

2шт.

33

AN51853-41520

NUT

SN: A44001-UP

4шт.

34

AN51870-40040

CLAMP

SN: A44001-UP

6шт.

35

AN51870-40910

CLAMP

SN: A44001-UP

2шт.

36

AN51871-40280

BAND

SN: A44001-UP

1шт.

37

AN51873-40250

HOLDER

SN: A44001-UP

1шт.

Выбрано товаров: 38