Запчасти Komatsu WA450L-3 ОТСЕК ДВИГАТЕЛЯ(ЛИНИЯ ВЫКЛЮЧЕНИЯ СТОЯНОЧНОГО ТОРМОЗА) ЧАСТИ КОРПУСА

Схема запчастей Komatsu WA450L-3 - ОТСЕК ДВИГАТЕЛЯ(ЛИНИЯ ВЫКЛЮЧЕНИЯ СТОЯНОЧНОГО ТОРМОЗА) ЧАСТИ КОРПУСА
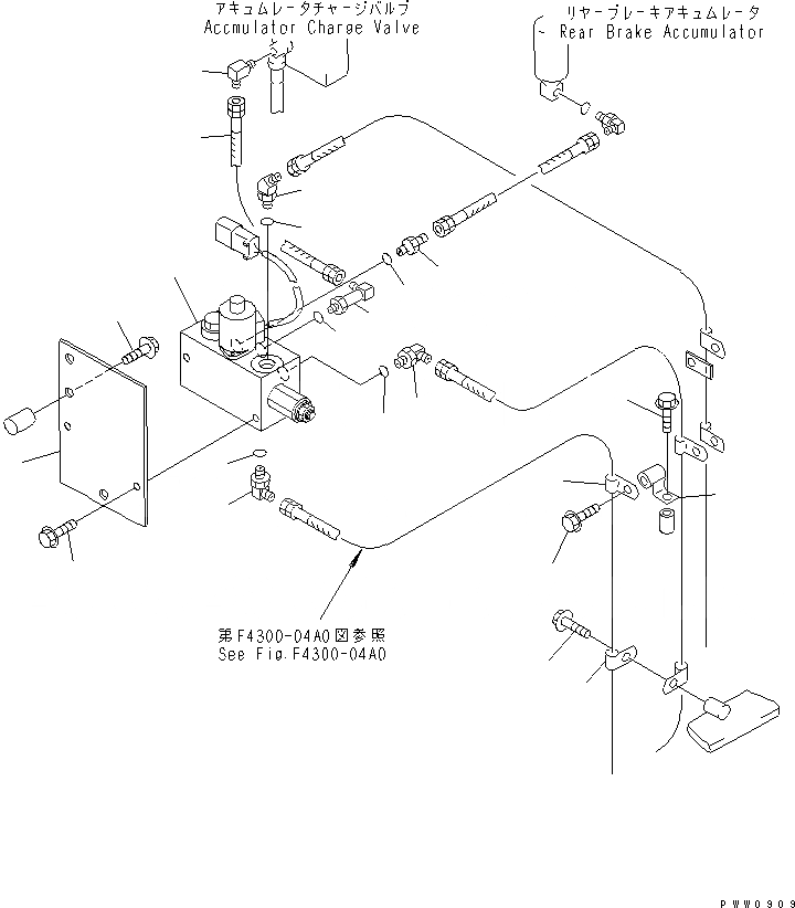
1
2
3
4
5
6
6
7
7
8
9
10
11
12
13
14
15
16
17
18
19
20
FIT
1:1
100%

Артикул

Название

Примечание

Количество

1

419-43-27912

VALVE ASS'Y,BRAKE

SN: 53001-UP

1шт.

2

07230-20210

UNION

SN: 53001-UP

1шт.

3

07002-01423

O-RING

SN: 53001-UP

1шт.

4

421-43-27510

ELBOW

SN: 53001-UP

1шт.

5

07002-01423

O-RING

SN: 53001-UP

1шт.

6

04434-51610

CLIP

SN: 53001-UP

2шт.

7

01435-01016

BOLT

SN: 53001-UP

2шт.

8

07236-10210

ELBOW

SN: 53001-UP

1шт.

9

07002-01423

O-RING

SN: 53001-UP

1шт.

10

07002-01423

O-RING

SN: 53001-UP

1шт.

11

421-43-27510

ELBOW

SN: 53001-UP

1шт.

12

07002-01423

O-RING

SN: 53001-UP

1шт.

13

205-62-74540

ELBOW

SN: 53001-UP

1шт.

14

07102-20203

HOSE

SN: 53001-UP

1шт.

15

19M-60-15320

ELBOW

SN: 53001-UP

1шт.

16

421-43-27960

SUPPORT

SN: 53001-UP

1шт.

17

01435-01016

BOLT

SN: 53001-UP

1шт.

18

419-43-27920

PLATE

SN: 53001-UP

1шт.

19

01435-00816

BOLT

SN: 53001-UP

2шт.

20

01435-01016

BOLT

SN: 53001-UP

3шт.

Выбрано товаров: 20