Запчасти Komatsu WA470-1 ГИДР. НАСОС. (/) УПРАВЛ-Е РАБОЧИМ ОБОРУДОВАНИЕМ

Схема запчастей Komatsu WA470-1 - ГИДР. НАСОС. (/) УПРАВЛ-Е РАБОЧИМ ОБОРУДОВАНИЕМ
FIT
1:1
100%

Артикул

Название

Примечание

Количество

|$0

705-52-20240

PUMP ASS'Y,(SAR50+20)

SN: 20091-UP

1шт.

|$1

0

PUMP ASS'Y,(SAR50+20)

SN: 20001-20090

1шт.

|$2

705-52-20100

PUMP ASS'Y,(SAL50+16)

SN: 10001-19999

1шт.

|$3

705-12-34240

PUMP ASS'Y,(SAR50)

SN: 20091-UP

1шт.

|$4

705-12-34210

PUMP ASS'Y,(SAR50)

SN: 10001-20090

1шт.

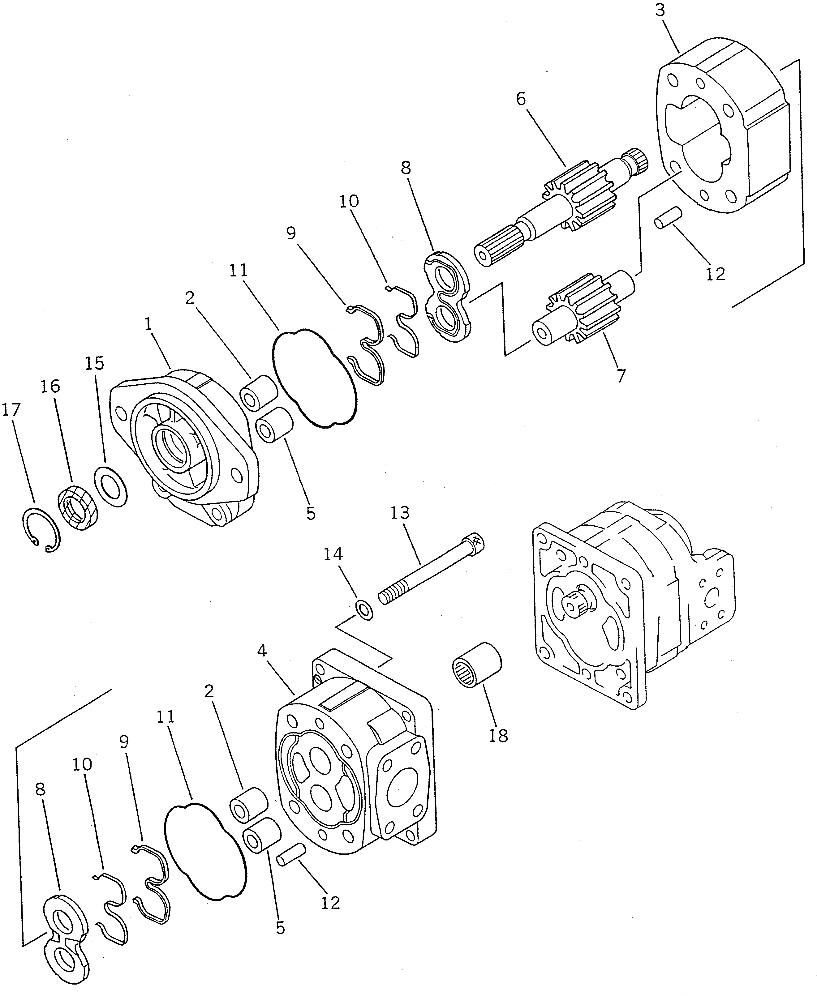
1

0

BRACKET ASS'Y

SN: 10001-UP

1шт.

2

0

BUSHING

SN: 10001-UP

2шт.

3

0

CASE,GEAR

SN: 10001-UP

1шт.

4

0

CARRIER ASS'Y

SN: 10001-UP

1шт.

5

0

BUSHING

SN: 10001-UP

2шт.

6

0

GEAR,DRIVE

SN: 10001-UP

1шт.

7

0

GEAR,DRIVEN

SN: 10001-UP

1шт.

8

705-17-02612

PLATE,SIDE

SN: 10001-UP

2шт.

9

705-17-02460

RING,SEAL

SN: 20091-UP

2шт.

9

0

RING,SEAL

SN: 10001-20090

2шт.

10

705-17-02430

RING,BACK-UP

SN: 20091-UP

2шт.

10

0

RING,BACK-UP

SN: 10001-20090

2шт.

11

705-17-02360

O-RING

SN: 20091-UP

2шт.

11

705-17-02381

O-RING

SN: 10001-20090

2шт.

12

04020-01024

PIN,DOWEL

SN: 10001-UP

4шт.

13

705-17-02790

BOLT

SN: 10001-UP

4шт.

14

01643-51232

WASHER

SN: 10001-UP

4шт.

15

705-17-02870

PLATE

SN: 10001-UP

1шт.

16

705-17-02830

SEAL,OIL

SN: 20091-UP

1шт.

16

0

SEAL,OIL

SN: 10001-20090

1шт.

17

04065-04018

RING,SNAP

SN: 10001-UP

1шт.

18

705-17-02330

COUPLING ASS'Y

SN: 10001-UP

1шт.

Выбрано товаров: 27