Запчасти Komatsu WA470-1 ГИДРОЛИНИЯ (ЛИНИЯ ОХЛАЖДЕНИЯ)(№-9999) УПРАВЛ-Е РАБОЧИМ ОБОРУДОВАНИЕМ

Схема запчастей Komatsu WA470-1 - ГИДРОЛИНИЯ (ЛИНИЯ ОХЛАЖДЕНИЯ)(№-9999) УПРАВЛ-Е РАБОЧИМ ОБОРУДОВАНИЕМ
FIT
1:1
100%

Артикул

Название

Примечание

Количество

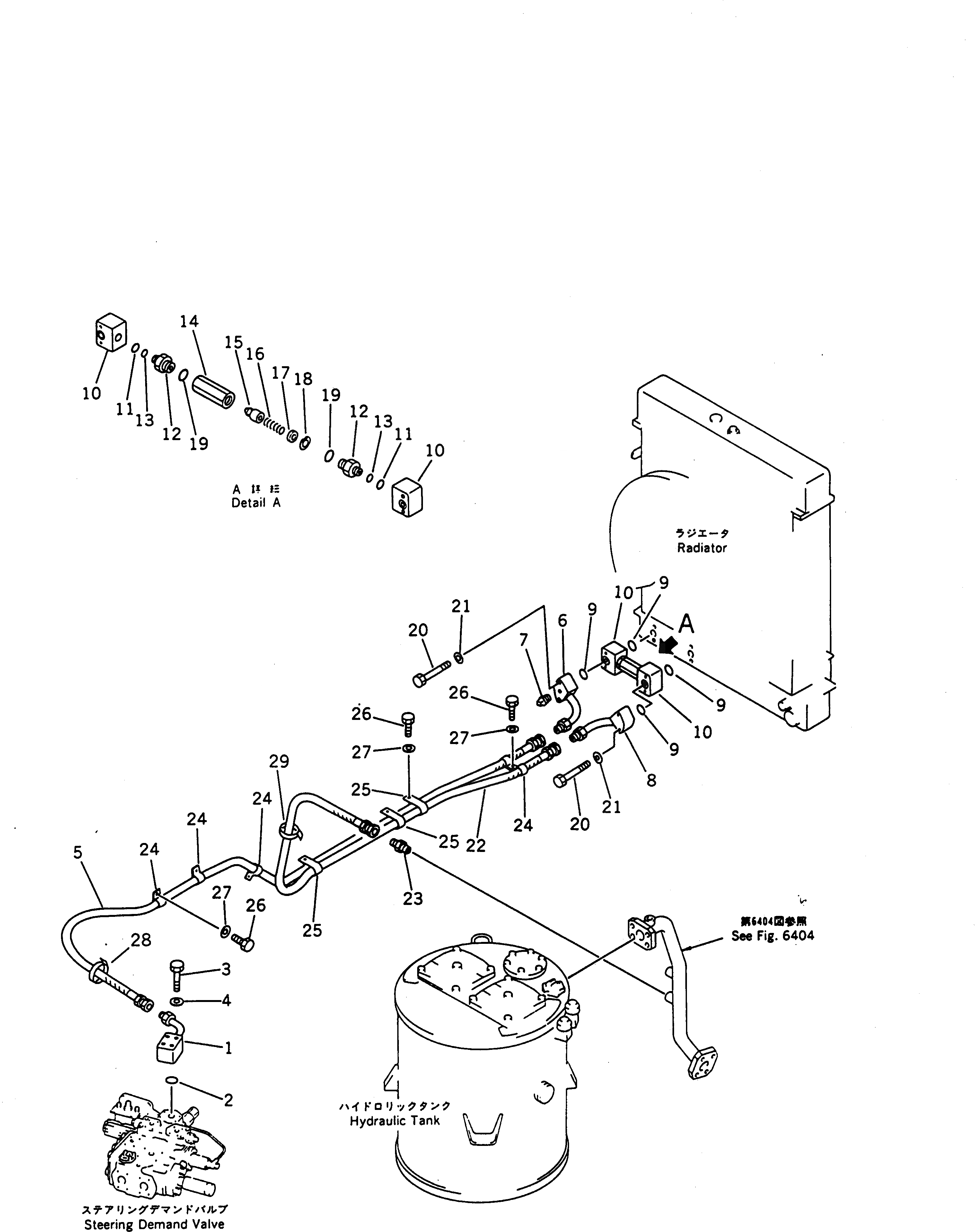
1

421-62-13614

TUBE

SN: 10001-19999

1шт.

2

07000-13035

O-RING

SN: 10001-@

1шт.

3

01011-51015

BOLT

SN: 10001-19999

4шт.

4

01643-31032

WASHER

SN: 10001-19999

4шт.

5

07102-20632

HOSE

SN: 10001-19999

1шт.

6

421-62-14382

TUBE

SN: 10001-19999

1шт.

7

07042-30108

PLUG

SN: 10001-19999

1шт.

8

421-62-14391

TUBE

SN: 10001-19999

1шт.

9

07000-13028

O-RING

SN: 10001-19999

4шт.

10

421-62-14410

BLOCK

SN: 10001-19999

2шт.

11

07000-13025

O-RING

SN: 10001-19999

2шт.

12

421-62-14420

BOSS

SN: 10001-19999

2шт.

13

07000-13022

O-RING

SN: 10001-19999

2шт.

|$13

205-60-51400

VALVE ASS'Y,RELIEF

SN: 10001-19999

1шт.

14

205-60-51340

BODY

SN: 10001-19999

1шт.

15

205-60-51350

POPPET

SN: 10001-19999

1шт.

16

205-60-51360

SPRING

SN: 10001-19999

1шт.

17

205-60-51370

SEAT

SN: 10001-19999

1шт.

18

04065-03815

RING,SNAP

SN: 10001-19999

1шт.

19

07002-14234

O-RING

SN: 10001-19999

2шт.

20

01011-51020

BOLT

SN: 10001-19999

4шт.

21

01643-31032

WASHER

SN: 10001-19999

4шт.

22

07102-20620

HOSE

SN: 10001-19999

1шт.

23

07238-00628

CONNECTOR

SN: 10001-19999

1шт.

24

08036-03014

CLIP

SN: 10001-19999

5шт.

25

6693-53-9740

CLIP

SN: 10001-19999

3шт.

26

01010-51020

BOLT

SN: 10001-19999

7шт.

27

01643-31032

WASHER

SN: 10001-19999

7шт.

28

08034-00823

BAND

SN: 10001-19999

1шт.

29

08034-00519

BAND

SN: 10001-19999

1шт.

Выбрано товаров: 30