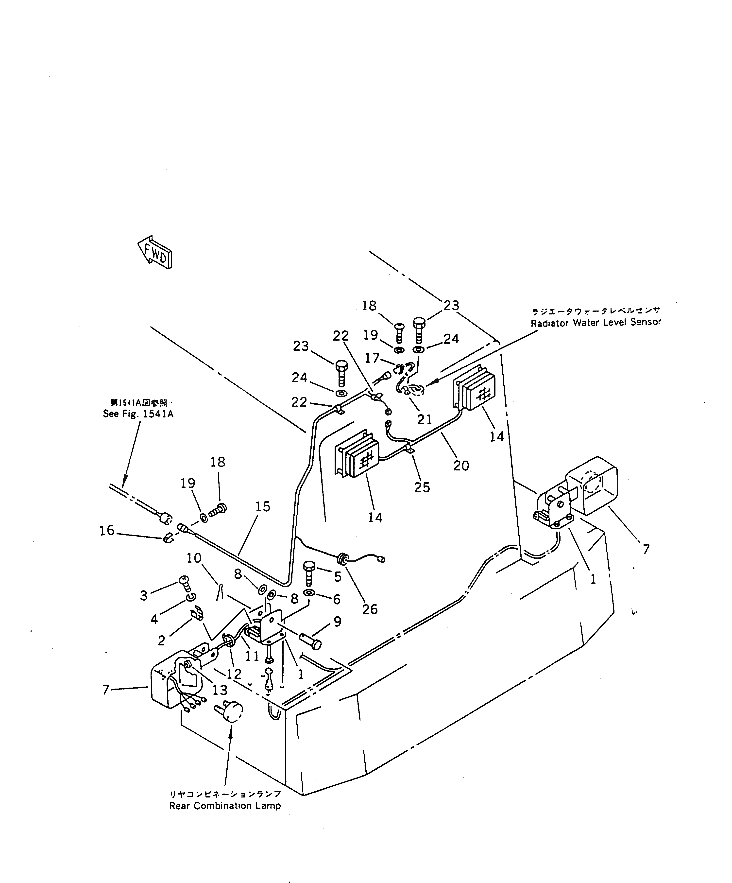
Запчасти Komatsu WA470-1 ЭЛЕКТРИКА (ЗАДН. ОСВЕЩЕНИЕ) (СПЕЦ-Я TBG)(№-) СПЕЦ. APPLICATION ЧАСТИ

Схема запчастей Komatsu WA470-1 - ЭЛЕКТРИКА (ЗАДН. ОСВЕЩЕНИЕ) (СПЕЦ-Я TBG)(№-) СПЕЦ. APPLICATION ЧАСТИ
FIT
1:1
100%

Артикул

Название

Примечание

Количество

1

424-06-13131

BRACKET

SN: 20001-UP

2шт.

2

419-54-14310

SPRING

SN: 20001-UP

4шт.

3

01220-40408

SCREW

SN: 20001-UP

8шт.

4

01601-20410

WASHER,SPRING

SN: 20001-UP

8шт.

5

01010-51020

BOLT

SN: 20001-UP

8шт.

6

01643-31032

WASHER

SN: 20001-UP

8шт.

7

424-06-13142

BRACKET,L.H.

SN: 20001-UP

1шт.

7

424-06-13152

BRACKET,R.H.

SN: 20001-UP

1шт.

8

01640-21626

WASHER

SN: 20001-UP

4шт.

9

417-06-13630

PIN

SN: 20001-UP

2шт.

10

04050-14020

PIN,COTTER

SN: 20001-UP

2шт.

11

424-06-12640

WIRE

SN: 20001-UP

2шт.

12

08034-00414

BAND

SN: 20001-UP

2шт.

13

08037-01008

GROMMET

SN: 20001-UP

2шт.

14

421-06-13202

WORK LAMP ASS'Y

SN: 20001-UP

2шт.

14

22W-06-12170

BULB

SN: 20001-UP

1шт.

14

421-06-13120

CUSHION

SN: 20001-UP

4шт.

15

421-06-12123

WIRE ASS'Y

SN: 20001-UP

1шт.

16

08052-01911

CLIP

SN: 20001-UP

1шт.

17

421-06-12910

CLIP

SN: 20001-UP

1шт.

18

01220-40608

SCREW

SN: 20001-UP

2шт.

19

01641-20608

WASHER

SN: 20001-UP

2шт.

20

421-06-12131

WIRE ASS'Y

SN: 20001-UP

1шт.

21

08036-10814

CLIP

SN: 20001-UP

1шт.

22

08036-01414

CLIP

SN: 20001-UP

2шт.

23

01010-51016

BOLT

SN: 20001-UP

3шт.

24

01643-31032

WASHER

SN: 20001-UP

3шт.

25

08036-10810

CLIP

SN: 20001-UP

1шт.

26

08037-01610

GROMMET

SN: 20001-UP

1шт.

Выбрано товаров: 0