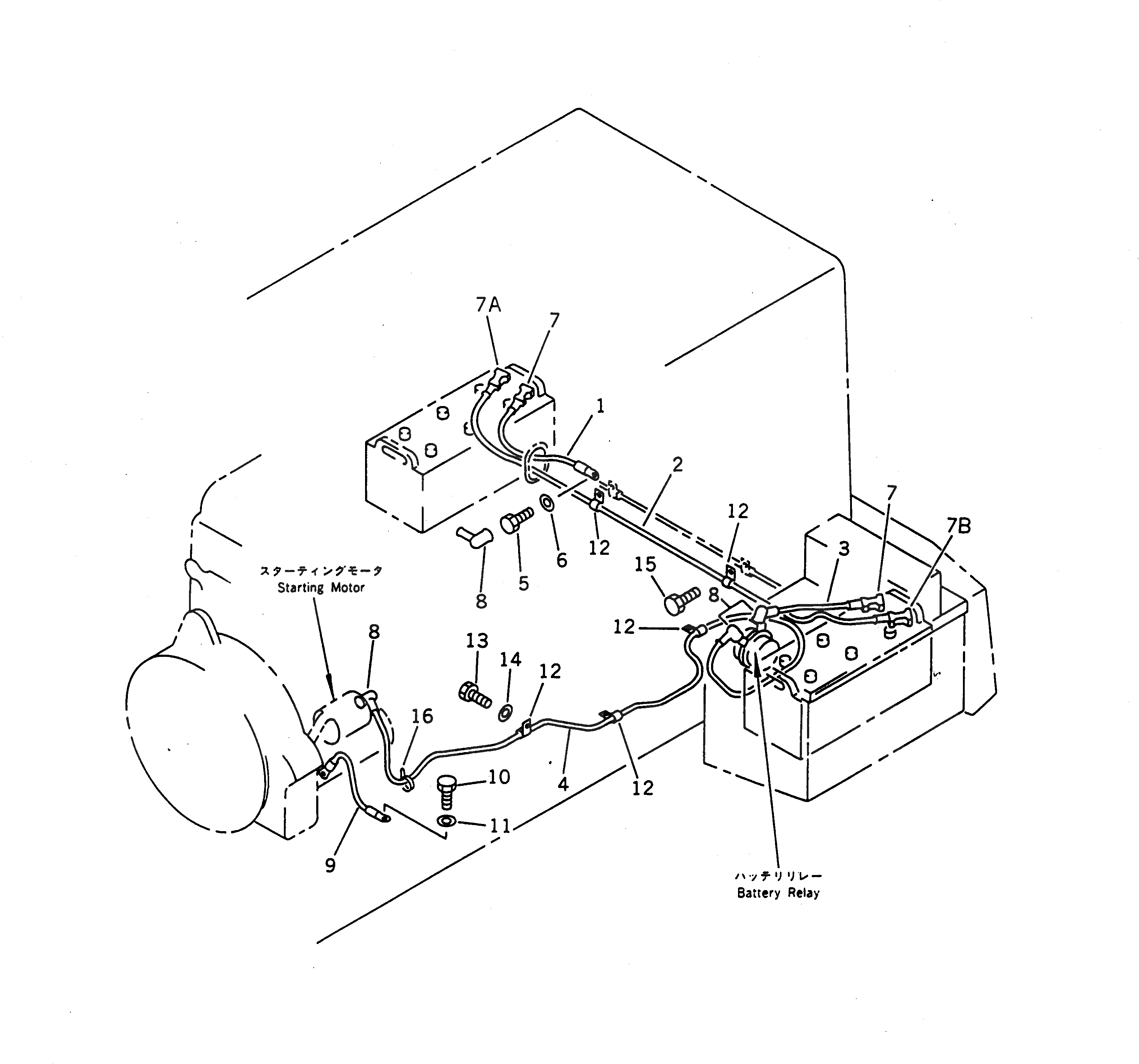
Запчасти Komatsu WA470-1 ЭЛЕКТРИКА (ЛИНИЯ АККУМУЛЯТОРА)(№-9999) КОМПОНЕНТЫ ДВИГАТЕЛЯ И ЭЛЕКТРИКА

Схема запчастей Komatsu WA470-1 - ЭЛЕКТРИКА (ЛИНИЯ АККУМУЛЯТОРА)(№-9999) КОМПОНЕНТЫ ДВИГАТЕЛЯ И ЭЛЕКТРИКА
FIT
1:1
100%

Артикул

Название

Примечание

Количество

1

421-06-12710

WIRE

SN: 10001-19999

1шт.

2

424-06-12520

WIRE

SN: 10037-@

1шт.

2

0

WIRE

SN: 10001-10036

1шт.

3

421-06-12730

WIRE

SN: 10001-19999

1шт.

4

424-06-12840

WIRE

SN: 10037-19999

1шт.

4

0

WIRE

SN: 10001-10036

1шт.

5

01010-51016

BOLT

SN: 10001-@

1шт.

6

01643-31032

WASHER

SN: 10001-@

1шт.

7

08038-22511

CAP

SN: 10001-19999

2шт.

7A

424-09-12530

BOOT

SN: 10001-@

1шт.

7B

424-09-12540

BOOT

SN: 10001-@

1шт.

8

08038-00035

CAP

SN: 10001-19999

4шт.

9

421-06-12760

WIRE

SN: 10001-19999

1шт.

10

01010-51630

BOLT

SN: 10001-19999

1шт.

11

01643-31645

WASHER

SN: 10001-@

1шт.

12

08036-01814

CLIP

SN: 10001-19999

5шт.

13

01010-51016

BOLT

SN: 10001-19999

3шт.

14

01643-31032

WASHER

SN: 10001-19999

3шт.

15

01435-01014

BOLT

SN: 10001-19999

2шт.

16

08034-00823

BAND

SN: 10001-19999

1шт.

Выбрано товаров: 0