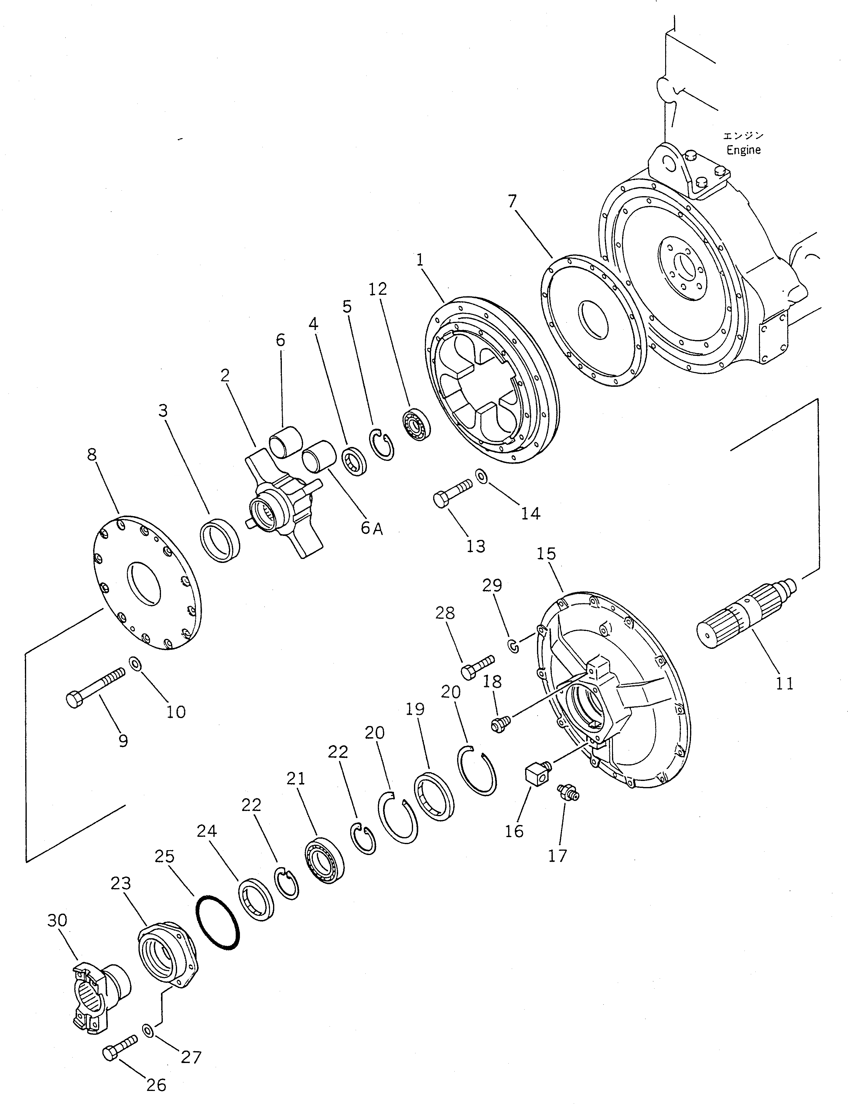
Запчасти Komatsu WA470-1 ДЕМПФЕР(№-9999) ГИДРОТРАНСФОРМАТОР И ТРАНСМИССИЯ

Схема запчастей Komatsu WA470-1 - ДЕМПФЕР(№-9999) ГИДРОТРАНСФОРМАТОР И ТРАНСМИССИЯ
FIT
1:1
100%

Артикул

Название

Примечание

Количество

|$0

421-12-12005

DAMPER ASS'Y

SN: 10001-19999

1шт.

|$1

0

DAMPER ASS'Y

SN: (10023-10068)

1шт.

|$2

0

DAMPER ASS'Y

SN: (10001-10022)

1шт.

1

421-12-12993

BODY,OUTER

SN: 10001-19999

1шт.

|$4

421-12-12213

BODY ASS'Y

SN: 10001-19999

1шт.

2

421-12-12183

BODY,INNER

SN: 10001-19999

1шт.

3

421-12-12191

SPACER

SN: 10001-19999

1шт.

4

07011-00045

SEAL,OIL

SN: 10001-19999

1шт.

5

04065-06825

RING,SNAP

SN: 10001-19999

1шт.

6

421-12-12270

RUBBER

SN: 10069-19999

4шт.

6

421-12-12170

RUBBER

SN: 10001-10068

8шт.

6

421-12-12270

RUBBER,(EUROPE SPEC.)

SN: 10059-19999

4шт.

6

421-12-12170

RUBBER,(EUROPE SPEC.)

SN: 10001-10058

8шт.

6

421-12-12270

RUBBER,(TBG SPEC.)

SN: 10083-19999

4шт.

6

421-12-12170

RUBBER,(TBG SPEC.)

SN: 10001-10082

8шт.

6A

421-12-12370

RUBBER

SN: 10069-19999

4шт.

6A

421-12-12370

RUBBER,(EUROPE SPEC.)

SN: 10059-19999

4шт.

6A

421-12-12370

RUBBER,(TBG SPEC.)

SN: 10083-19999

4шт.

7

421-12-12150

FLANGE

SN: 10001-19999

1шт.

8

421-12-12160

FLANGE

SN: 10001-19999

1шт.

9

01010-31070

BOLT

SN: 10001-19999

12шт.

10

01643-31032

WASHER

SN: 10001-19999

12шт.

11

421-12-12142

SHAFT

SN: 10001-19999

1шт.

12

06034-06207

BEARING

SN: 10001-19999

1шт.

13

01010-31040

BOLT

SN: 10001-19999

12шт.

14

01643-31032

WASHER

SN: 10001-19999

12шт.

15

421-12-12112

COVER

SN: 10001-19999

1шт.

16

425-12-11510

ELBOW

SN: 10001-19999

1шт.

17

21T-72-17690

ADAPTER

SN: 10001-19999

1шт.

18

07029-00000

VALVE,RELIEF

SN: 10001-19999

1шт.

19

07011-00095

SEAL,OIL

SN: 10001-19999

1шт.

20

04077-00120

RING,SNAP

SN: 10001-19999

2шт.

21

06000-06213

BEARING

SN: 10001-19999

1шт.

22

04064-06525

RING,SNAP

SN: 10001-19999

2шт.

23

421-12-12122

COVER

SN: 10001-19999

1шт.

24

07011-00080

SEAL,OIL

SN: 10001-19999

1шт.

25

07000-02120

O-RING

SN: 10001-19999

1шт.

26

01010-31030

BOLT

SN: 10001-19999

3шт.

27

01643-31032

WASHER

SN: 10001-19999

3шт.

28

01010-31030

BOLT

SN: 10001-19999

12шт.

29

01602-21030

WASHER,SPRING

SN: 10001-19999

12шт.

30

421-12-12132

COUPLING

SN: 10001-19999

1шт.

Выбрано товаров: 0