Запчасти Komatsu WA470-1 ВЕДУЩ. ВАЛ (ПЕРЕДН.) ВЕДУЩ. ВАЛ¤ ДИФФЕРЕНЦ. И КОЛЕСА

Схема запчастей Komatsu WA470-1 - ВЕДУЩ. ВАЛ (ПЕРЕДН.) ВЕДУЩ. ВАЛ¤ ДИФФЕРЕНЦ. И КОЛЕСА
FIT
1:1
100%

Артикул

Название

Примечание

Количество

|$0

421-20-13010

DRIVE SHAFT ASS'Y

SN: 10001-UP

1шт.

|$1

421-20-13512

DRIVE SHAFT ASS'Y

SN: 10001-UP

1шт.

|$2

421-20-13650

SHAFT ASS'Y

SN: 10001-UP

1шт.

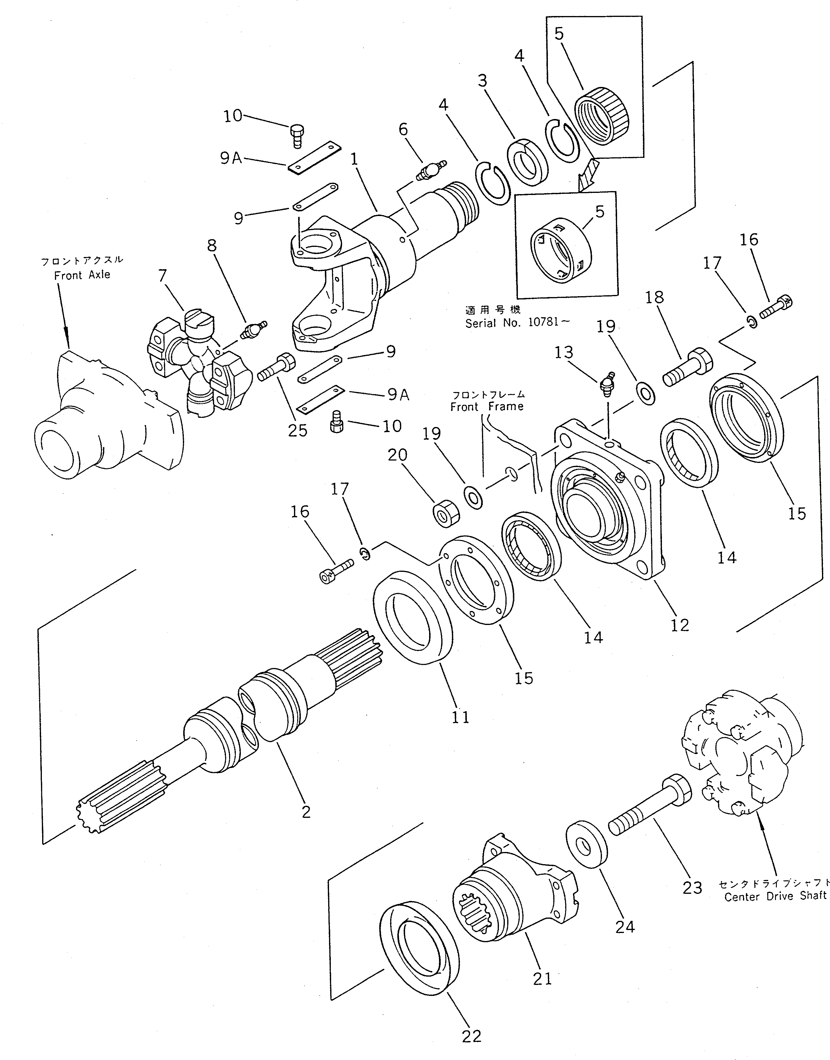
1

0

YOKE

SN: 10001-UP

1шт.

2

0

SHAFT

SN: 10001-UP

1шт.

3

423-20-12660

SEAL,OIL

SN: 10001-UP

1шт.

4

423-20-12670

RETAINER

SN: 10001-UP

2шт.

5

423-20-12682

COVER

SN: 10117-UP

1шт.

5

0

COVER

SN: 10001-10116

1шт.

6

419-20-12640

FITTING,GREASE

SN: 10001-UP

1шт.

7

421-20-13621

SPIDER ASS'Y

SN: 10117-UP

1шт.

7

0

SPIDER ASS'Y

SN: 10001-10116

1шт.

8

423-20-12640

FITTING,GREASE

SN: 10001-UP

1шт.

9

421-20-13680

PLATE

SN: 10001-UP

2шт.

9A

421-20-13670

PLATE

SN: 10001-UP

2шт.

10

421-20-13660

BOLT

SN: 10001-UP

4шт.

11

421-20-13540

DEFLECTOR

SN: 10001-UP

1шт.

12

421-20-15122

BEARING,FLANGE

SN: 10001-UP

1шт.

13

07020-00675

FITTING,GREASE

SN: 10001-UP

1шт.

14

421-20-15620

SEAL

SN: 10001-UP

2шт.

15

421-20-15630

COVER

SN: 10001-UP

2шт.

16

01252-40625

BOLT

SN: 10001-UP

12шт.

17

01602-20619

WASHER,SPRING

SN: 10001-UP

12шт.

18

01010-32075

BOLT

SN: 10001-UP

4шт.

19

01643-32060

WASHER

SN: 10001-UP

8шт.

20

01580-02016

NUT

SN: 10001-UP

4шт.

|$26

421-20-13030

COUPLING ASS'Y

SN: 10001-UP

1шт.

21

421-20-13532

COUPLING

SN: 10001-UP

1шт.

22

421-20-13540

DEFLECTOR

SN: 10001-UP

1шт.

23

01011-62405

BOLT

SN: 10001-UP

1шт.

24

424-20-13520

HOLDER

SN: 10001-UP

1шт.

25

01050-61260

BOLT

SN: 10001-UP

4шт.

Выбрано товаров: 0