Запчасти Komatsu WA470-1 КОРПУС ПЕРЕДНЕГО МОСТА ВЕДУЩ. ВАЛ¤ ДИФФЕРЕНЦ. И КОЛЕСА

Схема запчастей Komatsu WA470-1 - КОРПУС ПЕРЕДНЕГО МОСТА ВЕДУЩ. ВАЛ¤ ДИФФЕРЕНЦ. И КОЛЕСА
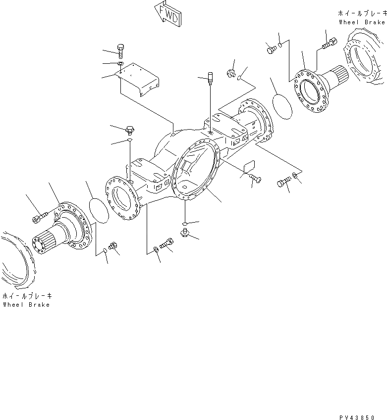
1
2
2
3
3
4
4
5
6
7
7
8
8
9
10
10
11
11
12
12
13
13
14
15
16
17
18
FIT
1:1
100%

Артикул

Название

Примечание

Количество

|$0

421-22-10083

AXLE ASS'Y

SN: A30501-UP

1шт.

|$1

421-22-13082

HOUSING ASS'Y

SN: A30501-UP

1шт.

1

421-22-13451

HOUSING

SN: A30501-UP

1шт.

2

421-22-13230

SHAFT

SN: A30501-UP

2шт.

3

07000-05220

O-RING

SN: A30501-UP

2шт.

4

01252-31040

BOLT

SN: A30501-UP

6шт.

5

07044-13620

PLUG

SN: A30501-UP

1шт.

6

07002-03634

O-RING (K4)

SN: A30501-UP

1шт.

7

566-16-11351

PLUG

SN: A30501-UP

2шт.

8

07002-03634

O-RING (K4)

SN: A30501-UP

2шт.

9

07030-01030

BREATHER

SN: A30501-UP

1шт.

10

07040-11007

PLUG

SN: A30501-UP

4шт.

11

07002-01023

O-RING (K5)

SN: A30501-UP

4шт.

12

01010-62495

BOLT

SN: A30501-UP

32шт.

13

01643-32460

WASHER

SN: A30501-UP

32шт.

14

421-22-13290

BRACKET

SN: A30501-UP

1шт.

15

01010-31045

BOLT

SN: A30501-UP

1шт.

16

01643-31032

WASHER

SN: A30501-UP

1шт.

17

22X-22-13171

PLATE, NAME,(LIMITED SUPPLY)

SN: A30501-UP

1шт.

18

04418-03060

SCREW

SN: A30501-UP

4шт.

Выбрано товаров: 20