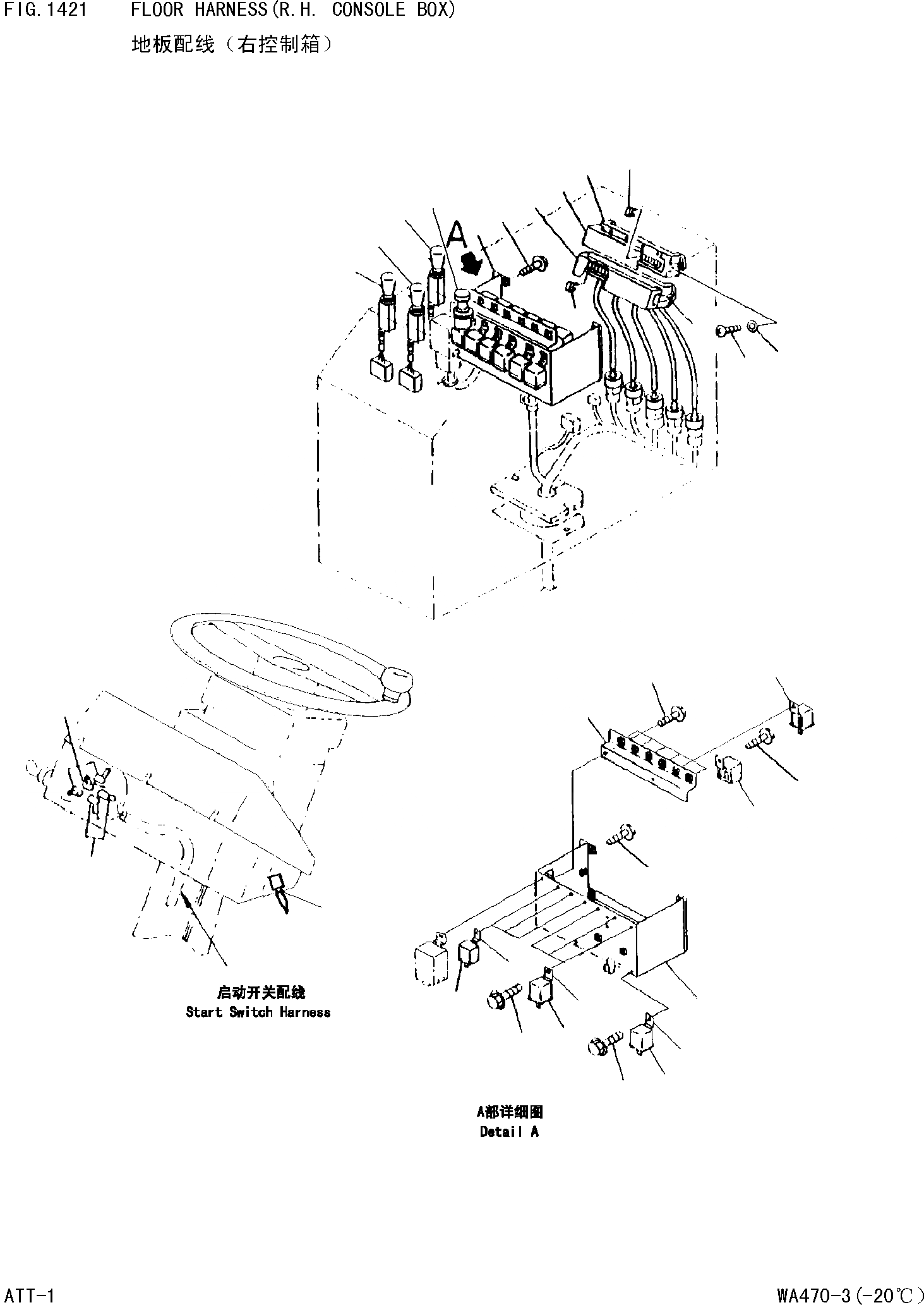
Запчасти Komatsu WA470-3 ПОЛ Э/ПРОВОДКА (R.H КОНСОЛЬН. БЛОК)

Схема запчастей Komatsu WA470-3 - ПОЛ Э/ПРОВОДКА (R.H КОНСОЛЬН. БЛОК)
16
16
20
2
3
4
1
3
4
1
3
7
21
5
6
1
4
2
9
8
14
15
18
19
22
17
7
6
10
13
11
12
FIT
1:1
100%

Артикул

Название

Примечание

Количество

1

569-06-61960

RELAY

10шт.

2

569-06-61970

RELAY

4шт.

3

287-06-16420

BRACKET

14шт.

4

01435-00610

BOLT

14шт.

5

423-06-11220

PLATE

1шт.

6

01435-00616

BOLT

2шт.

7

419-06-22380

BOX

1шт.

8

423-06-22330

FUSE BOX,FUSE

1шт.

9

283-06-16190

FUSE 10A

12шт.

|$10

22W-06-13160

FUSE

4шт.

10

283-06-16120

COVER

1шт.

11

423-06-22340

FUSE BOX?FUSE

1шт.

12

283-06-16190

FUSE 10A

7шт.

|$14

22W-06-13160

FUSE

4шт.

13

283-06-16120

COVER

1шт.

14

01220-40516

SCREW

4шт.

15

01641-20508

WASHER

4шт.

16

08038-00518

CAP

5шт.

17

08913-02401

LIGHTER

1шт.

18

421-06-16141

SWITCH,WIPER,FRONT

1шт.

19

421-06-16150

SWITCH,WIPER,REAR(OPT)

1шт.

20

418-06-11410

SWITCH

1шт.

21

01435-00612

BOLT

4шт.

22

416-06-21120

SWITCH

1шт.

Выбрано товаров: 24