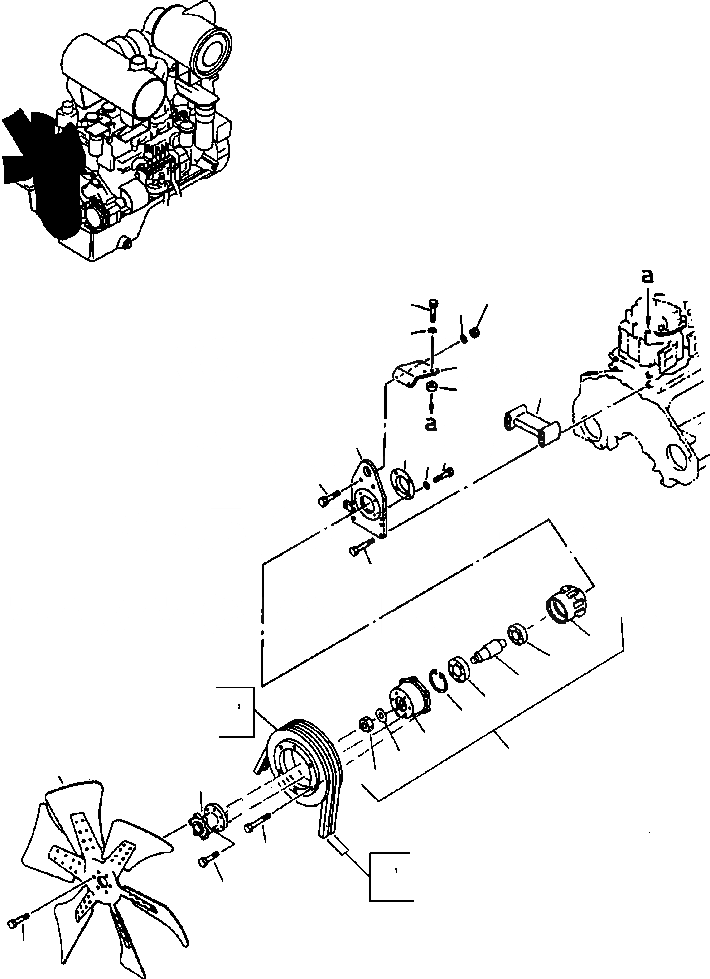
Запчасти Komatsu WA470-3 Active ВЕНТИЛЯТОР ДВИГАТЕЛЬ, КРЕПЛЕНИЕ ДВИГАТЕЛЯ

Схема запчастей Komatsu WA470-3 Active - ВЕНТИЛЯТОР ДВИГАТЕЛЬ, КРЕПЛЕНИЕ ДВИГАТЕЛЯ
22A
23
24A
1A
20
16
21
17
15
13
18
12
10
9
11
19
14
7
3
6
22
8
2
5
1
25
4
27
24
28
26
FIT
1:1
100%

Артикул

Название

Примечание

Количество

1

6151-61-3101

SUPPORT

DeutschDesc: LAGERUNG

1шт.

1A

6151-61-3152

HOUSING

DeutschDesc: GEHAEUSE

1шт.

2

6151-61-3110

HUB

DeutschDesc: NABE

1шт.

3

6151-61-3170

SHAFT

DeutschDesc: WELLE

1шт.

4

01583-02414

NUT

DeutschDesc: MUTTER

1шт.

5

01643-32460

PLAIN WASHER

DeutschDesc: UNTERLEGSCHEIBE

1шт.

6

06037-06307

BEARING

DeutschDesc: LAGER

1шт.

7

06037-06206

BEARING

DeutschDesc: LAGER

1шт.

8

04065-08025

SNAP RING

DeutschDesc: SPRENGRING

1шт.

9

01010-81030

SCREW

DeutschDesc: SCHRAUBE

4шт.

10

6151-61-3970

RING

DeutschDesc: RING

1шт.

11

01641-21016

PLAIN WASHER

DeutschDesc: UNTERLEGSCHEIBE

4шт.

12

6151-61-4430

PLATE

DeutschDesc: PLATTE

1шт.

13

6150-61-3540

SPACER

DeutschDesc: ABSTANDSTUECK

1шт.

14

01011-81015

SCREW

DeutschDesc: SCHRAUBE

4шт.

15

6151-61-3551

BRACKET

DeutschDesc: HALTER

1шт.

16

01010-81095

SCREW

DeutschDesc: SCHRAUBE

2шт.

17

01640-21016

PLAIN WASHER

DeutschDesc: UNTERLEGSCHEIBE

1шт.

18

6131-12-5920

SPACER

DeutschDesc: ABSTANDSTUECK

2шт.

19

01010-81040

SCREW

DeutschDesc: SCHRAUBE

2шт.

20

01580-11008

NUT

DeutschDesc: MUTTER

2шт.

21

01643-31032

PLAIN WASHER

DeutschDesc: UNTERLEGSCHEIBE

2шт.

22

6151-61-3630

PULLEY

DeutschDesc: RIEMENSCHEIBE

1шт.

22A

6151-61-4620

PULLEY

EnglischBem: NORTH AFRICA

1шт.

23

01010-81030

SCREW

DeutschDesc: SCHRAUBE

6шт.

24

04121-22271

V-BELT

DeutschDesc: KEILRIEMENSATZ

1шт.

24A

04121-22269

V-BELT

EnglischBem: NORTH AFRICA

1шт.

25

600-633-7850

FAN

DeutschDesc: LUEFTER

1шт.

26

01010-81030

SCREW

DeutschDesc: SCHRAUBE

6шт.

27

6151-61-3730

HOLDING FIXTURE

DeutschDesc: AUFNAHME

1шт.

28

01010-81030

SCREW

DeutschDesc: SCHRAUBE

6шт.

Выбрано товаров: 31