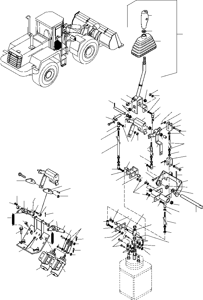
Запчасти Komatsu WA470-3 Active УДАЛЕНН. УПРАВЛЯЮЩ. КЛАПАН, РЫЧАГ УПРАВЛ-Е ГИДРАВЛИКА

Схема запчастей Komatsu WA470-3 Active - УДАЛЕНН. УПРАВЛЯЮЩ. КЛАПАН, РЫЧАГ УПРАВЛ-Е ГИДРАВЛИКА
10
3
10
19
26
24
22
10
43
2
55
61
5
31
1
6
10
23
7
24
8
17
10
21
16
31
29
13
20
12
9
27
15
14
29
30
21
20
18
20
23
25
24
11
26
32
28
34
29
26
30
22
29
69
66
17
24
9
24
68
64
33
65
18
68
34
58
23
15
56
67
54
24
59
58
57
10
45
55
24
21
56
38
42
46
37
20
51
50
53
22
52
44
35
62
60
24
20
36
48
24
63
40
23
38
62
41
30
63
39
39
47
62
41
49
49
FIT
1:1
100%

Артикул

Название

Примечание

Количество

1

421-V91-2111

LEVER

DeutschDesc: HEBEL

1шт.

2

421-V91-2121

LEVER

DeutschDesc: HEBEL

1шт.

3

421-06-25511

GRIP ASS'Y

DeutschDesc: GRIFF KPL

1шт.

|$70

GRIP ASS'Y

DeutschDesc: GRIFF KPL

-3шт.

4

NOT USED

DeutschDesc: NICHT VERWENDET

-1шт.

5

421-09-21230

NUT

DeutschDesc: MUTTER

1шт.

6

421-43-28431

BELLOWS

DeutschDesc: FALTENBALG

1шт.

7

423-43-18350

SPOUT

DeutschDesc: TUELLE

1шт.

8

08056-00050

ELECTRICAL PLUG

DeutschDesc: STECKER

1шт.

9

421-V91-2130

LEVER

DeutschDesc: HEBEL

1шт.

10

06124-02020

NEEDLE BEARING

DeutschDesc: NADELLAGER

8шт.

11

421-V91-2210

LEVER

DeutschDesc: HEBEL

1шт.

12

419-V91-1190

PIN

DeutschDesc: BOLZEN

1шт.

13

419-V91-1210

DISTANCE PIECE

DeutschDesc: DISTANZSTUECK

1шт.

14

01435-00612

SCREW

DeutschDesc: SCHRAUBE

1шт.

15

426-43-18850

DISC

DeutschDesc: SCHEIBE

11шт.

16

421-43-28210

SHAFT

DeutschDesc: WELLE

1шт.

17

04025-00616

PEG

DeutschDesc: STIFT

2шт.

18

421-V91-2320

DISTANCE PIECE

DeutschDesc: DISTANZSTUECK

2шт.

19

421-V91-2180

ROD

DeutschDesc: STANGE

1шт.

20

01508-40603

NUT

DeutschDesc: MUTTER

4шт.

21

04256-50615

KNUCKLE

DeutschDesc: GELENK

3шт.

22

04256-40615

KNUCKLE

DeutschDesc: GELENK

3шт.

23

426-09-11130

NUT

DeutschDesc: MUTTER

4шт.

24

01643-30623

PLAIN WASHER

DeutschDesc: UNTERLEGSCHEIBE

12шт.

25

421-V91-2140

ROD

DeutschDesc: STANGE

1шт.

26

01580-10605

NUT

DeutschDesc: MUTTER

5шт.

27

04221-20634

FORK HEAD

DeutschDesc: GABELKOPF

1шт.

28

04211-20634

FORK HEAD

DeutschDesc: GABELKOPF

1шт.

29

01641-20608

DISC

DeutschDesc: SCHEIBE

4шт.

30

04205-10620

PIN

DeutschDesc: BOLZEN

10шт.

31

04050-11612

COTTER

DeutschDesc: SPLINT

2шт.

32

421-V91-2530

ROD

DeutschDesc: STANGE

1шт.

33

421-V91-2440

LEVER

DeutschDesc: HEBEL

1шт.

34

421-43-18970

BUSHING

DeutschDesc: BUCHSE

2шт.

35

421-V91-H110

ROCKER SHAFT

DeutschDesc: KIPPWELLE

1шт.

36

421-V91-2410

LEVER

DeutschDesc: HEBEL

1шт.

37

421-43-18970

BUSHING

DeutschDesc: BUCHSE

2шт.

38

419-00-H1130

NUT

DeutschDesc: MUTTER

2шт.

39

421-43-18591

PLATE

DeutschDesc: PLATTE

8шт.

40

04052-10633

HAIR PIN

DeutschDesc: FEDERSTECKER

8шт.

41

01641-20608

DISC

DeutschDesc: SCHEIBE

8шт.

42

426-09-H1140

NUT

DeutschDesc: MUTTER

1шт.

43

01643-30823

PLAIN WASHER

DeutschDesc: UNTERLEGSCHEIBE

2шт.

44

04248-30606

ROD

DeutschDesc: STANGE

1шт.

45

421-V91-2190

LEVER

DeutschDesc: HEBEL

1шт.

46

421-V91-2240

SHAFT

DeutschDesc: WELLE

1шт.

47

421-V91-2260

BRACKET

DeutschDesc: HALTER

1шт.

48

01435-01016

SCREW

DeutschDesc: SCHRAUBE

3шт.

49

421-06-11542

MAGNET

DeutschDesc: MAGNET

2шт.

50

01435-00616

SCREW

DeutschDesc: SCHRAUBE

8шт.

51

234-885-1690

SPRING

DeutschDesc: FEDER

2шт.

52

425-43-18320

LEVER

DeutschDesc: HEBEL

1шт.

53

421-43-18850

BUSHING

DeutschDesc: BUCHSE

2шт.

54

421-V91-2460

LEVER

DeutschDesc: HEBEL

1шт.

55

421-43-18850

BUSHING

DeutschDesc: BUCHSE

2шт.

56

04050-13022

COTTER

DeutschDesc: SPLINT

2шт.

57

421-43-18711

JOURNAL

DeutschDesc: ZAPFEN

2шт.

58

01643-30623

PLAIN WASHER

DeutschDesc: UNTERLEGSCHEIBE

4шт.

59

01580-10605

NUT

DeutschDesc: MUTTER

2шт.

60

425-43-18140

PLATE

DeutschDesc: PLATTE

4шт.

61

04205-10620

PIN

DeutschDesc: BOLZEN

4шт.

62

01641-20608

DISC

DeutschDesc: SCHEIBE

8шт.

63

04052-10633

HAIR PIN

DeutschDesc: FEDERSTECKER

4шт.

64

425-43-18114

PLATE

DeutschDesc: PLATTE

1шт.

65

425-43-18252

PLATE

DeutschDesc: PLATTE

1шт.

66

01435-00825

SCREW

DeutschDesc: SCHRAUBE

1шт.

67

01584-00806

NUT

DeutschDesc: MUTTER

1шт.

68

421-V91-2250

BRACKET

DeutschDesc: HALTER

1шт.

69

01435-01020

SCREW

DeutschDesc: SCHRAUBE

4шт.

Выбрано товаров: 70