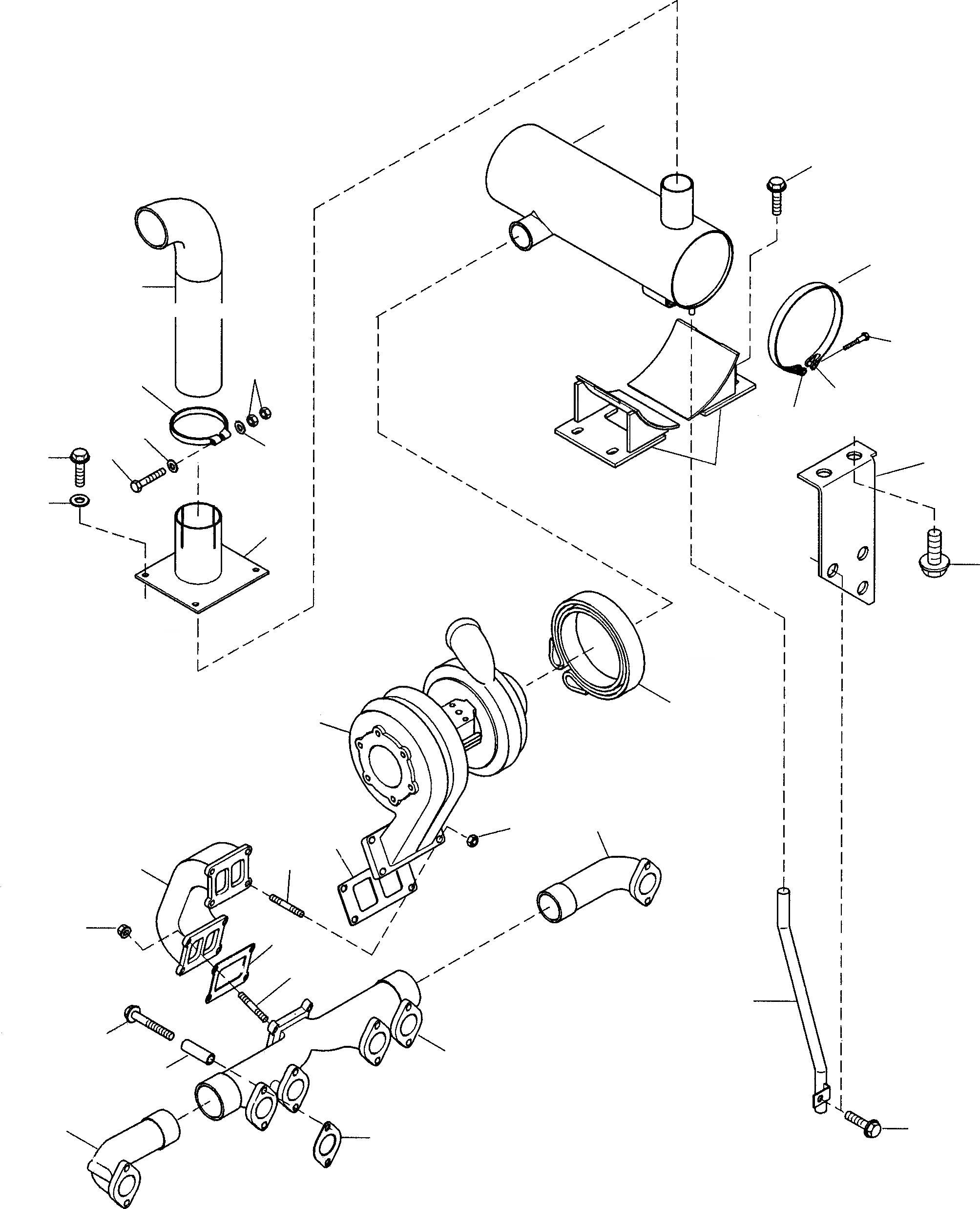
Запчасти Komatsu WA470-3 active ВЫПУСКН. СИСТЕМА ДВИГАТЕЛЬ, КРЕПЛЕНИЕ ДВИГАТЕЛЯ

Схема запчастей Komatsu WA470-3 active - ВЫПУСКН. СИСТЕМА ДВИГАТЕЛЬ, КРЕПЛЕНИЕ ДВИГАТЕЛЯ
18B
18A
17
16
18
23
19
27
24
26
25
26
21
30
15
22
20
31
14
10
1
13
11
12
6
9
7
8
28
4
2
5
1
29
3
FIT
1:1
100%

Артикул

Название

Примечание

Количество

1

CU3067406

EXHAUST MANIFOLD

DeutschDesc: AUSPUFFKRUEMMER

2шт.

2

CU3606660

EXHAUST MANIFOLD

DeutschDesc: AUSPUFFKRUEMMER

1шт.

3

CU3328948

GASKET

DeutschDesc: DICHTUNG

6шт.

4

CU3818121

SCREW

DeutschDesc: SCHRAUBE

12шт.

5

CU3818124

SPACER

DeutschDesc: ABSTANDSTUECK

12шт.

6

CU3044551

EXHAUST PIPE

DeutschDesc: AUSPUFFROHR

1шт.

7

CU3072919

GASKET

DeutschDesc: DICHTUNG

1шт.

8

6732-81-8810

STUD BOLT

DeutschDesc: STIFTSCHRAUBE

4шт.

9

6732-81-8820

NUT

DeutschDesc: MUTTER

4шт.

10

CU3803939

TURBOCHARGER

DeutschDesc: TURBOLADER

1шт.

11

CU3072919

GASKET

DeutschDesc: DICHTUNG

1шт.

12

6732-81-8810

STUD BOLT

DeutschDesc: STIFTSCHRAUBE

4шт.

13

6732-81-8820

NUT

DeutschDesc: MUTTER

4шт.

14

CU3896337

CLIP

DeutschDesc: SCHELLE

1шт.

15

421-01-H2330

BRACKET

DeutschDesc: HALTER

2шт.

16

01435-01020

SCREW

DeutschDesc: SCHRAUBE

4шт.

17

421-01-A2010

SILENCER

DeutschDesc: SCHALLDAEMPFER

1шт.

18

6151-11-5770

BAND

DeutschDesc: BAND

1шт.

18A

6691-21-6550

PIN

DeutschDesc: BOLZEN

1шт.

18B

6691-21-6560

PIN

DeutschDesc: BOLZEN

1шт.

19

6643-11-4641

SCREW

DeutschDesc: SCHRAUBE

2шт.

20

421-01-H2530

BRACKET

DeutschDesc: HALTER

1шт.

21

01435-01225

SCREW

DeutschDesc: SCHRAUBE

4шт.

22

124-54-26540

PLAIN WASHER

DeutschDesc: UNTERLEGSCHEIBE

4шт.

23

424-02-A1020

EXHAUST PIPE

DeutschDesc: AUSPUFFROHR

1шт.

24

421-02-11120

CLIP

DeutschDesc: SCHELLE

1шт.

25

6693-12-5550

SCREW

DeutschDesc: SCHRAUBE

1шт.

26

6151-11-5670

DISC

DeutschDesc: SCHEIBE

2шт.

27

01582-01411

NUT

DeutschDesc: MUTTER

2шт.

28

421-01-H2610

PIPE

DeutschDesc: ROHRLEITUNG

1шт.

29

01435-01020

SCREW

DeutschDesc: SCHRAUBE

3шт.

30

421-01-H2640

BRACKET

DeutschDesc: HALTER

1шт.

31

01435-01025

SCREW

DeutschDesc: SCHRAUBE

2шт.

Выбрано товаров: 33