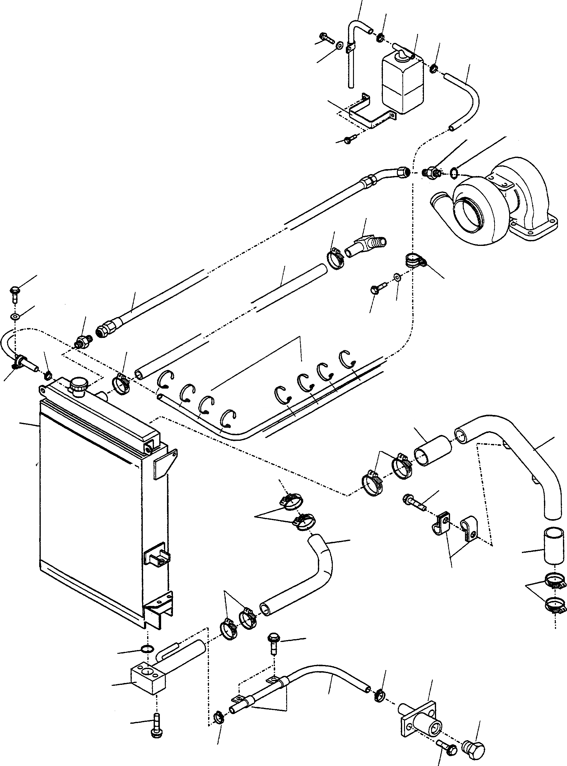
Запчасти Komatsu WA470-3 active ОХЛАЖД-Е ВОДН. PIPES СИСТЕМА ОХЛАЖДЕНИЯ

Схема запчастей Komatsu WA470-3 active - ОХЛАЖД-Е ВОДН. PIPES СИСТЕМА ОХЛАЖДЕНИЯ
2
3
1
7
12B
12A
10
23
6
9
4
5
21
20
19
9
8
12
10
22
10
9
11
20
7
8
25
35
24
13
27
18
17
26
18
13
34
15
29
30
14
28
32
33
16
29
31
FIT
1:1
100%

Артикул

Название

Примечание

Количество

1

421-03-11990

CONTAINER

DeutschDesc: BEHAELTER

1шт.

2

421-03-11980

HOSE

DeutschDesc: SCHLAUCH

1шт.

3

206-03-43340

HOLDING CLAMP

DeutschDesc: HALTESCHELLE

1шт.

4

423-03-11340

BRACKET

DeutschDesc: HALTER

1шт.

5

01435-00820

SCREW

DeutschDesc: SCHRAUBE

2шт.

6

421-03-22130

HOSE

DeutschDesc: SCHLAUCH

1шт.

7

206-03-43340

HOLDING CLAMP

DeutschDesc: HALTESCHELLE

2шт.

8

08036-11214

CLASP

DeutschDesc: KLIP

4шт.

9

01010-51016

SCREW

DeutschDesc: SCHRAUBE

4шт.

10

01643-31032

PLAIN WASHER

DeutschDesc: UNTERLEGSCHEIBE

4шт.

11

08034-20834

BAND

DeutschDesc: BAND

8шт.

12

421-03-H2160

HOSE ASSEMBLY

DeutschDesc: SCHLAUCH VOLLST.

1шт.

12A

CU3328579

STUD

DeutschDesc: STUTZEN

1шт.

12B

CU3046201

O-RING

DeutschDesc: O-RING

1шт.

13

07281-00809

CLIP

DeutschDesc: SCHELLE

8шт.

14

421-03-22140

PIPE

DeutschDesc: ROHRLEITUNG

1шт.

15

07000-02075

O-RING

DeutschDesc: O-RING

1шт.

16

01435-01290

SCREW

DeutschDesc: SCHRAUBE

2шт.

17

421-03-22520

HOSE

DeutschDesc: SCHLAUCH

1шт.

18

07281-00909

CLIP

DeutschDesc: SCHELLE

4шт.

19

423-00-H0680

HOSE

EnglischBem: 100 CM

1шт.

20

07281-00167

CLIP

DeutschDesc: SCHELLE

2шт.

21

421-03-11590

ELBOW

DeutschDesc: WINKELSTUECK

1шт.

22

421-03-22560

STUD

DeutschDesc: STUTZEN

1шт.

23

424-03-11950

HOSE

DeutschDesc: SCHLAUCH

1шт.

24

421-03-H2150

TUBE

DeutschDesc: ROHR

1шт.

25

421-03-11340

HOSE

DeutschDesc: SCHLAUCH

1шт.

26

04434-51510

CLIP

DeutschDesc: SCHELLE

4шт.

27

01435-01020

SCREW

DeutschDesc: SCHRAUBE

2шт.

28

07261-22010

HOSE

DeutschDesc: SCHLAUCH

1шт.

29

07281-00419

CLIP

DeutschDesc: SCHELLE

2шт.

30

421-01-11263

DRAIN COOK

DeutschDesc: ABLASSHAHN

1шт.

31

01435-01020

SCREW

DeutschDesc: SCHRAUBE

2шт.

32

424-01-11110

PLUG

DeutschDesc: VERSCHLUSSSTOPFEN

1шт.

33

04434-53211

CLIP

DeutschDesc: SCHELLE

2шт.

34

01435-01016

SCREW

DeutschDesc: SCHRAUBE

2шт.

35

421-03-H1120

COOLER

DeutschDesc: KUEHLER

1шт.

|$43

COOLER

DeutschDesc: KUEHLER

-3шт.

36

421-03-H2180

HOSE ASSEMBLY

DeutschDesc: SCHLAUCH VOLLST.

1шт.

37

42Y-00-H1510

TEEPIECE

DeutschDesc: T-STUECK

1шт.

38

421-03-H2170

HOSE ASSEMBLY

DeutschDesc: SCHLAUCH VOLLST.

1шт.

39

421-03-H2210

ADAPTOR

DeutschDesc: ADAPTER

1шт.

40

421-09-H2730

STUD

DeutschDesc: STUTZEN

1шт.

Выбрано товаров: 43