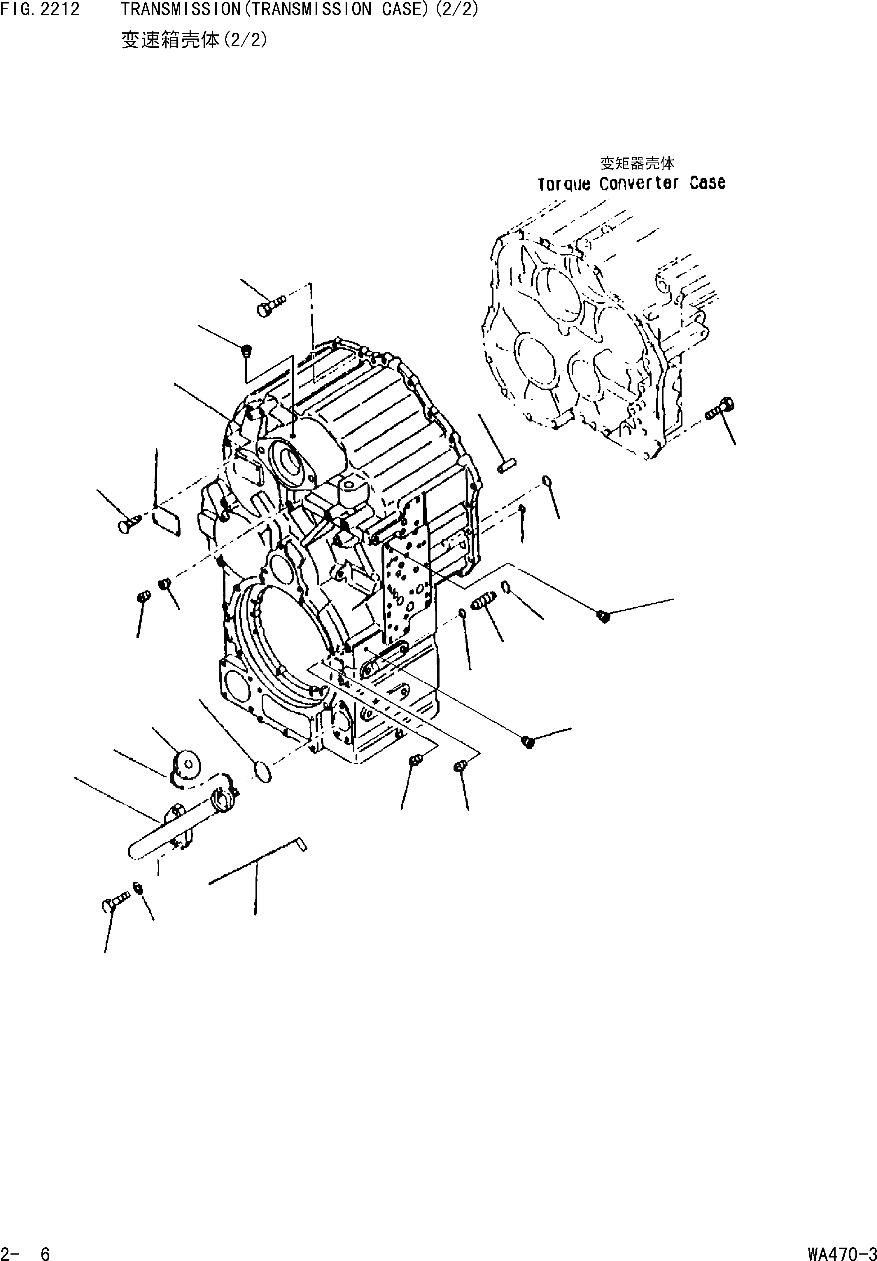
Запчасти Komatsu WA470-3 ТРАНСМИССИЯ(КОРПУС ТРАНСМИССИИ)(/) [ТРАНСМИССИЯ]

Схема запчастей Komatsu WA470-3 - ТРАНСМИССИЯ(КОРПУС ТРАНСМИССИИ)(/) [ТРАНСМИССИЯ]
8
3
6
7
5
13
11
12
2A
18
16
3
2
9
10
1
3
8
17
14
20
15
4
4
19
FIT
1:1
100%

Артикул

Название

Примечание

Количество

|$0

714-07-X0011

TRANSMISSION ASS'Y

Field_1: 25001-

1шт.

|$1

0

CASE ASS'Y,FRONT

Field_1: 25001-

1шт.

1

0

CASE

Field_1: 25001-

1шт.

2

419-15-12750

ORIFICE

Field_1: 25001-

1шт.

2A

07043-70108

PLUG

Field_1: 25001-

1шт.

3

07043-70211

PLUG

Field_1: 25001-

3шт.

4

07042-80108

PLUG

Field_1: 25001-

2шт.

5

04020-01228

PIN,DOWEL

Field_1: 25001-

2шт.

6

07000-73028

O-RING

Field_1: 25001-

2шт.

7

07000-72020

O-RING

Field_1: 25001-

7шт.

8

01010-81240

BOLT

Field_1: 25001-

24шт.

9

0

PLATE,NAME(LIMITED SUPPLY)

Field_1: 25001-

1шт.

10

04418-13060

SCREW

Field_1: 25001-

4шт.

11

419-15-18241

PLUG

Field_1: 25001-

1шт.

12

07002-02434

O-RING

Field_1: 25001-

1шт.

13

419-15-18251

RING,SNAP

Field_1: 25001-

1шт.

14

714-07-14511

TUBE,FILLER

Field_1: 25001-

1шт.

15

714-07-14611

GAUGE,LEVEL

Field_1: 25001-

1шт.

16

6136-21-7120

CAP ASS'Y

Field_1: 25001-

1шт.

17

6136-21-7190

CHAIN

Field_1: 25001-

1шт.

18

07000-73048

O-RING

Field_1: 25001-

1шт.

19

01010-81240

BOLT

Field_1: 25001-

3шт.

20

01643-31232

WASHER

Field_1: 25001-

3шт.

21

419-15-18131

LIQUID GASKET(NOT SHOWN)

Field_1: 25001-

1шт.

Выбрано товаров: 24