Запчасти Komatsu WA470-3 ТОПЛ. НАСОС(РЕГУЛЯТОР)(/)(ВНУТР. ЧАСТИ) [ДВИГАТЕЛЬ]

Схема запчастей Komatsu WA470-3 - ТОПЛ. НАСОС(РЕГУЛЯТОР)(/)(ВНУТР. ЧАСТИ) [ДВИГАТЕЛЬ]
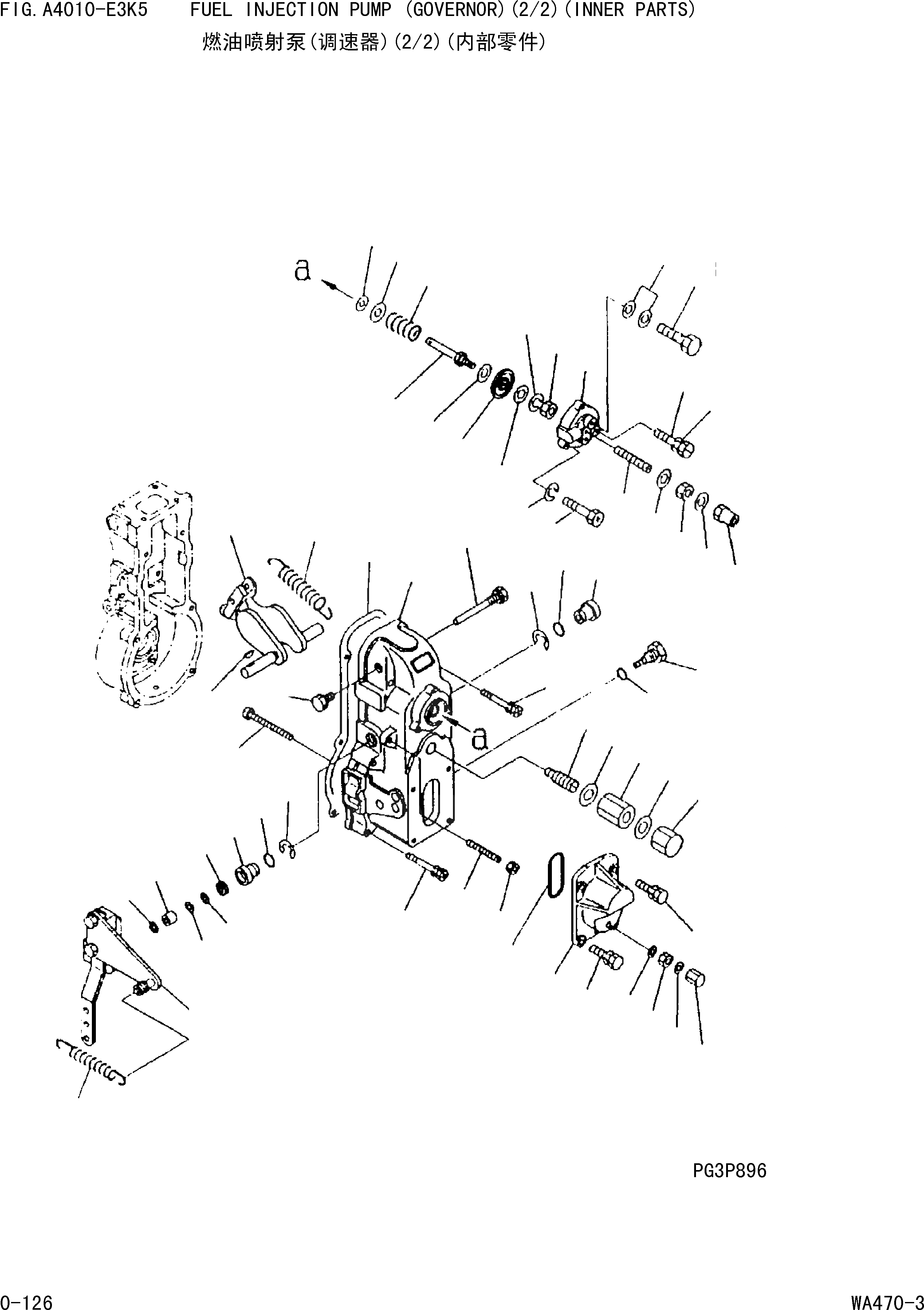
45
38
53
34
35
39
44
43
50
47
46
48
42
48
41
28
17
40
47
33
31
33
32
15
10
29
1
25
18
4
37
36
14
13
12
13
11
18
2
49
23
30
7
8
51
3
51
52
9
5
6
4
17
16
19
24
20
21
26
22
27
FIT
1:1
100%

Артикул

Название

Примечание

Количество

1*

X16-0354000

INJECTION PUMP UNIT

Field_1: 61589-70945

1шт.

|$1

6152-72-1440

INJECTION PUMP A THIS ASSEMBLY CONSISTS OF ALL PARTS SHOWN IN FIGS.A4010-B3K5 TO A4010-G3K5.

Field_1: 61589-70945

1шт.

|$2

THE ZEXEL PART NUMBER IS THAT DK IS REMOVED FROM KOMATSU PART NUMBER LISTED BELOW.

-1шт.

|$3

DK 105407-5612

GOVERNOR ASS'Y THIS ASSEMBLY CONSISTS OF ALL PARTS SHOWN IN FIGS.A4010-D3K5 TO A4010-E3K5

Field_1: 61589-70945

1шт.

1

DK 154022-7720

COVER

Field_1: 61589-70945

1шт.

2

DK 154031-5000

SCREW

Field_1: 61589-70945

1шт.

3

DK 139208-0400

NUT

Field_1: 61589-70945

1шт.

4

DK 020106-5040

BOLT

Field_1: 61589-70945

6шт.

5

DK 154010-0100

SCREW

Field_1: 61589-70945

1шт.

6

DK 154011-0100

NUT,LOCK

-1шт.

7

DK 154063-8400

COVER

Field_1: 61589-70945

1шт.

8

DK 029020-6210

BOLT

Field_1: 61589-70945

2шт.

9

DK 020006-1640

BOLT

Field_1: 61589-70945

2шт.

10

DK 154150-2700

SPRING,GOVERNOR

Field_1: 61589-70945

1шт.

11

DK 154158-1220

CAPSULE,SPRING

Field_1: 61589-70945

1шт.

12

DK 029201-2140

NUT

Field_1: 61589-70945

1шт.

13

DK 026512-1540

GASKET

Field_1: 61589-70945

2шт.

14

DK 154159-1200

NUT,CAP

Field_1: 61589-70945

1шт.

15

DK 154200-7120

LEVER,SWIVEL

Field_1: 61589-70945

1шт.

16

DK 154204-3000

BUSHING

Field_1: 61589-70945

2шт.

17

DK 139718-0200

O-RING

Field_1: 61589-70945

2шт.

18

DK 016010-1640

RING,SNAP

Field_1: 61589-70945

2шт.

19

DK 139611-0300

SEAL,OIL

Field_1: 61589-70945

1шт.

20

DK 139411-0000

SHIM,0.40MM

Field_1: 61589-70945

1шт.

21

DK 029311-1090

SHIM,0.3MM

Field_1: 61589-70945

-2шт.

22

DK 154206-0200

WASHER,1.0MM

Field_1: 61589-70945

-2шт.

23

DK 025803-1310

KEY,13MM

Field_1: 61589-70945

1шт.

24

DK 154206-2800

COLLAR

Field_1: 61589-70945

1шт.

25

DK 154237-1100

PIN

Field_1: 61589-70945

1шт.

26

DK 154395-0420

LEVER

Field_1: 61589-70945

1шт.

27

DK 154317-5700

SPRING

Field_1: 61589-70945

1шт.

28

DK 154204-3100

BUSHING

Field_1: 61589-70945

1шт.

29

DK 154390-0300

GASKET

Field_1: 61589-70945

1шт.

30

DK 029635-2020

O-RING

Field_1: 61589-70945

1шт.

31

DK 154400-7420

DIAPHPAGM

Field_1: 61589-70945

1шт.

32

DK 154400-4800

ROD,PUSH

Field_1: 61589-70945

1шт.

33

DK 029330-8050

GASKET

Field_1: 61589-70945

2шт.

34

DK 139308-0700

WASHER,SPRING

Field_1: 61589-70945

1шт.

35

DK 013030-6040

NUT

Field_1: 61589-70945

1шт.

36

DK 026510-1440

GASKET

Field_1: 61589-70945

1шт.

37

DK 154401-2100

BOLT

Field_1: 61589-70945

1шт.

38

DK 154402-5400

SPRING

Field_1: 61589-70945

1шт.

39

DK 154404-5000

COVER

Field_1: 61589-70945

1шт.

40

DK 020106-2540

BOLT

Field_1: 61589-70945

2шт.

41

DK 154034-1900

SCREW

Field_1: 61589-70945

1шт.

42

DK 023040-6040

NUT

Field_1: 61589-70945

1шт.

43

DK 029731-0180

BOLT,EYE

Field_1: 61589-70945

1шт.

44

DK 026510-1340

GASKET

Field_1: 61589-70945

2шт.

45

DK 029312-0210

SHIM,0.2MM

Field_1: 61589-70945

-2шт.

|$49

DK 029312-0180

SHIM,0.5MM

Field_1: 61589-70945

-2шт.

46

DK 154035-0320

NUT,CAP

Field_1: 61589-70945

1шт.

47

DK 014110-6440

WASHER,SPRING

Field_1: 61589-70945

3шт.

48

DK 154413-2600

GASKET

Field_1: 61589-70945

2шт.

49

DK 154036-0300

PLUG

Field_1: 61589-70945

1шт.

50

DK 029010-6310

BOLT

Field_1: 61589-70945

1шт.

51

DK 026508-1140

GASKET

Field_1: 61589-70945

2шт.

52

DK 154035-2000

NUT

Field_1: 61589-70945

1шт.

53

DK 029310-9080

SHIM

Field_1: 61589-70945

2шт.

Выбрано товаров: 58