Запчасти Komatsu WA470-3 ЗАЩИТА РАДИАТОРА(№-) РАМА И ЧАСТИ КОРПУСА

Схема запчастей Komatsu WA470-3 - ЗАЩИТА РАДИАТОРА(№-) РАМА И ЧАСТИ КОРПУСА
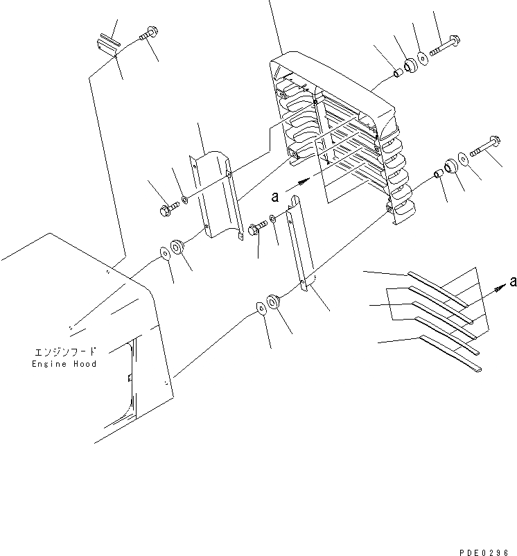
1
2
3
4
5
6
7
7
8
8
9
9
10
10
10
10
11
11
11
11
12
12
13
14
15
FIT
1:1
100%

Артикул

Название

Примечание

Количество

1

421-54-21550

GRILLE

SN: 50001-UP

1шт.

2

423-54-21710

SHEET

SN: 50001-UP

1шт.

3

423-54-21720

SHEET

SN: 50001-UP

3шт.

4

423-54-21730

SHEET

SN: 50001-UP

1шт.

5

421-54-21530

COVER,L.H.

SN: 50001-UP

1шт.

6

421-54-21540

COVER,R.H.

SN: 50001-UP

1шт.

7

01435-01020

BOLT

SN: 50001-UP

4шт.

8

01643-31032

WASHER

SN: 50001-UP

4шт.

9

419-43-17910

SPACER

SN: 50001-UP

4шт.

10

419-43-17930

CUSHION

SN: 50001-UP

8шт.

11

419-43-17920

WASHER

SN: 50001-UP

8шт.

12

01435-01255

BOLT

SN: 50001-UP

4шт.

13

424-54-21710

PLATE

SN: 50001-UP

1шт.

14

417-54-11270

SHEET

SN: 50001-UP

1шт.

15

01435-00816

BOLT

SN: 50001-UP

2шт.

Выбрано товаров: 0