Запчасти Komatsu WA470-3 ЭЛЕКТРИКА (ЛИНИЯ ECSS)(№-) КОМПОНЕНТЫ ДВИГАТЕЛЯ И ЭЛЕКТРИКА

Схема запчастей Komatsu WA470-3 - ЭЛЕКТРИКА (ЛИНИЯ ECSS)(№-) КОМПОНЕНТЫ ДВИГАТЕЛЯ И ЭЛЕКТРИКА
FIT
1:1
100%

Артикул

Название

Примечание

Количество

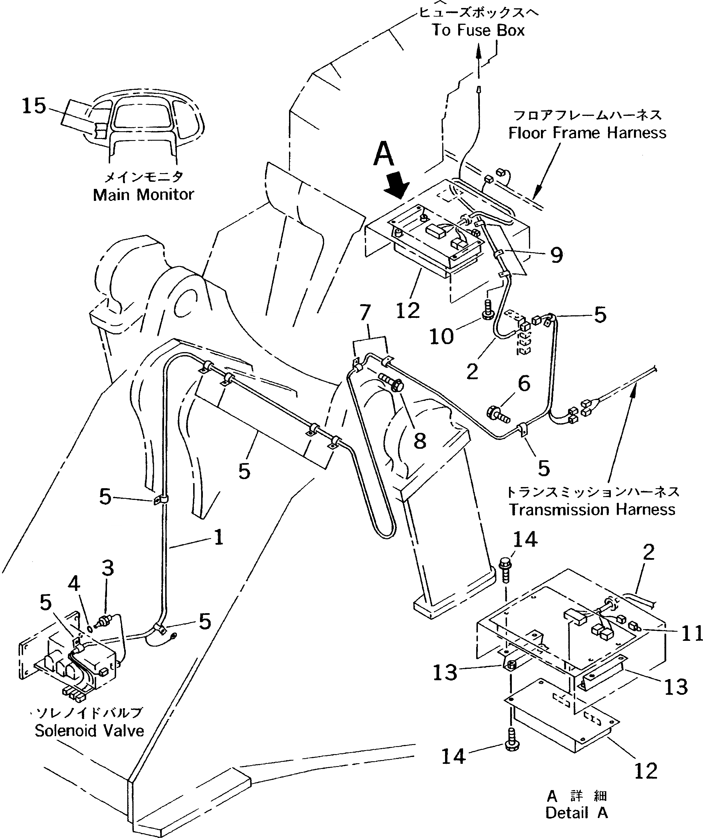
1

421-S99-2330

WIRING HARNESS

SN: 50001-UP

1шт.

2

423-S99-2310

WIRING HARNESS

SN: 50001-UP

1шт.

3

418-S99-1140

SWITCH,PRESSURE

SN: 50001-UP

1шт.

4

07002-01423

O-RING

SN: 50001-UP

1шт.

5

08036-21414

CLIP

SN: 50001-UP

9шт.

6

01435-01016

BOLT

SN: 50001-UP

1шт.

7

04434-51910

CLIP

SN: 50001-UP

2шт.

8

01435-01016

BOLT

SN: 50001-UP

2шт.

9

04434-51010

CLIP

SN: 50001-UP

3шт.

10

01435-01016

BOLT

SN: 50001-UP

3шт.

11

421-S99-2310

CONNECTOR,SHORT

SN: 50001-UP

1шт.

12

7823-43-1001

CONTROLLER ASS'Y

SN: 50001-UP

1шт.

13

421-S99-2160

BRACKET

SN: 50001-UP

2шт.

14

01435-00816

BOLT

SN: 50001-UP

8шт.

15

7823-62-9061

PLATE KIT,MONITOR PANEL

SN: 50001-UP

1шт.

Выбрано товаров: 15