Запчасти Komatsu WA470-3 HINGE ПАЛЕЦ ОСНОВНАЯ РАМА И ЕЕ ЧАСТИ

Схема запчастей Komatsu WA470-3 - HINGE ПАЛЕЦ ОСНОВНАЯ РАМА И ЕЕ ЧАСТИ
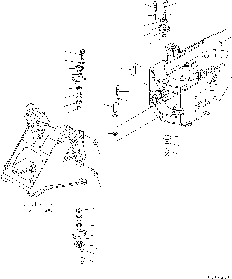
1
2
2
3
4
5
6
7
8
8
9
10
11
12
12
13
14
15
16
17
18
19
20
21
22
23
24
25
26
27
28
29
FIT
1:1
100%

Артикул

Название

Примечание

Количество

1

421-46-11710

RETAINER

SN: 53001-UP

1шт.

2

421-09-11310

SEAL,DUST

SN: 53001-UP

2шт.

3

421-46-11371

SHIM, 0.1MM

SN: 53001-UP

20шт.

3

421-46-11381

SHIM, 0.5MM

SN: 53001-UP

20шт.

4

01010-81240

BOLT

SN: 53001-UP

10шт.

5

01643-31232

WASHER

SN: 53001-UP

10шт.

6

421-46-11741

SPACER

SN: 53001-UP

1шт.

7

421-46-11470

RETAINER

SN: 53001-UP

1шт.

8

07011-00080

SEAL

SN: 53001-UP

2шт.

9

421-46-11371

SHIM, 0.1MM

SN: 53001-UP

20шт.

9

421-46-11381

SHIM, 0.5MM

SN: 53001-UP

20шт.

10

01010-81235

BOLT

SN: 53001-UP

10шт.

11

01643-31232

WASHER

SN: 53001-UP

10шт.

12

419-09-11250

FITTING,GREASE

SN: 53001-UP

2шт.

13

421-46-11361

BEARING

SN: 53001-UP

1шт.

14

421-46-11361

BEARING

SN: 53001-UP

1шт.

15

421-46-11722

PIN

SN: 53001-UP

1шт.

16

421-46-11730

SPACER

SN: 53001-UP

1шт.

17

421-46-11421

COVER

SN: 53001-UP

1шт.

18

421-46-11430

SHIM, 0.2MM

SN: 53001-UP

10шт.

18

421-46-11440

SHIM, 0.5MM

SN: 53001-UP

8шт.

18

421-46-11450

SHIM, 1.0MM

SN: 53001-UP

4шт.

19

01010-81250

BOLT

SN: 53001-UP

6шт.

20

01643-31232

WASHER

SN: 53001-UP

6шт.

21

01010-61695

BOLT

SN: 53001-UP

4шт.

22

01643-31645

WASHER

SN: 53001-UP

4шт.

23

01643-31645

WASHER

SN: 53001-UP

1шт.

24

01010-61630

BOLT

SN: 53001-UP

1шт.

25

419-70-11340

PLATE

SN: 53001-UP

1шт.

26

421-46-11461

SHAFT

SN: 53001-UP

1шт.

27

421-46-12331

BUSHING

SN: 53001-UP

2шт.

28

01010-81625

BOLT

SN: 53001-UP

1шт.

29

421-70-11280

WASHER

SN: 53001-UP

1шт.

Выбрано товаров: 33