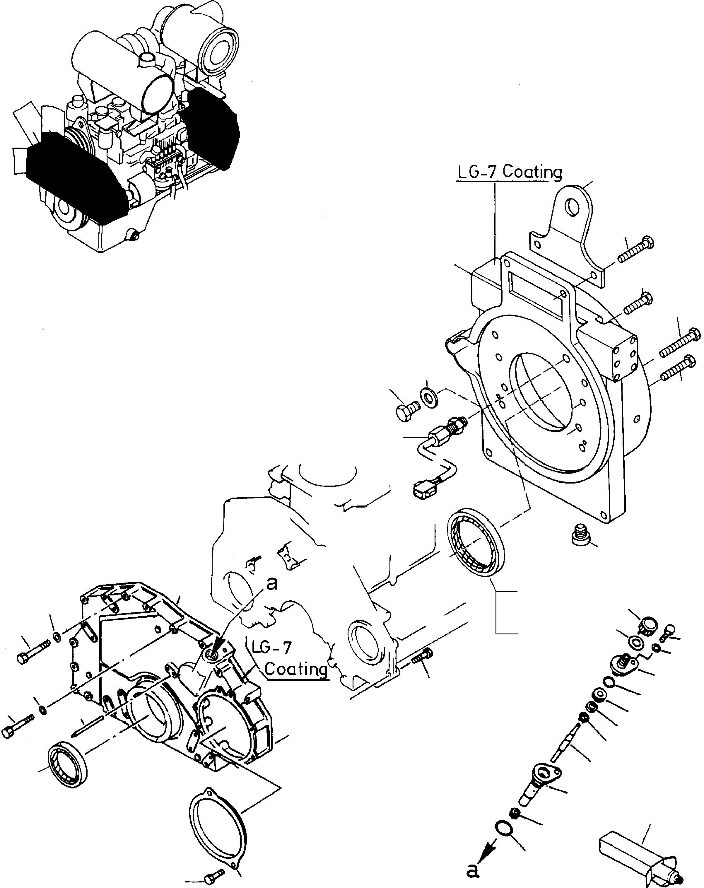
Запчасти Komatsu WA470-3 TIMING КОРПУС ШЕСТЕРЕНН. ПЕРЕДАЧИ И КАРТЕР МАХОВИКА ДВИГАТЕЛЬ, КРЕПЛЕНИЕ ДВИГАТЕЛЯ

Схема запчастей Komatsu WA470-3 - TIMING КОРПУС ШЕСТЕРЕНН. ПЕРЕДАЧИ И КАРТЕР МАХОВИКА ДВИГАТЕЛЬ, КРЕПЛЕНИЕ ДВИГАТЕЛЯ
29A
30
31
24
28
26
33
34
27
32
25
1
21
29
8
22
6
19
20
17
9
8
18
7
4
14
13
15
10
5
12
23
11
16
3
2
29A
30
31
24
28
26
33
34
27
32
25
1
21
29
8
22
6
19
20
17
9
8
18
7
4
14
13
15
10
5
12
23
11
16
3
2
FIT
1:1
100%

Артикул

Название

Примечание

Количество

1

6150-21-3181

COVER

DeutschDesc: DECKEL

1шт.

2

6150-21-3510

FLANGE

DeutschDesc: FLANSCH

1шт.

3

01010-51020

SCREW

DeutschDesc: SCHRAUBE

2шт.

4

6150-21-3340

POINTER

DeutschDesc: ZEIGER

1шт.

5

6150-21-3230

SHAFT SEAL

DeutschDesc: WELLENDICHTRING

1шт.

6

01010-81065

SCREW

DeutschDesc: SCHRAUBE

8шт.

7

01010-81075

SCREW

DeutschDesc: SCHRAUBE

4шт.

8

01640-21016

PLAIN WASHER

DeutschDesc: UNTERLEGSCHEIBE

12шт.

9

6150-81-9130

SCREW

DeutschDesc: SCHRAUBE

4шт.

10

6150-81-5120

SHAFT

DeutschDesc: WELLE

1шт.

11

6110-73-3220

GEAR

DeutschDesc: ZAHNRAD

1шт.

12

6150-81-5110

BUSHING

DeutschDesc: BUCHSE

1шт.

13

6150-71-1910

SEAL

DeutschDesc: DICHTRING

1шт.

14

6162-73-1960

SEAL

DeutschDesc: DICHTRING

1шт.

15

6162-73-1970

DRIVING

DeutschDesc: MITNEHMER

1шт.

16

419-09-H2040

O-RING

DeutschDesc: O-RING

1шт.

17

6150-81-5140

HOUSING

DeutschDesc: GEHAEUSE

1шт.

18

07000-02020

O-RING

DeutschDesc: O-RING

1шт.

19

01014-51030

SCREW

DeutschDesc: SCHRAUBE

1шт.

20

01640-21016

PLAIN WASHER

DeutschDesc: UNTERLEGSCHEIBE

1шт.

21

6136-81-5291

BOXNUT

DeutschDesc: UEBERWURFMUTTER

1шт.

22

6130-82-5270

DISC

DeutschDesc: SCHEIBE

1шт.

23

09920-00150

SEALING COMPOUND

EnglischBem: LG-7, 150 G

1шт.

24

6151-21-4141

HOUSING

DeutschDesc: GEHAEUSE

1шт.

25

07043-70211

PLUG

DeutschDesc: VERSCHLUSSSTOPFEN

1шт.

26

01016-51650

SCREW

DeutschDesc: SCHRAUBE

6шт.

27

01010-31660

SCREW

DeutschDesc: SCHRAUBE

2шт.

28

01011-51045

SCREW

DeutschDesc: SCHRAUBE

1шт.

29

6151-21-4160

SHAFT SEAL

DeutschDesc: WELLENDICHTRING

1шт.

29A

6151-29-4160

SHAFT SEAL

EnglischBem: OS

1шт.

30

6150-21-3930

BRACKET

DeutschDesc: HALTER

1шт.

31

01016-51660

SCREW

DeutschDesc: SCHRAUBE

2шт.

32

600-842-1380

SENSOR

DeutschDesc: SENSOR

1шт.

33

07005-01612

SEAL

DeutschDesc: DICHTRING

1шт.

34

6152-21-9940

SCREW

DeutschDesc: SCHRAUBE

1шт.

1

6150-21-3181

COVER

2

6150-21-3510

FLANGE

3

01010-51020

SCREW

4

6150-21-3340

POINTER

5

6150-21-3230

SHAFT SEAL

6

01010-81065

SCREW

7

01010-81075

SCREW

8

01640-21016

PLAIN WASHER

9

6150-81-9130

SCREW

10

6150-81-5120

SHAFT

11

6110-73-3220

GEAR

12

6150-81-5110

BUSHING

13

6150-71-1910

SEAL

14

6162-73-1960

SEAL

15

6162-73-1970

DRIVING

16

419-09-H2040

O-RING

17

6150-81-5140

HOUSING

18

07000-02020

O-RING

19

01014-51030

SCREW

20

01640-21016

PLAIN WASHER

21

6136-81-5291

BOXNUT

22

6130-82-5270

DISC

23

09920-00150

SEALING COMPOUND

24

6151-21-4141

HOUSING

25

07043-70211

PLUG

26

01016-51650

SCREW

27

01010-31660

SCREW

28

01011-51045

SCREW

29

6151-21-4160

SHAFT SEAL

29A

6151-29-4160

SHAFT SEAL

30

6150-21-3930

BRACKET

31

01016-51660

SCREW

32

600-842-1380

SENSOR

33

07005-01612

SEAL

34

6152-21-9940

SCREW

Выбрано товаров: 70