Запчасти Komatsu WA470-5 ПОЗИЦИОНЕР КОВША(ДЛЯ LOG LUMBER ЗАХВАТ ИЛИ ЗАХВАТ ДЛЯ БРЕВЕН) КАБИНА ОПЕРАТОРА И СИСТЕМА УПРАВЛЕНИЯ

Схема запчастей Komatsu WA470-5 - ПОЗИЦИОНЕР КОВША(ДЛЯ LOG LUMBER ЗАХВАТ ИЛИ ЗАХВАТ ДЛЯ БРЕВЕН) КАБИНА ОПЕРАТОРА И СИСТЕМА УПРАВЛЕНИЯ
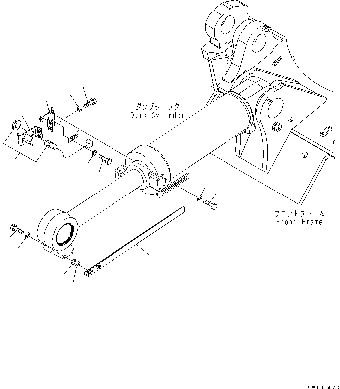
1
2
3
4
5
6
7
8
9
10
11
12
13
14
15
FIT
1:1
100%

Артикул

Название

Примечание

Количество

1

421-43-29110

BRACKET

SN: 70001-UP

1шт.

2

01010-81235

BOLT

SN: 70001-UP

2шт.

3

01643-31232

WASHER

SN: 70001-UP

2шт.

4

08193-20010

CLIP

SN: 70001-UP

1шт.

5

01010-81020

BOLT

SN: 70001-UP

1шт.

6

01643-31032

WASHER

SN: 70001-UP

1шт.

7

421-43-29120

BRACKET

SN: 70001-UP

1шт.

8

01010-81225

BOLT

SN: 70001-UP

2шт.

9

01643-31232

WASHER

SN: 70001-UP

2шт.

10

56B-06-15610

SWITCH

SN: 70001-UP

1шт.

11

01010-81240

BOLT

SN: 70001-UP

2шт.

12

01643-31232

WASHER

SN: 70001-UP

2шт.

13

6113-63-1630

SHIM, 0.2MM

SN: 70001-UP

2шт.

14

6113-63-1640

SHIM, 0.5MM

SN: 70001-UP

1шт.

15

421-870-3120

BAR

SN: 70001-UP

1шт.

Выбрано товаров: 15