Качественные детали и логистика
Оригинальные и аналоговые запчасти с доставкой по России, Казахстану и Беларуси
©2022 PartSell ООО "Система" ИНН 2463123282 ОГРН 1212400004838
Центральный офис: г. Красноярск, Академика Киренского, д.87, пом.4
Телефон: 8 (800) 777-65-74 Email: zakaz@partsell.ru
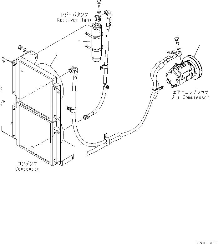
КОНДИЦ. ВОЗДУХА
№
Артикул
Название
Примечание
Количество
|1
421-07-31410
AIR CONDITIONER KIT
SN: 70001-UP
1шт.
1
20Y-979-3120
TANK
2
421-07-31220
COMPRESSOR ASS'Y
3
421-07-31230
CONDENSER ASS'Y
2шт.
Выбрано товаров: 0