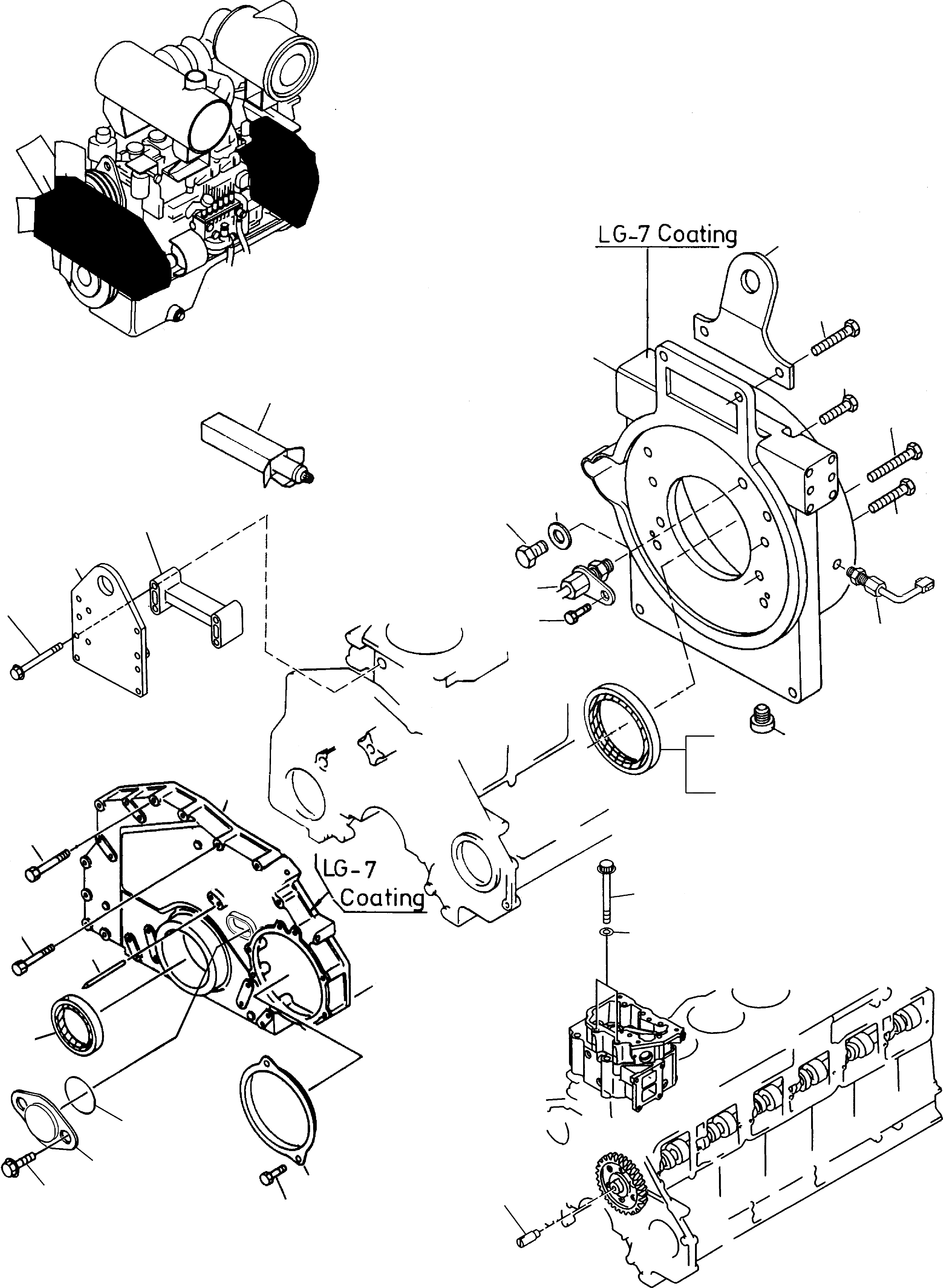
Запчасти Komatsu WA470-5 TIMING КОРПУС ШЕСТЕРЕНН. ПЕРЕДАЧИ И КАРТЕР МАХОВИКА ДВИГАТЕЛЬ, КРЕПЛЕНИЕ ДВИГАТЕЛЯ

Схема запчастей Komatsu WA470-5 - TIMING КОРПУС ШЕСТЕРЕНН. ПЕРЕДАЧИ И КАРТЕР МАХОВИКА ДВИГАТЕЛЬ, КРЕПЛЕНИЕ ДВИГАТЕЛЯ
6
17
18
10
14
22
12
20
21
30
13
29
8
31
9
19
11
15
16
1
28
7
27
4
5
24
23
2
26
25
3
FIT
1:1
100%

Артикул

Название

Примечание

Количество

1

6154-21-3110

COVER

1шт.

2

6150-21-3510

FLANGE

1шт.

3

01435-01020

SCREW

2шт.

4

6150-22-3340

INDICATOR

1шт.

5

6150-21-3230

SHAFT SEAL

1шт.

6

01435-01070

SCREW

3шт.

7

01435-01075

SCREW

8шт.

8

6217-81-9210

SENSOR

EnglischBem: REVOLUTION

1шт.

9

01435-00616

SCREW

1шт.

10

6156-21-4140

HOUSING

1шт.

11

07043-70211

PLUG

1шт.

12

01010-61650

SCREW

6шт.

13

01010-61660

SCREW

2шт.

14

01011-81030

SCREW

1шт.

15

6151-21-4160

SHAFT SEAL

1шт.

16

6151-29-4160

SHAFT SEAL

EnglischBem: OVERSIZE

1шт.

17

6150-21-3930

BRACKET

1шт.

18

01010-61680

SCREW

2шт.

19

7861-93-2330

SENSOR

EnglischBem: REVOLUTION

1шт.

20

07005-02216

SEAL

1шт.

21

6114-11-8910

PLUG

1шт.

22

09920-00150

SEALING COMPOUND

EnglischBem: LG7 150G

-26шт.

23

6144-81-5151

COVER

1шт.

24

07000-03050

O-RING

1шт.

25

01435-00616

SCREW

2шт.

26

6150-85-5132

GEAR

EnglischBem: TACHOMETER

1шт.

27

01643-31032

PLAIN WASHER

2шт.

28

01437-01075

SCREW

2шт.

29

6156-21-3910

PLATE

1шт.

30

6150-61-3561

SPACER

1шт.

31

01435-01085

SCREW

4шт.

Выбрано товаров: 31