Запчасти Komatsu WA470-5 HINGE РАМА

Схема запчастей Komatsu WA470-5 - HINGE РАМА
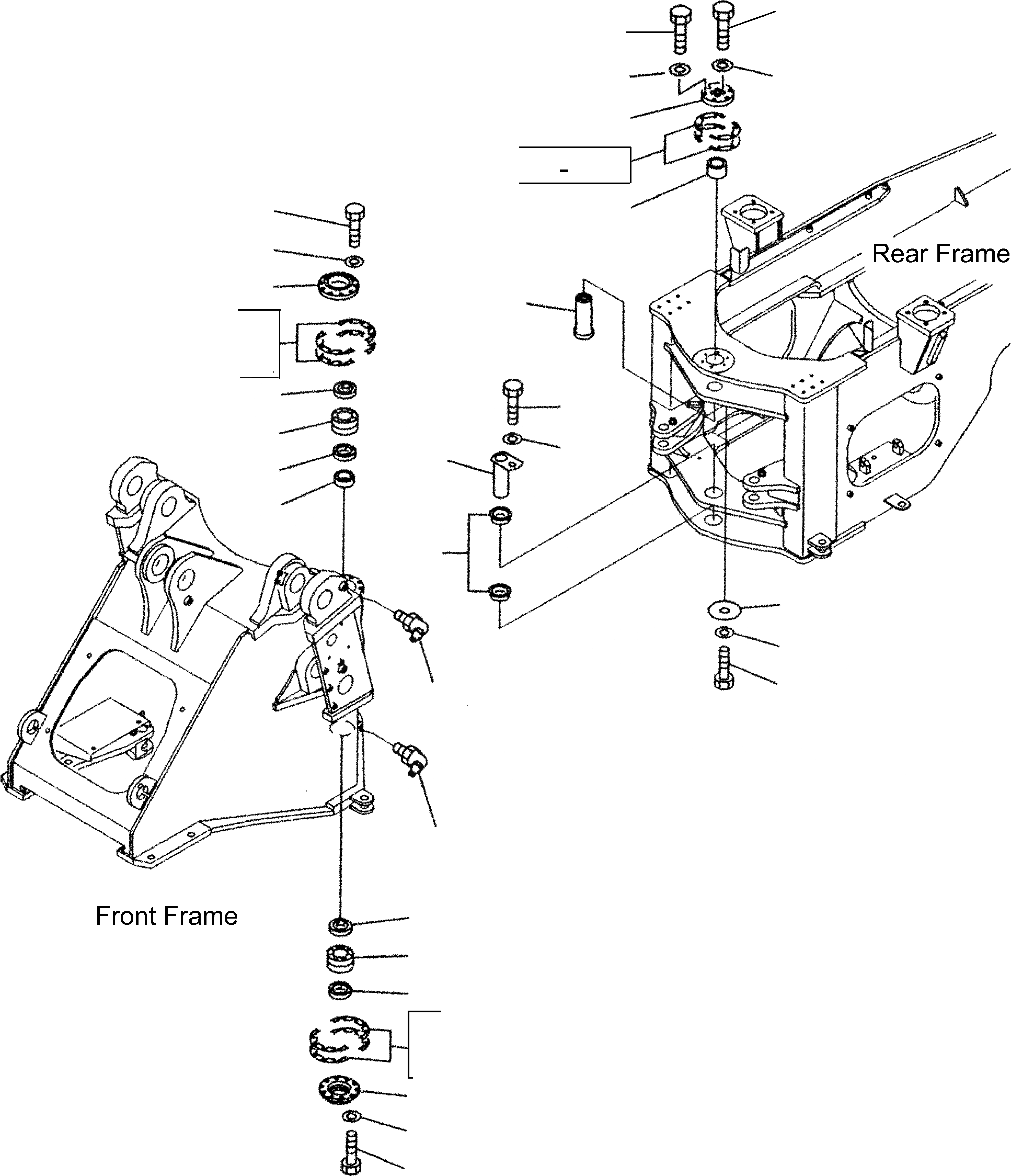
21
3A
19
18B
9A
20
22
17
18
4
16
5
1
15
3
2
28
13
29
26
2
6
27
25
23
24
12
12
8
14
8
9
7
11
10
FIT
1:1
100%

Артикул

Название

Примечание

Количество

1

421-46-11710

RETAINER

1шт.

2

421-09-11310

STRIPPER

2шт.

3

421-46-11371

SHIM

EnglischBem: THICKNESS 0,10 MM

20шт.

3A

421-46-11381

SHIM

EnglischBem: THICKNESS 0,50 MM

20шт.

4

01010-81240

SCREW

10шт.

5

01643-31232

PLAIN WASHER

10шт.

6

421-46-11741

SPACER

1шт.

7

421-46-11470

RETAINER

1шт.

8

07011-00080

SEAL

2шт.

9

421-46-11371

SHIM

EnglischBem: THICKNESS 0,10 MM

20шт.

9A

421-46-11381

SHIM

EnglischBem: THICKNESS 0,50 MM

20шт.

10

01010-81235

SCREW

10шт.

11

01643-31232

PLAIN WASHER

10шт.

12

419-09-11250

LUBRICATION NIPPLE

2шт.

13

421-46-11361

BEARING

1шт.

14

421-46-11361

BEARING

1шт.

15

421-46-11722

PIN

1шт.

16

421-46-11730

SPACER

1шт.

17

421-46-11421

COVER

1шт.

18

421-46-11430

DISC

EnglischBem: THICKNESS 0,20 MM

10шт.

18A

421-46-11440

SHIM

EnglischBem: THICKNESS 0,50 MM

8шт.

18B

421-46-11450

SHIM

EnglischBem: THICKNESS 1,00 MM

4шт.

19

01010-81250

SCREW

6шт.

20

01643-31232

PLAIN WASHER

6шт.

21

01010-61695

SCREW

4шт.

22

01643-31645

PLAIN WASHER

4шт.

23

01643-31645

PLAIN WASHER

1шт.

24

01010-61630

SCREW

1шт.

25

419-70-11340

DISC

1шт.

26

421-46-11461

PIN

1шт.

27

421-46-12331

BUSHING

2шт.

28

01010-81625

SCREW

1шт.

29

421-70-11280

PLAIN WASHER

1шт.

Выбрано товаров: 33