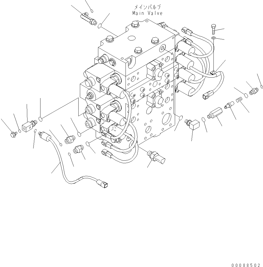
Запчасти Komatsu WA470-6 LC ОСНОВН. КЛАПАН (ПАТРУБОК) (ДЛЯ EPC) H ГИДРАВЛИКА

Схема запчастей Komatsu WA470-6 LC - ОСНОВН. КЛАПАН (ПАТРУБОК) (ДЛЯ EPC) H ГИДРАВЛИКА
7
9
8
26
27
25
15
16
17
11
10
11
12
13
14
24
2
23
21
22
4
6
1
3
5
20
18
19
FIT
1:1
100%

Артикул

Название

Примечание

Количество

1

421-62-44650

JOINT

SN: H50880-UP

1шт.

2

42C-06-15121

SWITCH, PRESSURE

SN: H50880-UP

1шт.

3

07002-11423

O-RING

SN: H50880-UP

2шт.

4

708-8E-16150

PLUG

SN: H50880-UP

2шт.

5

02896-11009

O-RING

SN: H50880-UP

4шт.

6

07002-11023

O-RING

SN: H50880-UP

4шт.

7

02782-10212

ELBOW

SN: H50880-UP

1шт.

8

07002-11423

O-RING

SN: H50880-UP

1шт.

9

02896-11008

O-RING

SN: H50880-UP

1шт.

10

20Y-62-23541

ELBOW

SN: H50880-UP

1шт.

11

07002-11423

O-RING

SN: H50880-UP

2шт.

|$12

20Y-62-41701

VALVE ASSEMBLY

SN: H50880-UP

1шт.

12

20Y-60-22210

BODY

SN: H50880-UP

1шт.

13

20Y-60-22270

POPPET

SN: H50880-UP

1шт.

14

701-20-61230

SPRING

SN: H50880-UP

1шт.

15

07002-11423

O-RING

SN: H50880-UP

1шт.

16

20Y-62-47630

NIPPLE

SN: H50880-UP

1шт.

17

02896-11008

O-RING

SN: H50880-UP

1шт.

18

02781-00313

UNION

SN: H50880-UP

1шт.

19

07002-11823

O-RING

SN: H50880-UP

1шт.

20

02896-11009

O-RING

SN: H50880-UP

1шт.

21

02781-00313

UNION

SN: H50880-UP

1шт.

22

07002-11823

O-RING

SN: H50880-UP

1шт.

23

02896-11009

O-RING

SN: H50880-UP

1шт.

24

7861-93-1650

SENSOR, PRESSURE

SN: H50880-UP

1шт.

|$26

07002-11823

O-RING

SN: H50880-UP

1шт.

25

04434-50810

CLIP

SN: H50880-UP

1шт.

26

01010-81020

BOLT

SN: H50880-UP

1шт.

27

01643-31032

WASHER

SN: H50880-UP

1шт.

Выбрано товаров: 0