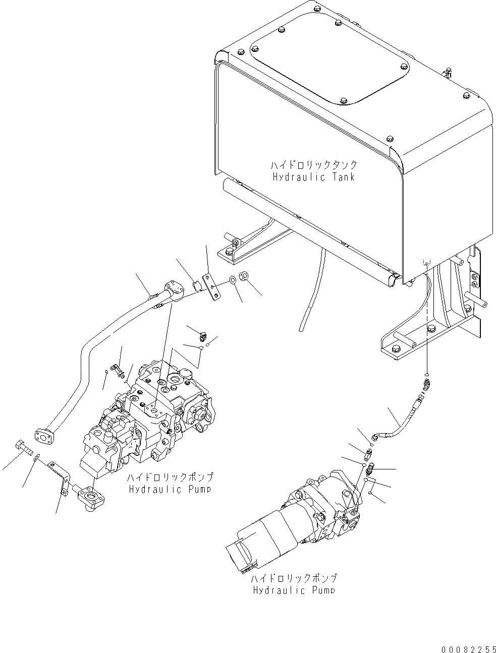
Запчасти Komatsu WA470-6 LC ГИДР. НАСОС. (LS ЛИНИЯ) H ГИДРАВЛИКА

Схема запчастей Komatsu WA470-6 LC - ГИДР. НАСОС. (LS ЛИНИЯ) H ГИДРАВЛИКА
18
19
17
21
20
10
9
8
15
14
16
12
13
11
7
6
5
4
3
1
2
FIT
1:1
100%

Артикул

Название

Примечание

Количество

1

07002-11423

O-RING

SN: H50880-UP

1шт.

2

02782-1021A

ELBOW

SN: H50880-UP

1шт.

3

02896-11008

O-RING

SN: H50880-UP

1шт.

4

07002-11423

O-RING

SN: H50880-UP

1шт.

5

20U-62-41890

NIPPLE

SN: H50880-UP

1шт.

6

02896-11008

O-RING

SN: H50880-UP

1шт.

7

421-62-45570

HOSE, 360MM

SN: H50880-UP

1шт.

8

07002-11423

O-RING

SN: H50880-UP

1шт.

9

421-62-46730

ELBOW

SN: H50880-UP

1шт.

10

02896-11008

O-RING

SN: H50880-UP

1шт.

11

421-62-45790

BRACKET

SN: H50880-UP

1шт.

12

01010-81020

BOLT

SN: H50880-UP

1шт.

13

01643-31032

WASHER

SN: H50880-UP

1шт.

14

07002-11423

O-RING

SN: H50880-UP

1шт.

15

02782-1021A

ELBOW

SN: H50880-UP

1шт.

16

02896-11008

O-RING

SN: H50880-UP

1шт.

17

421-62-45630

PLATE

SN: H50880-UP

1шт.

18

07283-33450

CLIP

SN: H50880-UP

1шт.

19

07283-53444

SEAT

SN: H50880-UP

1шт.

20

01643-31032

WASHER

SN: H50880-UP

2шт.

21

01597-01009

NUT

SN: H50880-UP

2шт.

Выбрано товаров: 21