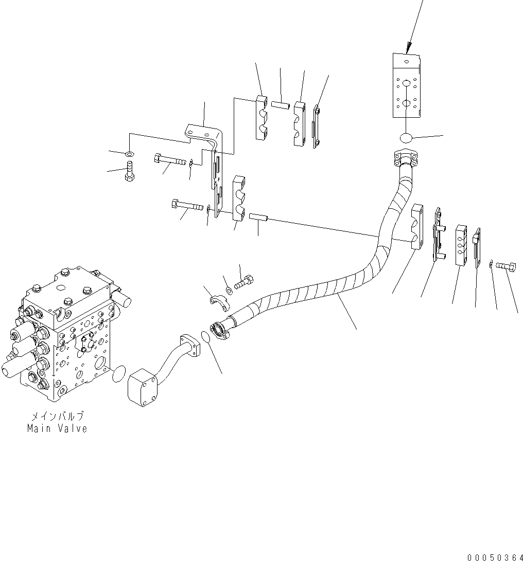
Запчасти Komatsu WA470-6 LC ГИДРОЛИНИЯ (ВОЗВРАТН. ЛИНИЯ И ПЕРЕКЛЮЧАТЕЛЬ НАСОС - ОТСЕКАЮЩ. КЛАПАН) H ГИДРАВЛИКА

Схема запчастей Komatsu WA470-6 LC - ГИДРОЛИНИЯ (ВОЗВРАТН. ЛИНИЯ И ПЕРЕКЛЮЧАТЕЛЬ НАСОС - ОТСЕКАЮЩ. КЛАПАН) H ГИДРАВЛИКА
\See Fig.H4200-09A0
\See Fig.H4200-09A1
8
7
12
13
17
18
14
16
6
9
11
9
10
2
3
5
4
2
1
14
15
19
20
22
21
FIT
1:1
100%

Артикул

Название

Примечание

Количество

1

421-62-43320

HOSE, 1435MM

SN: H50880-UP

1шт.

2

07000-13038

O-RING

SN: H50880-UP

2шт.

3

07371-31255

FLANGE

SN: H50880-UP

4шт.

4

01252-71035

BOLT

SN: H50880-UP

8шт.

5

01643-51032

WASHER

SN: H50880-UP

8шт.

6

421-62-46371

BRACKET

SN: H50880-UP

1шт.

7

01010-81230

BOLT

SN: H50880-UP

2шт.

8

01643-31232

WASHER

SN: H50880-UP

2шт.

9

421-62-44250

CLAMP

SN: H50880-UP

2шт.

10

421-62-46320

PLATE

SN: H50880-UP

1шт.

11

417-62-23690

SPACER

SN: H50880-UP

2шт.

12

01010-81095

BOLT

SN: H50880-UP

2шт.

13

01643-31032

WASHER

SN: H50880-UP

2шт.

14

421-62-44240

CLAMP

SN: H50880-UP

2шт.

15

421-62-46310

BRACKET

SN: H50880-UP

1шт.

16

417-62-23690

SPACER

SN: H50880-UP

2шт.

17

01010-81090

BOLT

SN: H50880-UP

2шт.

18

01643-31032

WASHER

SN: H50880-UP

2шт.

19

423-62-34981

RUBBER

SN: H50880-UP

1шт.

20

421-62-46380

PLATE

SN: H50880-UP

1шт.

21

01010-81025

BOLT

SN: H50880-UP

2шт.

22

01643-31032

WASHER

SN: H50880-UP

2шт.

\See Fig.H4200-0

See Fig.H4200-09A0

HYDRAULIC PIPING (RETURN LINE) (PPC)

-1шт.

\See Fig.H4200-0

See Fig.H4200-09A1

HYDRAULIC PIPING (RETURN LINE) (EPC)

-1шт.

Выбрано товаров: 24