Запчасти Komatsu WA470-6 LC ГИДРОЛИНИЯ (РУЛЕВ. УПРАВЛЕНИЕ ВОЗВРАТН. ЛИНИЯ) H ГИДРАВЛИКА

Схема запчастей Komatsu WA470-6 LC - ГИДРОЛИНИЯ (РУЛЕВ. УПРАВЛЕНИЕ ВОЗВРАТН. ЛИНИЯ) H ГИДРАВЛИКА
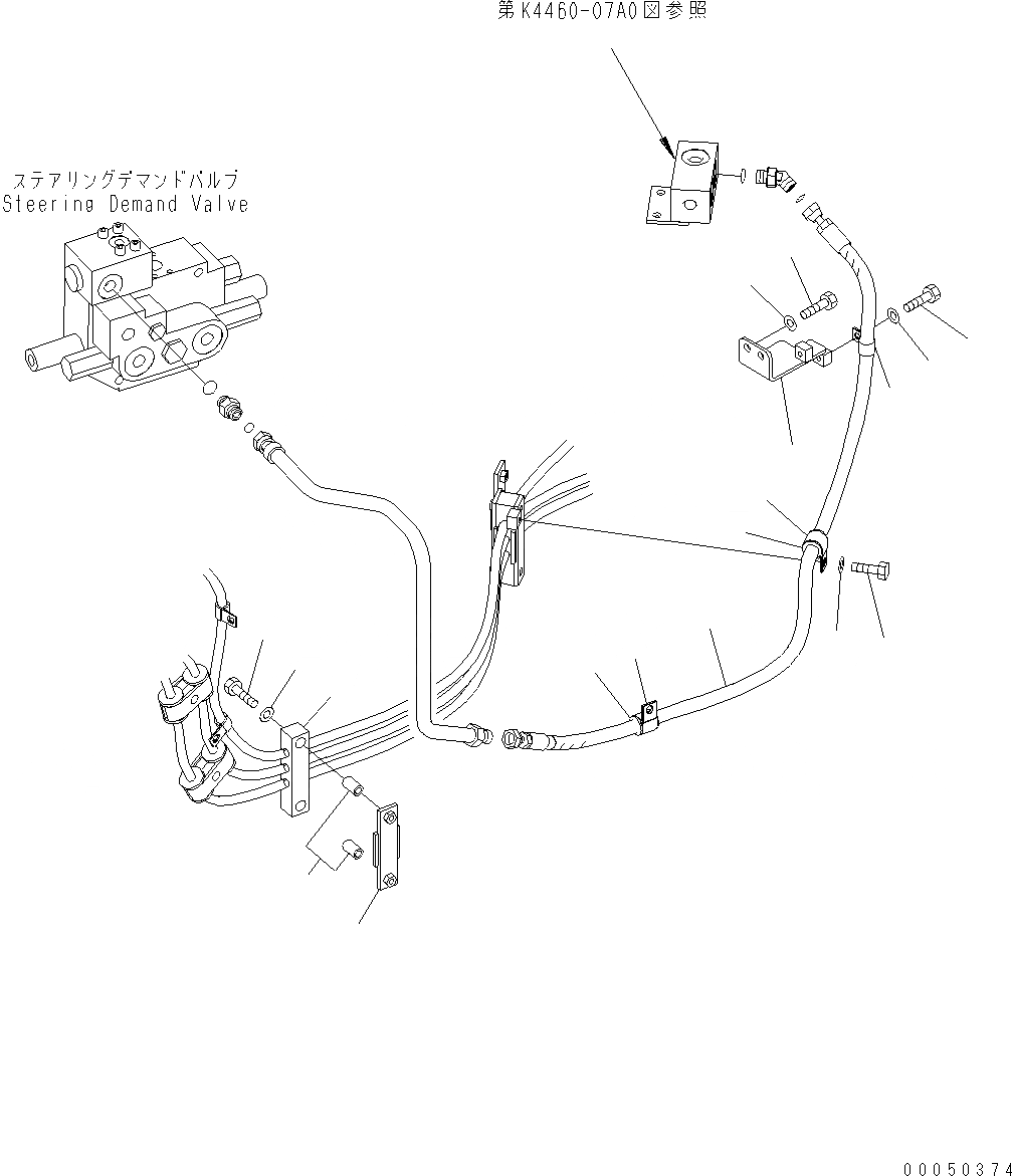
10
8
11
12
9
5
4
1
3
2
13
7
6
15
14
16
18
17
\See Fig.K4460-07A0
FIT
1:1
100%

Артикул

Название

Примечание

Количество

1

421-62-42191

HOSE, 1530MM

SN: H50880-UP

1шт.

2

04434-52711

CLIP

SN: H50880-UP

1шт.

3

07095-20420

CUSHION

SN: H50880-UP

1шт.

4

04434-52711

CLIP

SN: H50880-UP

1шт.

5

07095-20420

CUSHION

SN: H50880-UP

1шт.

6

01010-81025

BOLT

SN: H50880-UP

2шт.

7

01643-31032

WASHER

SN: H50880-UP

2шт.

8

423-62-43221

PLATE

SN: H50880-UP

1шт.

9

423-62-34981

RUBBER

SN: H50880-UP

1шт.

10

418-62-23790

SPACER

SN: H50880-UP

2шт.

11

01010-81055

BOLT

SN: H50880-UP

2шт.

12

01643-31032

WASHER

SN: H50880-UP

2шт.

13

421-62-45180

BRACKET

SN: H50880-UP

1шт.

14

01010-81020

BOLT

SN: H50880-UP

2шт.

15

01643-31032

WASHER

SN: H50880-UP

2шт.

16

04434-52110

CLIP

SN: H50880-UP

1шт.

17

01010-81020

BOLT

SN: H50880-UP

1шт.

18

01643-31032

WASHER

SN: H50880-UP

1шт.

\See Fig.K4460-0

See Fig.K4460-07A0

BRAKE CONTROL (BRAKE VALVE PIPING) (DRAIN) (1/2)

-1шт.

Выбрано товаров: 19