Запчасти Komatsu WA470-6 LC CENTRAL СМАЗКА - OVERVIEW И НАСОС СОЕДИН-Е J ОСНОВНАЯ РАМА И ЕЕ ЧАСТИ

Схема запчастей Komatsu WA470-6 LC - CENTRAL СМАЗКА - OVERVIEW И НАСОС СОЕДИН-Е J ОСНОВНАЯ РАМА И ЕЕ ЧАСТИ
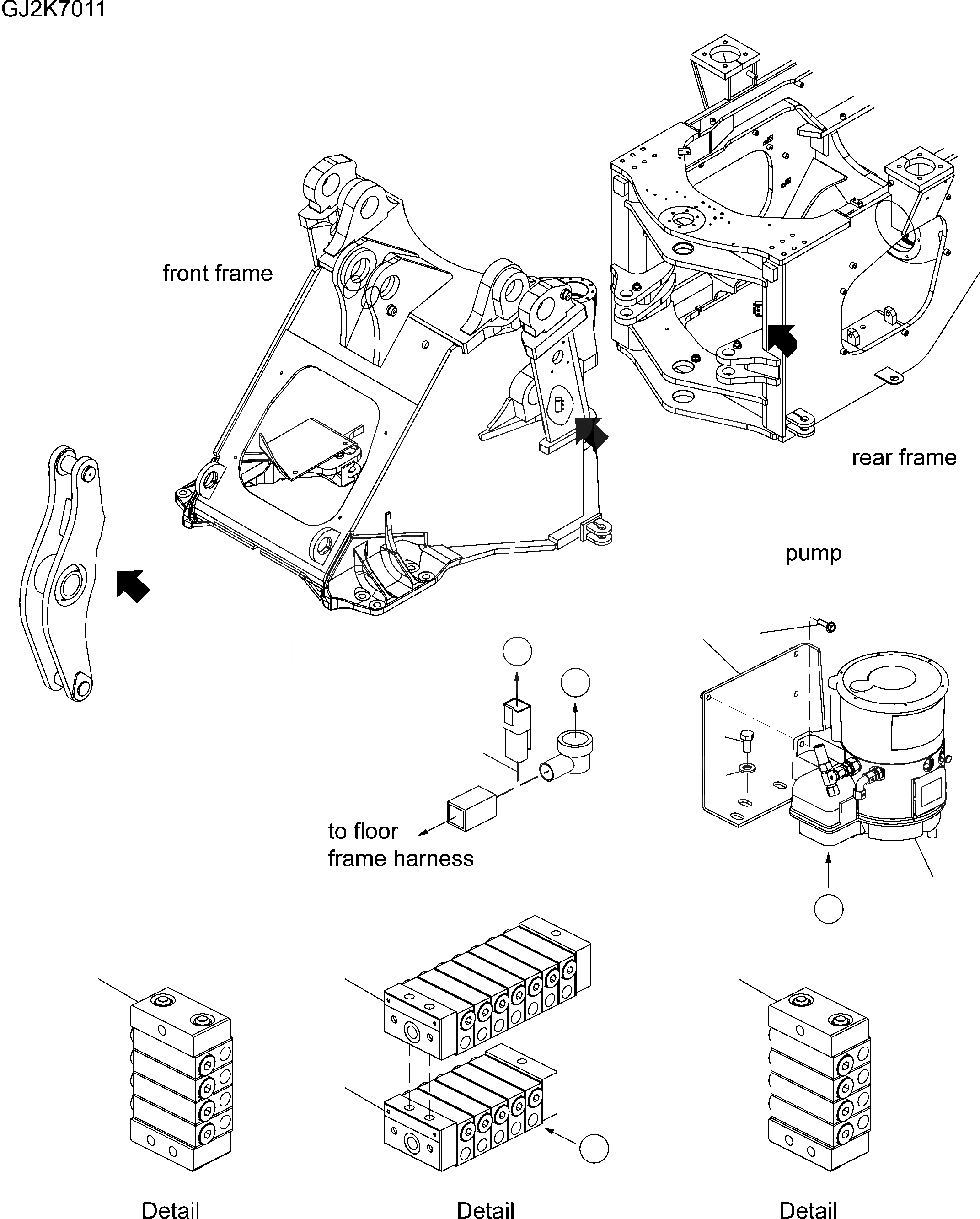
1
2
3
4
5
6
7
8
9
10
A
B
C
A
B
C
a
a
b
b
\See Fig.J4710-02A0
\See Fig.J4710-03A0
\See Fig.J4710-04A0
\See Fig.J4710-05A0
\See Fig.J4710-06A0
FIT
1:1
100%

Артикул

Название

Примечание

Количество

1

421-S96-H570

FEEDER ASSEMBLY, BELLCRANK

SN: H50880-UP

1шт.

2

421-S96-H550

FEEDER ASSEMBLY, FRONT FRAME

SN: H50880-UP

1шт.

3

421-S96-H560

FEEDER ASSEMBLY, FRONT FRAME

SN: H50880-UP

1шт.

4

421-S96-H740

FEEDER ASSEMBLY, REAR FRAME

SN: H50880-UP

1шт.

5

421-S96-H540

PUMP ASSEMBLY

SN: H50880-UP

1шт.

6

423-06-H2662

WIRING HARNESS

SN: H50880-UP

1шт.

7

425-S95-H761

BRACKET

SN: H50880-UP

1шт.

8

01010-81225

BOLT

SN: H50880-UP

3шт.

9

01643-31032

WASHER

SN: H50880-UP

3шт.

10

01435-00825

BOLT

SN: H50880-UP

3шт.

\See Fig.J4710-0

See Fig.J4710-02A0

CENTRAL LUBRICATION - BELLCRANK FEEDER

-1шт.

\See Fig.J4710-0

See Fig.J4710-03A0

CENTRAL LUBRICATION - FRONT FRAME 1ST FEEDER

-1шт.

\See Fig.J4710-0

See Fig.J4710-04A0

CENTRAL LUBRICATION - FRONT FRAME 2ND FEEDER

-1шт.

\See Fig.J4710-0

See Fig.J4710-05A0

CENTRAL LUBRICATION - REAR FRAME FEEDER

-1шт.

\See Fig.J4710-0

See Fig.J4710-06A0

CENTRAL LUBRICATION - PUMP

-1шт.

Выбрано товаров: 15