Запчасти Komatsu WA470-6 LC CENTRAL СМАЗКА - ЗАДН. РАМА J ОСНОВНАЯ РАМА И ЕЕ ЧАСТИ

Схема запчастей Komatsu WA470-6 LC - CENTRAL СМАЗКА - ЗАДН. РАМА J ОСНОВНАЯ РАМА И ЕЕ ЧАСТИ
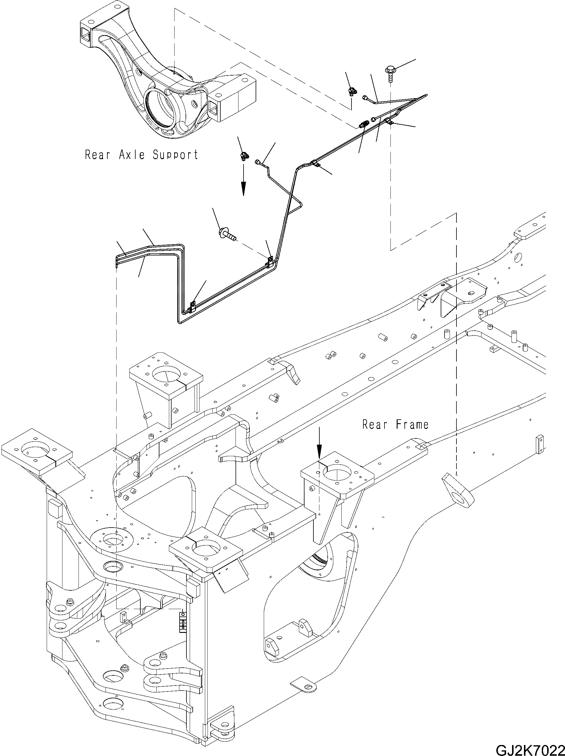
1
2
3
4
7
4
6
3
5
6
1
5
7
2
6
a
a
\See Fig.J4710-05A0
FIT
1:1
100%

Артикул

Название

Примечание

Количество

1

421-S96-H160

TUBE

SN: H50880-UP

1шт.

2

421-S96-H170

TUBE

SN: H50880-UP

1шт.

3

421-S96-H380

TUBE

SN: H50880-UP

1шт.

4

04434-51310

CLIP

SN: H50880-UP

2шт.

5

04435-50610

CLIP

SN: H50880-UP

2шт.

6

421-09-12540

ELBOW

SN: H50880-UP

3шт.

7

01435-01025

BOLT

SN: H50880-UP

4шт.

\See Fig.J4710-0

See Fig.J4710-05A0

CENTRAL LUBRICATION - REAR FRAME FEEDER

-1шт.

Выбрано товаров: 8