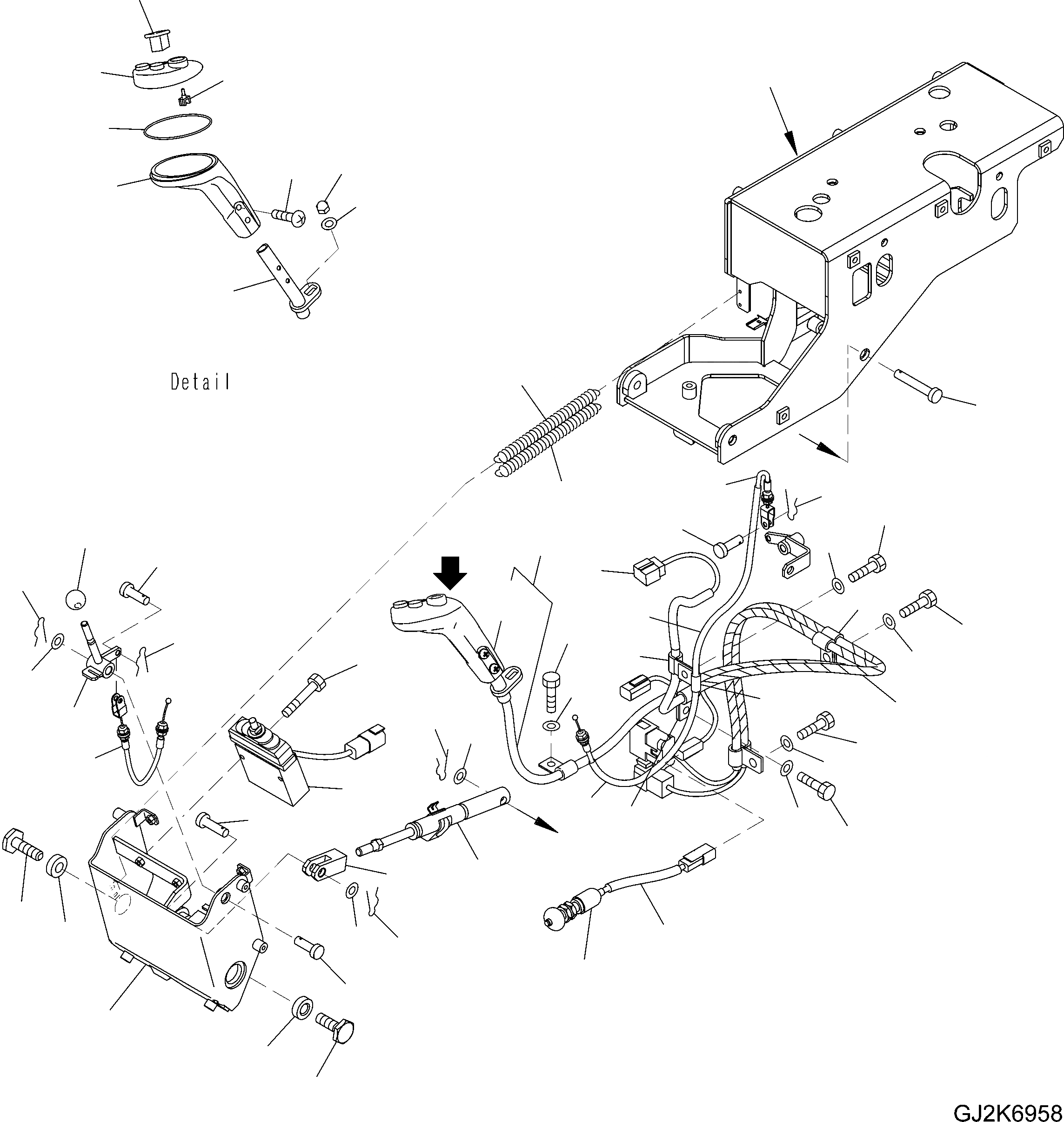
Запчасти Komatsu WA470-6 LC OPERATORґS СИДЕНЬЕ (КОНСОЛЬ) (ДЛЯ УПРАВЛ-Е ДЖОЙСТИКОМ) (/) K OPERATORґS ОБСТАНОВКА И СИСТЕМА УПРАВЛЕНИЯ

Схема запчастей Komatsu WA470-6 LC - OPERATORґS СИДЕНЬЕ (КОНСОЛЬ) (ДЛЯ УПРАВЛ-Е ДЖОЙСТИКОМ) (/) K OPERATORґS ОБСТАНОВКА И СИСТЕМА УПРАВЛЕНИЯ
13
12
17
19
18
16
15
11
14
27
26
23
47
49
48
8
7
6
7
8
25
32
33
29
28
31
20
21
24
33
32
44
36
1
22
10
9
35
34
37
38
3
43
45
42
46
5
4
39
40
41
50
40
41
2
38
37
34
30
\See Fig.K0110-02A1
a
a
A
A
FIT
1:1
100%

Артикул

Название

Примечание

Количество

1

421-S33-3282

SWITCH

SN: H50880-UP

1шт.

2

04434-50508

CLIP

SN: H50880-UP

1шт.

3

04434-51008

CLIP

SN: H50880-UP

1шт.

4

01010-80816

BOLT

SN: H50880-UP

1шт.

5

01643-30823

WASHER

SN: H50880-UP

1шт.

6

425-S33-3323

BRACKET

SN: H50880-UP

1шт.

7

22T-43-12180

SPACER

SN: H50880-UP

2шт.

8

425-S33-3290

BOLT

SN: H50880-UP

2шт.

9

425-S33-3532

KNOB ASSEMBLY

SN: H50880-UP

1шт.

10

0

KNOB

SN: H50880-UP

1шт.

11

42C-S33-1180

O-RING

SN: H50880-UP

1шт.

12

42C-S33-1170

GUIDE

SN: H50880-UP

3шт.

13

426-06-31430

SWITCH

SN: H50880-UP

1шт.

14

425-S33-3620

CAP

SN: H50880-UP

1шт.

15

42C-S33-1250

HOUSING

SN: H50880-UP

1шт.

16

0

LEVER

SN: H50880-UP

1шт.

17

01245-00612

SCREW

SN: H50880-UP

2шт.

18

01643-30823

WASHER

SN: H50880-UP

1шт.

19

01546-10812

NUT

SN: H50880-UP

1шт.

20

702-16-02150

LEVER

SN: H50880-UP

1шт.

21

01435-00640

BOLT

SN: H50880-UP

2шт.

22

08017-C0701

CONDUIT

SN: H50880-UP

1шт.

23

425-S33-3272

LEVER

SN: H50880-UP

1шт.

24

22T-55-15290

KNOB

SN: H50880-UP

1шт.

25

04205-31042

PIN

SN: H50880-UP

1шт.

26

01640-21016

WASHER

SN: H50880-UP

1шт.

27

04052-21038

PIN, SNAP

SN: H50880-UP

1шт.

28

425-S33-3490

LOCK

SN: H50880-UP

1шт.

29

22T-43-11210

YOKE

SN: H50880-UP

1шт.

30

8236-71-2450

PIN

SN: H50880-UP

1шт.

31

04205-31042

PIN

SN: H50880-UP

1шт.

32

01640-21016

WASHER

SN: H50880-UP

2шт.

33

04052-21038

PIN, SNAP

SN: H50880-UP

2шт.

34

418-43-18240

SPRING

SN: H50880-UP

2шт.

35

425-S33-3192

HARNESS

SN: H50880-UP

1шт.

36

04434-51008

CLIP

SN: H50880-UP

3шт.

37

01010-80816

BOLT

SN: H50880-UP

2шт.

38

01643-30823

WASHER

SN: H50880-UP

2шт.

39

04434-51810

CLIP

SN: H50880-UP

2шт.

40

01010-81020

BOLT

SN: H50880-UP

2шт.

41

01643-31032

WASHER

SN: H50880-UP

2шт.

42

425-S33-3333

CABLE

SN: H50880-UP

1шт.

43

08017-C0701

CONDUIT

SN: H50880-UP

1шт.

44

08017-C0703

CONDUIT

SN: H50880-UP

1шт.

45

04205-10616

PIN

SN: H50880-UP

1шт.

46

04052-20633

PIN, SNAP

SN: H50880-UP

1шт.

47

425-S33-3342

CABLE

SN: H50880-UP

1шт.

48

04205-10616

PIN

SN: H50880-UP

1шт.

49

04052-20633

PIN, SNAP

SN: H50880-UP

1шт.

50

08210-01808

SPIRAL TUBE

SN: H50880-UP

1шт.

\See Fig.K0110-0

See Fig.K0110-02A1

OPERATORґS SEAT (CONSOLE) (FOR JOY STICK STEERING) (1/2)

-1шт.

Выбрано товаров: 51