Запчасти Komatsu WA470-6 LC ПОЛ ПЕРЕКЛЮЧАТЕЛЬ (С БЛОКИР.-UP ПЕРЕКЛЮЧАТЕЛЬ) K OPERATORґS ОБСТАНОВКА И СИСТЕМА УПРАВЛЕНИЯ

Схема запчастей Komatsu WA470-6 LC - ПОЛ ПЕРЕКЛЮЧАТЕЛЬ (С БЛОКИР.-UP ПЕРЕКЛЮЧАТЕЛЬ) K OPERATORґS ОБСТАНОВКА И СИСТЕМА УПРАВЛЕНИЯ
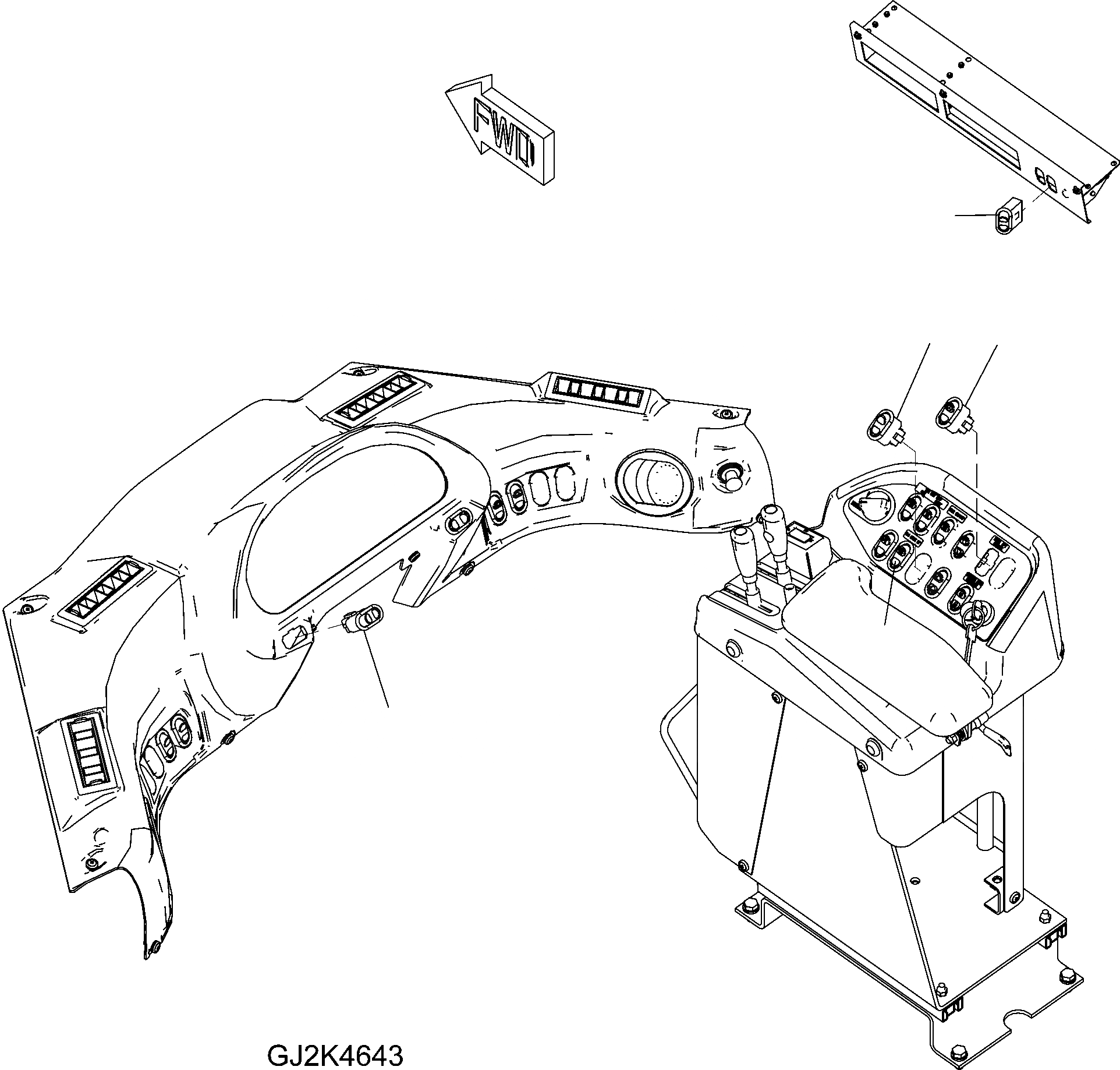
1
4
3
2
5
FIT
1:1
100%

Артикул

Название

Примечание

Количество

1

423-06-45380

SWITCH, E.C.S.S.

SN: H50880-UP

1шт.

2

423-06-45510

SWITCH, EMERGENCY STEERING

SN: H50880-UP

1шт.

3

423-06-45480

SWITCH, F-N-R

SN: H50880-UP

1шт.

4

423-06-45450

SWITCH, AUTO - GREASING

SN: H50880-UP

1шт.

5

423-06-45530

SWITCH, LOCK UP

SN: H50880-UP

1шт.

Выбрано товаров: 0