Запчасти Komatsu WA470-6 LC ЛЕСТНИЦА (СУППОРТ КРЕПЛЕНИЕ И COVER) M ЧАСТИ КОРПУСА

Схема запчастей Komatsu WA470-6 LC - ЛЕСТНИЦА (СУППОРТ КРЕПЛЕНИЕ И COVER) M ЧАСТИ КОРПУСА
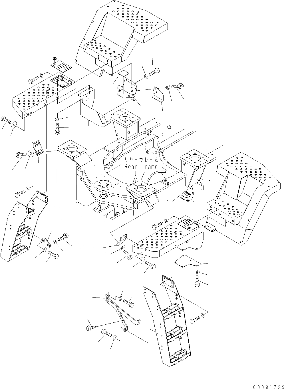
1
12
10
11
12
9
8
7
2
6
5
16
15
14
26
22
21
20
23
25
24
9
12
11
12
10
17
19
18
4
3
13
3
4
FIT
1:1
100%

Артикул

Название

Примечание

Количество

1

424-54-44964

BRACKET, LHS

SN: H50880-UP

1шт.

\See Fig.J4190-0

See Fig.J4190-04A0

BAR LOCK AND COVER (TOOL BOX)

-1шт.

2

421-54-44971

BRACKET, RHS

SN: H50880-UP

1шт.

3

01010-D1230

BOLT

SN: H50880-UP

3шт.

4

01643-71232

WASHER

SN: H50880-UP

3шт.

5

01010-D1245

BOLT,SEMS

SN: H50880-UP

1шт.

6

01643-71232

WASHER

SN: H50880-UP

1шт.

7

01010-D1225

BOLT

SN: H50880-UP

1шт.

8

01643-71232

WASHER

SN: H50880-UP

1шт.

9

421-54-44430

BRACKET

SN: H50880-UP

2шт.

10

01010-81240

BOLT

SN: H50880-UP

4шт.

11

01010-81245

BOLT

SN: H50880-UP

4шт.

12

175-54-34170

WASHER

SN: H50880-UP

8шт.

13

416-54-34230

PLUG

SN: H50880-UP

1шт.

14

421-54-44590

COVER

SN: H50880-UP

1шт.

15

01010-81020

BOLT

SN: H50880-UP

4шт.

16

01643-31032

WASHER

SN: H50880-UP

4шт.

17

421-54-44260

PLATE

SN: H50880-UP

1шт.

18

01010-81020

BOLT

SN: H50880-UP

5шт.

19

01643-31032

WASHER

SN: H50880-UP

5шт.

20

421-54-44491

COVER

SN: H50880-UP

1шт.

21

01010-81020

BOLT

SN: H50880-UP

2шт.

22

01643-31032

WASHER

SN: H50880-UP

2шт.

23

424-54-44790

COVER

SN: H50880-UP

1шт.

24

01010-81020

BOLT

SN: H50880-UP

2шт.

25

01643-31032

WASHER

SN: H50880-UP

2шт.

26

424-54-44990

SHEET

SN: H50880-UP

1шт.

Выбрано товаров: 27